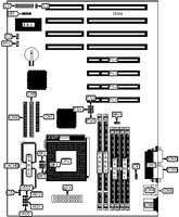
MOTHERBOARDS Pentium (socket 4,5,7)

APRICOT - CX

APRICOT COMPUTERS LIMITED
Pentium
FT//E (PENTIUM PANTHER II) MOTHERBOARD
Parallel port, PS/2 mouse port, serial port, VGA port
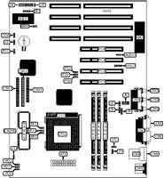
AQUARIUS SYSTEMS, INC.
Pentium
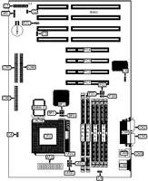
MB-540F-A
32-bit PCI slots (4), green PC connector, floppy drive interface, IDE interfaces (2), parallel port, PS/2 mouse port, serial ports (2), VRM connector, cache slot
AQUARIUS SYSTEMS, INC.
Pentium
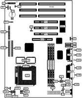
MB-540F-C
32-bit PCI slots (4), green PC connector, floppy drive interface, IDE interfaces (2), parallel port, PS/2 mouse port, serial ports (2)
AQUARIUS SYSTEMS, INC.
Pentium
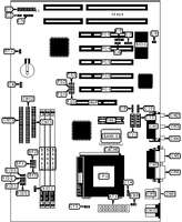
MB-540S
32-bit PCI slots (4), green PC connector, floppy drive interface, IDE interfaces (2), parallel port, PS/2 mouse port, serial ports (2), VRM connector, cache slot
AQUARIUS SYSTEMS, INC.
Pentium
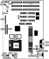
MB-5ATR
32-bit PCI slots (4), floppy drive interface, IDE interfaces (2), parallel port, PS/2 mouse interface, serial ports (2), VGA feature connector, VGA interface, VRM connector, cache slot
ASIA DIRECT CORPORATION
Pentium
586 IL
Floppy drive interface, green PC connector, IDE interfaces (2), parallel port, PS/2 mouse interface, serial ports (2), VGA feature connector, VGA port, riser slot, IR connector, USB connectors (2), MPEG connector
ASIA DIRECT CORPORATION
Pentium
586 RL
Floppy drive interface, green PC connector, IDE interfaces (2), parallel port, PS/2 mouse interface, serial ports (2), VGA feature connector, VGA port, riser slot, IR connector, USB connectors (2), MPEG connector
ASICOM, INC.
Pentium
LEXAR600T
32-bit PCI slots (4), floppy drive interface, IDE interfaces (2), , parallel port, PS/2 mouse interface, serial ports (2), VRM connector, cache slot, legacy connector
AST RESEARCH, INC.
Pentium
ADVANTAGE + (CHINA) 50179
Floppy drive interface, IDE interfaces (2), parallel port, PS/2 mouse port, serial ports (2), video feature connector, VGA port, riser slot, cache slot
AST RESEARCH, INC.
Pentium
ADVANTAGE! 4000 SERIES P5 (234289-F01)
Floppy drive interface, IDE interface, parallel port, serial ports (2), 8514 video pass through connector, VGA port, riser slot, CD audio output, power to hard drive, power to floppy drive, power to CD-ROM
AST RESEARCH, INC.
Pentium
ADVANTAGE! 6000 SERIES P5 (RATTLER) (202653-101, 16)
Floppy drive interface, IDE interface, parallel port, PS/2 mouse port, serial ports (2), 8514 video pass through connector, VGA port, riser slot
AST RESEARCH, INC.
Pentium
ADVANTAGE! 612 (221475-F01)
Floppy drive interface, IDE interfaces (2), parallel port, PS/2 mouse port, serial ports (2), 8514 video pass through connector, VGA port, VRM connector, cache slot, riser slot, midi/sound port connector, wave table connector
AST RESEARCH, INC.
Pentium
ADVANTAGE! 8000 SERIES P5
Floppy drive interface, IDE interfaces (2), parallel port, PS/2 mouse port, serial ports (2), 8514 video pass through connector, VGA port, riser slot
AST RESEARCH, INC.
Pentium
ADVANTAGE! 8000 SERIES P5
Floppy drive interface, IDE interfaces (2), parallel port, PS/2 mouse port, serial ports (2), 8514 video pass through connector, VGA port, riser slot
AST RESEARCH, INC.
Pentium
ADVANTAGE! 9000 SERIES
CD-ROM connector, floppy drive interface, green PC connector, IDE interfaces (2), parallel port, PS/2 mouse port, serial ports (2), Video pass through connector, VGA port, riser slot, IR connector, audio in connector, audio out connector, microphone
AST RESEARCH, INC.
Pentium
ADVANTAGE! EXP SERIES P5 (230822-001, 002)
Riser slot, floppy drive interface, IDE interfaces (2), parallel port, PS/2 mouse port, serial ports (2), VGA port
AST RESEARCH, INC.
Pentium
BRAVO LC (KING P) P/100 (202762-103)
Floppy drive interface, IDE interfaces (2), parallel port, PS/2 mouse port, serial ports (2), 8514 video pass through connector, VGA port, riser slot
AST RESEARCH, INC.
Pentium
BRAVO MS P/75 (221478-F01)
Floppy drive interface, IDE interfaces (2), parallel port, PS/2 mouse port, serial ports (2), 8514 video pass through connector, VGA port, VRM connector, cache slot, riser slot, wavetable connector MIDI/sound port connector
AST RESEARCH, INC.
Pentium
BRAVO MS P75 (202759-111, 202762-15X)
Floppy drive interface, IDE interfaces (2), parallel port, PS/2 mouse port, serial ports (2), 8514 video pass through connector, VGA port, riser slot, speaker/line out connector, microphone connector, line in connector, CD-ROM audio connector
AST RESEARCH, INC.
Pentium
BRAVO MS, MS-T, MS-L PENTIUM (RATTLER) (202653-XXX)
Floppy drive interface, IDE interfaces (2), parallel port, serial ports (2), PS/2 mouse port, VGA feature connector, VGA port
AST RESEARCH, INC.
Pentium
BRAVO MS-T (VIXEN)
CD-ROM interface, floppy drive interface, IDE interfaces (2), parallel port, PS/2 mouse port, serial ports (2), VGA port, riser slot, cache slot, modem audio connector, audio out connector, microphone in connector, ATI media connector, power supply r
AST RESEARCH, INC.
Pentium
BRAVO MT P/60
32-bit VESA local bus slots (2), floppy drive interface, IDE interface, parallel port, PS/2 mouse port, serial ports (2)
AST RESEARCH, INC.
Pentium
BRAVO MT P/60 (230598-001)
32-bit VESA local bus slots (2), PS/2 mouse port, floppy drive interface, IDE interface, parallel port, serial ports (2)
AST RESEARCH, INC.
Pentium
MANHATTAN G PENTIUM (202671-102, 103)
Floppy drive interface, IDE interface, parallel port, PS/2 mouse port, serial ports (2), 8514 video pass through connector, VGA port, riser slot
AST RESEARCH, INC.
Pentium
MANHATTAN P Pentium
32-bit PCI slots (2), CPU slot, floppy drive interface, SCSI interfaces (4), parallel port, PS/2 mouse port, serial ports (2), 8514 video pass through connector, VGA port
AST RESEARCH, INC.
Pentium
MANHATTAN V Pentium
32-bit PCI slots (3), CPU slot, floppy drive interface, SCSI interfaces (2), parallel port, PS/2 mouse port, serial ports (2), 8514 video pass through connector, VGA port
AST RESEARCH, INC.
Pentium
PREMMIA GX
Floppy drive interface, IDE interface, parallel port, PS/2 mouse port, serial ports (2), SCSI port, SCSI interface, 10 base-T port, 10 base-5 port
AST RESEARCH, INC.
Pentium
PREMMIA LX P/60 (230822-001,002)
Riser slot, floppy drive interface, IDE interfaces (2), parallel port, PS/2 mouse port, serial ports (2), VGA port
AST RESEARCH, INC.
Pentium
PREMMIA MX P/60, PREMMIA MX P/75
Floppy drive interface, IDE interfaces (2), parallel port, PS/2 mouse port, serial ports (2)
ASUS COMPUTER INTERNATIONAL
Pentium
C-P55T2D
PS/2 mouse port
ASUS COMPUTER INTERNATIONAL
Pentium
P/E-P55T2P4D
32-bit PCI slots (4), floppy drive interface, green PC connector, IDE interfaces (2), parallel port, PS/2 mouse interface, serial ports (2), cache slot, IR connector, MediaBus slot
ASUS COMPUTER INTERNATIONAL
Pentium
P/I-AP55TV
CD-ROM interfaces (3), floppy drive interface, green PC connector, IDE interfaces (2), parallel port, PS/2 mouse port, serial ports (2), VGA port, riser slot, cache slot, IR connector, USB connector, audio connector, wavetable connector, AMC connecto
ASUS COMPUTER INTERNATIONAL
Pentium
P/I-AP55TV (Rev. 1.2)
CD-ROM interfaces (3), floppy drive interface, green PC connector, IDE interfaces (2), parallel port, PS/2 mouse port, serial ports (2), VGA port, riser slot, cache slot, IR connector, USB connector, audio connector, wavetable connector, AMC connecto
ASUS COMPUTER INTERNATIONAL
Pentium
P/I-P55SP4
Parallel port, serial ports (2), 32-bit PCI slots (4), green PC connector, floppy drive interface, IDE interfaces (2), cache slot, MediaBus slot, infrared connector
ASUS COMPUTER INTERNATIONAL
Pentium
P/I-P55SP4V
32-bit PCI slots (4), floppy drive interface, green PC connector, IDE interfaces (2), parallel port, serial ports (2), VGA feature connector, IR connector, USB connector, VGA-PS/2 mouse connector, MediaBus slot
ASUS COMPUTER INTERNATIONAL
Pentium
P/I-P55T2P4
32-bit PCI slots (4), floppy drive interface, green PC connector, IDE interfaces (2), parallel port, PS/2 mouse interface, serial ports (2), cache slot, IR connector, MediaBus slot
ASUS COMPUTER INTERNATIONAL
Pentium
P/I-P55T2P4 (REV. 3.10)
32-bit PCI slots (4), floppy drive interface, green PC connector, IDE interfaces (2), parallel port, PS/2 mouse interface, serial ports (2), cache slot, IR connector, USB connector, MediaBus slot
ASUS COMPUTER INTERNATIONAL
Pentium
P/I-P55T2P4S
32-bit PCI slots (4), floppy drive interfacegreen PC connector, IDE interfaces (2), SCSI interface, Wide SCSI interface, parallel port, PS/2 mouse interface, serial ports (2), IR connector, USB connector, MediaBus slot
ASUS COMPUTER INTERNATIONAL
Pentium
P/I-P55TP4N
32-bit PCI slots (4), floppy drive interface, green PC connector, IDE interfaces (2), parallel port, PS/2 mouse interface, serial ports (2), cache slot, IR connector, MediaBus slot
ASUS COMPUTER INTERNATIONAL
Pentium
P/I-P55TP4XE (REV. 1.21)
32-bit PCI slots (4), floppy drive interface, green PC connector, IDE interfaces (2), parallel port, PS/2 mouse interface, serial ports (2), cache slot, IR connector, VRM connector, MediaBus slot
ASUS COMPUTER INTERNATIONAL
Pentium
P/I-P55TP4XE (VER. 2.4)
32-bit PCI slots (4), floppy drive interface, green PC connector, IDE interfaces (2), parallel port, PS/2 mouse interface, serial ports (2), cache slot, IR connector, VRM connector, MediaBus slot
ASUS COMPUTER INTERNATIONAL
Pentium
P/I-P55TP4XE REV 2.1
PS/2 mouse port, parallel port, serial ports (2), 32-bit VESA local bus slots (4), green PC connector, floppy drive interface, IDE interfaces (2), Media slot, cache slot
ASUS COMPUTER INTERNATIONAL
Pentium
P/I-P55TP4XEG (VER. 2.4)
32-bit PCI slots (4), floppy drive interface, green PC connector, IDE interfaces (2), parallel port, PS/2 mouse interface, serial ports (2), cache slot, VRM connector, MediaBus slot
ASUS COMPUTER INTERNATIONAL
Pentium
P/I-P55TP4XEG (VER. 2.4)
32-bit PCI slots (4), floppy drive interface, green PC connector, IDE interfaces (2), parallel port, PS/2 mouse interface, serial ports (2), cache slot, VRM connector, MediaBus slot
ASUS COMPUTER INTERNATIONAL
Pentium
P/I-P55TVP4 (REV. 1.5)
32-bit PCI slots (4), floppy drive interface, green PC connector, IDE interfaces (2), parallel port, PS/2 mouse interface, serial ports (2cache slot, IR connector, USB connector, MediaBus slot
ASUS COMPUTER INTERNATIONAL
Pentium
P/I-XP55T2P4 (REV. 3.00)
32-bit PCI slots (4), floppy drive interface, green PC connector, IDE interfaces (2), parallel port, PS/2 mouse port, serial ports (2), cache slot, IR connector, USB connector, ATX power connector, MediaBus slot
ASUS COMPUTER INTERNATIONAL
Pentium
P5A (REV. 1.04)
32-bit PCI slots (5), floppy drive interface, game/MIDI port, IDE interfaces (2), parallel port, PS/2 mouse port, serial ports (2), IR connector, USB connectors (2), ATX power connector, AGP slot, line in, line out, microphone in, audio in - CD-ROMs
ASUS COMPUTER INTERNATIONAL
Pentium
P5A-B (REV. 1.03)
32-bit PCI slots (3), floppy drive interface, IDE interfaces (2), parallel port, PS/2 mouse interface, serial ports (2), IR connector, USB connector, ATX power connector, AGP slot, audio in – CD-ROMs (2), wake on LAN connector, audio connector
ASUS COMPUTER INTERNATIONAL
Pentium
PCI/E-P54NP4 (REV. 1.3)
32-bit PCI slots (4)
ASUS COMPUTER INTERNATIONAL
Pentium
PCI/E-P54NP4 (VERSION 2.0)
32-bit PCI slots (4)
ASUS COMPUTER INTERNATIONAL
Pentium
PCI/E-P5MP4
32-bit PCI slots (4)
ASUS COMPUTER INTERNATIONAL
Pentium
PCI/I-P54NP4D
32-bit PCI slots (4), floppy drive interface, IDE interface, parallel port, PS/2 mouse interface, serial ports (2)
ASUS COMPUTER INTERNATIONAL
Pentium
PCI/I-P54SP4
32-bit PCI slots (4), floppy drive interface, green PC connector, IDE interfaces (2), parallel port, PS/2 mouse interface, serial ports (2)
ASUS COMPUTER INTERNATIONAL
Pentium
PCI/I-P54SP4
32-bit PCI slots (4), floppy drive interface, green PC connector, IDE interfaces (2), parallel port, PS/2 mouse interface, serial ports (2)
ASUS COMPUTER INTERNATIONAL
Pentium
PCI/I-P54TP4
32-bit PCI slots (4), floppy drive interface, green PC connector, IDE interfaces (2), parallel port, PS/2 mouse interface, serial ports (2)
ASUS COMPUTER INTERNATIONAL
Pentium
PCI/I-P5MP3
32-bit PCI slots (3)
ASUS COMPUTER INTERNATIONAL
Pentium
PCI/I-P5MP3
32-bit PCI bus slots (3)
ASUS COMPUTER INTERNATIONAL
Pentium
PCI/I-P5MP3 (REV. 1.2)
32-bit PCI slots (3)
ASUS COMPUTER INTERNATIONAL
Pentium
PCI/I-P5MP4
32-bit PCI slots (4), floppy drive interface, IDE interface, parallel port, PS/2 mouse port, serial ports (2)
ASUS COMPUTER INTERNATIONAL
Pentium
PCI/I-P5SP4
32-bit PCI slots (4), floppy drive interface, green PC connector, IDE interfaces (2), parallel port, PS/2 mouse port, serial ports (2)
ASUS COMPUTER INTERNATIONAL
Pentium
SP97 (REV. 1.02)
32-bit PCI slots (4), floppy drive interface, green PC connector, IDE interfaces (2), parallel port, PS/2 mouse interface, serial ports (2), IR connectors (2), USB connector, ATX power connector
ASUS COMPUTER INTERNATIONAL
Pentium
SP97-V (REV. 1.02)
32-bit PCI slots (4), floppy drive interface, green PC connector, IDE interfaces (2), parallel port, PS/2 mouse interface, serial ports (2), VGA feature connector, VGA port, IR connectors (2), USB connector, ATX power connector
ASUS COMPUTER INTERNATIONAL
Pentium
SP97-XV (REV. 1.02 VIDEO)
32-bit PCI slots (4), floppy drive interface, green PC connector, IDE interfaces (2), parallel port, PS/2 mouse port, serial ports (2), VGA feature connector, VGA interface, IR connector, USB connectors (2), ATX power connector
ASUS COMPUTER INTERNATIONAL
Pentium
SP97-XV (REV. 1.02)
32-bit PCI slots (4), floppy drive interface, green PC connector, IDE interfaces (2), parallel port, PS/2 mouse port, serial ports (2), IR connector, USB connectors (2), ATX power connector
ASUS COMPUTER INTERNATIONAL
Pentium
SP98-N (REV. 1.02)
Ethernet 10BaseT connector, floppy drive interface, game/MIDI port, parallel port, PS/2 mouse port, serial ports (2), VGA feature connector, VGA port
ASUS COMPUTER INTERNATIONAL
Pentium
SP98AGP-X (VER. 1.01 AUDIO)
32-bit PCI slots (3), floppy drive interface, game/MIDI port, green PC connector, IDE interfaces (2), parallel port, PS/2 mouse port, serial ports (2), IR connector, USB connectors (2), ATX power connector, AGP slot, line in, line out, microphone in
ASUS COMPUTER INTERNATIONAL
Pentium
SP98AGP-X (VER. 1.01)
32-bit PCI slots (3), floppy drive interface, green PC connector, IDE interfaces (2), parallel port, PS/2 mouse port, serial ports (2), IR connector, USB connectors (2), ATX power connector, AGP slot
ASUS COMPUTER INTERNATIONAL
Pentium
TX97
32-bit PCI slots (4), floppy drive interface, green PC connector, IDE interfaces (2), parallel port, serial ports (2), IR connector, MediaBus slot, PS/2 mouse/USB/IR connector
ASUS COMPUTER INTERNATIONAL
Pentium
TX97-E
32-bit PCI slots (4), floppy drive interface, green PC connector, IDE interfaces (2), parallel port, PS/2 mouse interface, serial ports (2), IR connector, USB connector, ATX power connector, RAID slot
ASUS COMPUTER INTERNATIONAL
Pentium
TX97-LE (REV. 1.00)
32-bit PCI slots (4), floppy drive interface, IDE interfaces (2), parallel port, PS/2 mouse interface, serial ports (2), IR connector, VRM connector, USB connector, ATX power connector
ASUS COMPUTER INTERNATIONAL
Pentium
TX97-N (REV. 1.03)
Game/MIDI port, parallel port, PS/2 mouse port, serial ports (2), VGA port, SVHS TV out, TV out
ASUS COMPUTER INTERNATIONAL
Pentium
TX97-X (REV. 2.03)
32-bit PCI slots (4), floppy drive interface, game/MIDI port, IDE interfaces (2), PS/2 mouse port, serial ports (2), IR connector, USB connectors (2), ATX power connector, line in connector, line out connector, microphone connector, CD-ROM audio inte
ASUS COMPUTER INTERNATIONAL
Pentium
TX97-X (REV. 3.00)
32-bit PCI slots (4), floppy drive interface, game/MIDI port, IDE interfaces (2), PS/2 mouse port, serial ports (2), IR connector, USB connectors (2), ATX power connector, line in connector, line out connector, microphone connector, CD-ROM audio inte
ASUS COMPUTER INTERNATIONAL
Pentium
TX97-XE (REV. 1.0)
32-bit PCI slots (4), floppy drive interface, green PC connector, IDE interfaces (2), parallel port, PS/2 mouse port, serial ports (2), IR connector, USB connectors (2), ATX power connector, microphone in, line in, line out, Audio in - CD-ROM (3), ga
ASUS COMPUTER INTERNATIONAL
Pentium
TX97-XE (REV. 3.02)
32-bit PCI slots (4), floppy drive interface, green PC connector, IDE interfaces (2), parallel port, PS/2 mouse port, serial ports (2), IR connector, USB connectors (2), ATX power connector, microphone in, line in, line out, Audio in - CD-ROM (1), ga
ASUS COMPUTER INTERNATIONAL
Pentium
TXP4 (REV. 1.01)
32-bit PCI slots (4), floppy drive interface, green PC connector, IDE interfaces (2), parallel port, PS/2 mouse interface, serial ports (2), IR connectors (2), USB connector, ATX power connector
ASUS COMPUTER INTERNATIONAL
Pentium
TXP4-X (REV. 1.01)
32-bit PCI slots (4), floppy drive interface, green PC connector, IDE interfaces (2), parallel port, PS/2 mouse port, serial ports (2), IR connector, USB connectors (2), ATX power connector
ASUS COMPUTER INTERNATIONAL
Pentium
VX97
32-bit PCI slots (4), floppy drive interface, green PC connector, IDE interfaces (2), parallel port, PS/2 mouse interface, serial ports (2), IR connector, USB connector
ASUS COMPUTER INTERNATIONAL
Pentium
P/I-P55TP4N (REV. 2.0)
32-bit PCI slots (4), floppy drive interface, green PC connector, IDE interface (2), parallel port, PS/2 mouse interface, serial ports (2), IR connector, MediaBus slot, cache slot
ASUS COMPUTER INTERNATIONAL
Pentium
P/I-P55TVP4 (REV. 2.3)
32-bit PCI slots (4), floppy drive interface, green PC connector, IDE interfaces (2), parallel port, PS/2 mouse interface, serial ports (2), cache slot, IR connector, USB connector, MediaBus slot
ASUS COMPUTER INTERNATIONAL
Pentium
TX97-XV (REV. 1.12)
32-bit PCI slots (4), IDE interface (2), parallel port, PS/2 mouse port, serial ports (2), VGA port, AMC connector, USB connectors (2), ATX power connector
AT & T, INC.
Pentium
AT & T, INC. GLOBALYST 590
Floppy drive interface, IDE interfaces (2), parallel port, PS/2 mouse port, serial ports (2), VGA/VESA pass through connector, VGA port, riser slot
ATC/UNITRON COMPUTER & COMPUTER PARTS
Pentium
PCI/ISA 586 MCI U6967
32-bit PCI bus slots (4)
ATC/UNITRON COMPUTER & COMPUTER PARTS
Pentium
U 6983
32-bit PCI slots (4), floppy drive interface, green PC connector, IDE interfaces (2), parallel port, PS/2 mouse interface, serial ports (2), cache slot
ATC/UNITRON COMPUTER & COMPUTER PARTS
Pentium
U6978
32-bit PCI slots (4), green PC connector, floppy drive interface, IDE interfaces (2), parallel port, serial ports (2)
ATC/UNITRON COMPUTERS & COMPUTER PARTS
Pentium
MB532
32-bit PCI slots (4), floppy drive interface, green PC connector, IDE interfaces (2), parallel port, serial ports (2), cache slot
ATC/UNITRON COMPUTERS & COMPUTER PARTS
Pentium
U 6992 (SQ599)
32-bit PCI slots (3), floppy drive interface, green PC connector, IDE interfaces (2), parallel port, PS/2 mouse interface, serial ports (2), VGA feature connector, VGA interface, IR connector, IRDA connector
ATEN RESEARCH, INC.
Pentium
AM-586VIPL / PCI58PL
32-bit VESA local bus slots (2), 32-bit PCI slots (4)
ATEN RESEARCH, INC.
Pentium
AM-P54CVIP / PCI54PV
32-bit VESA local bus slots (2), 32-bit PCI slots (4)
AVT INDUSTRIAL, LTD.
CX GXI
586 GX LITE
64-bit PCI slots (2), floppy drive interface, IDE interfaces (2), parallel port, PS/2 mouse port, serial ports (2), IR connector
AVT INDUSTRIAL, LTD.
CX GX
586 GXM-AV
32-bit PCI slots (2), floppy drive interface, game interface, green PC connector, IDE interfaces (2), parallel port, PS/2 mouse interface, serial ports (2), VGA interface, USB connector, audio in – CD-ROMs (2)
AVT INDUSTRIAL, LTD.
CX GXM
586 GXM-AVX
32-bit PCI slots (2), floppy drive interface, game interface, IDE interfaces (2), parallel port, PS/2 mouse interface, serial ports (2), VGA interface, audio in – CD-ROMs (2),
AXIOM TECHNOLOGY, INC.
Pentium
AX8158
Floppy drive interface, IDE interfaces (2), parallel port, PS/2 mouse port, PS/2 mouse interface, serial ports (2), cache slot
AXIOM TECHNOLOGY, INC.
Pentium
SBC8251
Floppy drive interface, IDE interface, parallel port, PS/2 mouse port, PS/2 mouse interface, serial ports (2), VGA port, PC/104 connectors (2)
AXIOM TECHNOLOGY, INC.
Pentium
SBC8257
Floppy drive interface, green PC connector, IDE interfaces (2), parallel port, PS/2 mouse port/keyboard, serial ports (2), VGA port, flat panel connector, PC104 connectors (2)
AXIOM TECHNOLOGY, INC.
Pentium
SBC8259
Floppy drive interface, green PC connector, IDE interfaces (2), Ultra Wide SCSI interface, SCSI II interface, parallel port, PS/2 mouse port/keyboard, serial ports (2), VGA port, PC104 connectors (2), flat panel connector
AZZA
Pentium
PT-5IT
32-bit PCI slots (4), floppy drive interface, IDE interfaces (2), parallel port, PS/2 mouse interface, serial ports (2), IR connector, USB connectors (2)
BCM ADVANCED RESEARCH, INC.
Pentium
FR550
32-bit PCI slots (4), floppy drive interface, IDE interfaces (2), parallel port, PS/2 mouse port, serial ports (2), IR connector, USB connector, ATX power connector
BCM ADVANCED RESEARCH, INC.
Pentium
SQ574
32-bit PCI slots (4), floppy drive interface, green PC connector, IDE interfaces (2), parallel port, PS/2 mouse interface, serial ports (2), IR connector, USB connectors (2), SB-link connector
BCM ADVANCED RESEARCH, INC.
Pentium
SQ576
32-bit PCI slots (4), floppy drive interface, green PC connector, IDE interfaces (2), parallel port, PS/2 mouse interface, serial ports (2), IR connector, USB connectors (2)
BCM ADVANCED RESEARCH, INC.
Pentium
SQ578
32-bit PCI slots (4), floppy drive interface, green PC connector, IDE interfaces (2), parallel port, PS/2 mouse interface, serial ports (2), VGA feature connector, VGA interface, IR connector, USB connector
BCM ADVANCED RESEARCH, INC.
Pentium
SQ585
32-bit PCI slots (3), floppy drive interface, green PC connector, IDE interfaces (2), parallel port, serial ports (2), VGA feature connector, VGA interface, cache slot
BCM ADVANCED RESEARCH, INC.
Pentium
SQ588
32-bit PCI slots (4), floppy drive interface, green PC connector, IDE interfaces (2), parallel port, PS/2 mouse interface, serial ports (2)
BCM ADVANCED RESEARCH, INC.
Pentium
SQ591
32-bit PCI slots (4), floppy drive interface, green PC connector, IDE interfaces (2), parallel port, PS/2 mouse interface, serial ports (2), IR connector, USB connectors (2)
BCM ADVANCED RESEARCH, INC.
Pentium
SQ593
32-bit PCI slots (3), floppy drive interface, green PC connector, IDE interfaces (2), parallel port, PS/2 mouse port, PS/2 mouse interface, serial ports (2), cache slot, IR connectors (2), USB connectors (2)
BCM ADVANCED RESEARCH, INC.
Pentium
SQ594
32-bit PCI slots (4), floppy drive interface, green PC connector, IDE interfaces (2), parallel port, PS/2 mouse interface, serial ports (2), IR connector, USB connectors (2)
BCM ADVANCED RESEARCH, INC.
Pentium
SQ596
32-bit PCI slots (4), floppy drive interface, green PC connector, IDE interfaces (2), parallel port, PS/2 mouse port, serial ports (2), cache slot, IR connector, USB connectors (2), ATX power connector, line in connector, line out connector, micropho
BCM ADVANCED RESEARCH, INC.
Pentium
SQ598
32-bit PCI slots (4), floppy drive interface, green PC connector, IDE interfaces (2), parallel port, PS/2 mouse port, serial ports (2), IR connector
BEK-TRONIC TECHNOLOGY, INC.
Pentium
BEK-5731
32-bit PCI slots (4), green PC connector, floppy drive interface, IDE interfaces (2), parallel port, PS/2 mouse interface, serial ports (2), cache slot, IR connector, USB connectors (2)
BIOSTAR MICROTECH INTERNATIONAL CORPORATION
Pentium
M5ALA
32-bit PCI slots (4), floppy drive interface, green PC connector, IDE interfaces (2), parallel port, PS/2 mouse port, serial ports (2), IR connector, USB connectors (2), ATX power connector, AGP slot, wake on LAN connector
BIOSTAR MICROTECH INTERNATIONAL CORPORATION
Pentium
M5ATA
32-bit PCI slots (4), floppy drive interface, green PC connector, IDE interfaces (2), parallel port, PS/2 mouse port, PS/2 mouse interface, serial ports (2), IR connector, USB connector, ATX power connector
BIOSTAR MICROTECH INTERNATIONAL CORPORATION
Pentium
M5ATC
32-bit PCI slots (4), floppy drive interface, green PC connector, IDE interfaces (2), parallel port, PS/2 mouse port, PS/2 mouse interface, serial ports (2), IR connector, USB connector, ATX power connector
BIOSTAR MICROTECH INTERNATIONAL CORPORATION
Pentium
M5TTB
32-bit PCI slots (5), floppy drive interface, green PC connector, IDE interfaces (2), parallel port, PS/2 mouse port, serial ports (2), IR connector, USB connector, ATX power connector
BIOSTAR MICROTECH INTERNATIONAL CORPORATION
Pentium
MB-1560/1566PAT
32-bit VESA local bus slots (2), 32-bit PCI slots (3)
BIOSTAR MICROTECH INTERNATIONAL CORPORATION
Pentium
MB-1560/66TIC
32-bit PCI slots (4)
BIOSTAR MICROTECH INTERNATIONAL CORPORATION
Pentium
MB-6500SAC
32-bit PCI slots (4), floppy drive interface, green PC connector, IDE interfaces (2), parallel port, PS/2 mouse port, serial ports (2), feature connector, audio connector
BIOSTAR MICROTECH INTERNATIONAL CORPORATION
Pentium
MB-8500 TUC-A (VER. 1)
32-bit PCI slots (4), floppy drive interface, green PC connector, IDE interfaces (2), parallel port, PS/2 mouse port, PS/2 mouse interface, serial ports (2), cache slot, IR connector, USB connector
BIOSTAR MICROTECH INTERNATIONAL CORPORATION
Pentium
MB-8500 TUC-A (VER. 2)
32-bit PCI slots (4), floppy drive interface, green PC connector, IDE interfaces (2), parallel port, PS/2 mouse port, PS/2 mouse interface, serial ports (2), cache slot, IR connector, USB connector
BIOSTAR MICROTECH INTERNATIONAL CORPORATION
Pentium
MB-8500 TUR (VER. 1)
32-bit PCI slots (3), floppy drive interface, green PC connector, IDE interfaces (2), parallel port, PS/2 mouse interface, serial ports (2), cache slot, IR connector, USB connector
BIOSTAR MICROTECH INTERNATIONAL CORPORATION
Pentium
MB-8500 TUR (VER. 2)
32-bit PCI slots (3), floppy drive interface, green PC connector, IDE interfaces (2), parallel port, PS/2 mouse interface, serial ports (2), cache slot, IR connector, USB connector
BIOSTAR MICROTECH INTERNATIONAL CORPORATION
Pentium
MB-8500 TUR (VER. 2.1)
32-bit PCI slots (3), floppy drive interface, green PC connector, IDE interfaces (2), parallel port, PS/2 mouse interface, serial ports (2), cache slot, IR connector, USB connector
BIOSTAR MICROTECH INTERNATIONAL CORPORATION
Pentium
MB-8500SAC
32-bit PCI slots (3), floppy drive interface, green PC connector, IDE interfaces (2), parallel port, PS/2 mouse port, serial ports (2), feature connector, audio connector
BIOSTAR MICROTECH INTERNATIONAL CORPORATION
Pentium
MB-8500TAC
32-bit PCI slots (3), floppy drive interface, green PC connector, IDE interfaces (2), parallel port, PS/2 mouse port, serial ports (2), VRM connector
BIOSTAR MICROTECH INTERNATIONAL CORPORATION
Pentium
MB-8500TTD
32-bit PCI slots (4), floppy drive interface, green PC connector, IDE interfaces (2), parallel port, PS/2 mouse port, PS/2 mouse interface, serial ports (2), IR connector, USB connector, ATX power connector
BIOSTAR MICROTECH INTERNATIONAL CORPORATION
Pentium
MB-8500TUD-A (VER. 1.0)
32-bit PCI slots (5), floppy drive interface, green PC connector, IDE interfaces (2), parallel port, PS/2 mouse port, PS/2 mouse interface, serial ports (2), IR connector, USB connector
BIOSTAR MICROTECH INTERNATIONAL CORPORATION
Pentium
MB-8500TUD-A (VER. 1.1)
32-bit PCI slots (5), floppy drive interface, green PC connector, IDE interfaces (2), parallel port, PS/2 mouse port, PS/2 mouse interface, serial ports (2), IR connector, USB connector
BIOSTAR MICROTECH INTERNATIONAL CORPORATION
Pentium
MB-8500TVD
32-bit PCI slots (3), floppy drive interface, green PC connector, IDE interfaces (2), parallel port, serial ports (2)
BIOSTAR MICROTECH INTERNATIONAL CORPORATION
Pentium
MB-8500TVG
32-bit PCI slots (4), floppy drive interface, green PC connector, IDE interfaces (2), parallel port, PS/2 mouse port, PS/2 mouse interface, serial ports (2), IR connector, USB connector
BIOSTAR MICROTECH INTERNATIONAL CORPORATION
Pentium
MB-8500TVR
32-bit PCI slots (3), floppy drive interface, green PC connector, IDE interfaces (2), parallel port, PS/2 mouse interface, serial ports (2), VGA interface, cache slot, IR connector, USB connector
BIOSTAR MICROTECH INTERNATIONAL CORPORATION
Pentium
MB-8500TVX
32-bit PCI slots (3), floppy drive interface, green PC connector, IDE interfaces (2), parallel port, PS/2 mouse interface, serial ports (2), IR connector, USB connector
BIOSTAR MICROTECH INTERNATIONAL CORPORATION
Pentium
MB-8560/66 AUR
32-bit PCI slots (3), floppy drive interface, IDE interfaces (2), game port, parallel port, serial ports (2)
BIOSTAR MICROTECH INTERNATIONAL CORPORATION
Pentium
MB-8575/90/00 VER. 1 & 2
Parallel port, serial ports (2), game port, 32-bit PCI slots (3), floppy drive interface, IDE interfaces (2), green PC connector
BIOSTAR MICROTECH INTERNATIONAL CORPORATION
Pentium
MB-8575/90/00 VER. 3
Parallel port, serial ports (2), game port, 32-bit PCI slots (3), floppy drive interface, IDE interfaces (2), green PC connector
BIOSTAR MICROTECH INTERNATIONAL CORPORATION
Pentium
MB-8575/90/00URC
Green PC connector, IDE interfaces (2)
BIOSTAR MICROTECH INTERNATIONAL, INC.
Pentium
MB-1500/1575/1590PCT
32-bit VESA local bus slots (2), 32-bit PCI slots (3)
BJMT TECHNOLOGY CORPORATION
Pentium
INTEL 8 2430VX
32-bit PCI slots (4), floppy drive interface, green PC connector, IDE interfaces (2), parallel port, PS/2 mouse interface, serial ports (2), cache slot, IR connector, USB connector
BOSER TECHNOLOGY CO., LTD.
Pentium
HS-5080
Floppy drive interface, IDE interface, parallel port, PS/2 mouse port, serial ports (2), VGA port, IR connector, USB connectors (2), PC/104 connectors (2)
CALIFORNIA GRAPHICS & PERIPHERALS
Pentium
SUNRAY VIA AGP
32-bit PCI slots (3), floppy drive interface, IDE interface (2), parallel port, PS/2 mouse port, serial ports (2), IR connector, AGP slot, USB connector
CALIFORNIA GRAPHICS & PERIPHERALS
Pentium
SUNRAY VIA AGP
32-bit PCI slots (3), floppy drive interface, IDE interface (2), parallel port, PS/2 mouse port, serial ports (2), IR connector, AGP slot, USB connector
CALIFORNIA GRAPHICS & PERIPHERALS, INC.
Pentium
SUNRAY EVOLUTION TX
32-bit PCI slots (4), floppy drive interface, IDE interface (2), parallel port, PS/2 mouse interface, serial ports (2), USB connector, IR connector
CALIFORNIA GRAPHICS & PERIPHERALS, INC.
Pentium
SUNRAY EVOLUTION TX
32-bit PCI slots (4), floppy drive interface, IDE interface (2), parallel port, PS/2 mouse interface, serial ports (2), USB connector, IR connector
CALIFORNIA GRAPHICS & PERIPHERALS, INC.
Pentium
SUNRAY EVOLUTION TX (ATX VERSION)
32-bit PCI slots (4), floppy drive interface, IDE interfaces (2), parallel port, PS/2 mouse port, serial ports (2), IR connector, USB connectors (2), ATX power connector
CALIFORNIA GRAPHICS & PERIPHERALS, INC.
Pentium
SUNRAY II PRO EVOLUTION
32-bit PCI slots (4), floppy drive interface, green PC connector, IDE interfaces (2), parallel port, PS/2 mouse interface, serial ports (2), cache slot, IR connector
CALIFORNIA GRAPHICS & PERIPHERALS, INC.
Pentium
SUNRAY II VIA
32-bit PCI slots (4), floppy drive interface, green PC connector, IDE interface (2), parallel port, PS/2 mouse port, serial ports (2), ATX power connector, USB connector, IR connector
CALIFORNIA GRAPHICS & PERIPHERALS, INC.
Pentium
SUNRAY II VIA
32-bit PCI slots (4), floppy drive interface, green PC connector, IDE interface (2), parallel port, PS/2 mouse port, serial ports (2), ATX power connector, USB connector, IR connector
CALIFORNIA GRAPHICS & PERIPHERALS, INC.
Pentium
SUNRAY II VX
32-bit PCI slots (4), floppy drive interface, green PC connector, IDE interfaces (2), parallel port, PS/2 mouse interface, serial ports (2), cache slot, IR connector, USB connector
CHAINTECH COMPUTER COMPANY, LTD.
Pentium
586IEM0.1
32-bit PCI slots (4), floppy drive interface, green PC connector, IDE interfaces (2), parallel port, serial ports (2), VRM module connector, cache slot
CHAINTECH COMPUTER COMPANY, LTD.
Pentium
586IPI
32-bit PCI slots (4), IDE interfaces (2)
CHAINTECH COMPUTER COMPANY, LTD.
Pentium
586SBM0.1
32-bit PCI slots (3), floppy drive interface, green PC connector, IDE interfaces (2), parallel port, serial ports (2)
CHAINTECH COMPUTER COMPANY, LTD.
Pentium
586SEM0.1
32-bit PCI slots (4), floppy drive interface, green PC connector, IDE interfaces (2), parallel port, serial ports (2), VRM module connector, cache slot
CHAINTECH COMPUTER COMPANY, LTD.
Pentium
586SLM.3
32-bit PCI slots (3), floppy drive interface, green PC connector, IDE interface, parallel port, serial ports (2)
CHAINTECH COMPUTER COMPANY, LTD.
Pentium
5HTM0.1
32-bit PCI slots (4), floppy drive interface, green PC connector, IDE interfaces (2), parallel port, PS/2 mouse port, serial ports (2), cache slot, IR connector, USB connector, ATX power connector
CHAINTECH COMPUTER COMPANY, LTD.
Pentium
5IDM2.1
32-bit PCI slots (4), floppy drive interface, green PC connector, IDE interfaces (2), parallel port, serial ports (2), VRM module connector
CHAINTECH COMPUTER COMPANY, LTD.
Pentium
5IEM2.2
32-bit PCI slots (4), floppy drive interface, green PC connector, IDE interfaces (2), parallel port, serial ports (2), VRM connector, cache slot, IR connector
CHAINTECH COMPUTER COMPANY, LTD.
Pentium
5IFM
32-bit PCI slots (4), floppy drive interface, green PC connector, IDE interfaces (2), parallel port, PS/2 mouse interface, serial ports (2), cache slot, IR connector
CHAINTECH COMPUTER COMPANY, LTD.
Pentium
5IFM1.2
32-bit PCI slots (4), floppy drive interface, green PC connector, IDE interfaces (2), parallel port, PS/2 mouse interface, serial ports (2), cache slot, IR connector, USB connector
CHAINTECH COMPUTER COMPANY, LTD.
Pentium
5IGM0.3
32-bit PCI slots (4), floppy drive interface, green PC connector, IDE interfaces (2), parallel port, PS/2 mouse interface, serial ports (2), cache slot, IR connector
CHAINTECH COMPUTER COMPANY, LTD.
Pentium
5IGM1.1
32-bit PCI slots (4), floppy drive interface, green PC connector, IDE interfaces (2), parallel port, PS/2 mouse interface, serial ports (2), cache slot, IR connector, USB connector
CHAINTECH COMPUTER COMPANY, LTD.
Pentium
5SBA
32-bit PCI slots (3), floppy drive interface, game/MIDI port, green PC connector, IDE interfaces (2), parallel port, serial ports (2), VESA feature connector, VRM connector, cache slot, MediaBus slot, IR connector
CHAINTECH COMPUTER COMPANY, LTD.
Pentium
5SEM4.1
32-bit PCI slots (4), floppy drive interface, green PC connector, IDE interfaces (2), parallel port, serial ports (2), cache slot, IR connector, VRM connector
CHAINTECH COMPUTER COMPANY, LTD.
Pentium
5SLB.1
32-bit PCI slots (3), green PC connector
CHAINTECH COMPUTER COMPANY, LTD.
Pentium
5TDM2
32-bit PCI slots (4), floppy drive interface, green PC connector, IDE interfaces (2), parallel port, PS/2 mouse interface, serial ports (2), IR connector, USB connector, ATX power connector
CHAINTECH COMPUTER COMPANY, LTD.
Pentium
5TLM
32-bit PCI slots (4), floppy drive interface, green PC connector, IDE interfaces (2), parallel port, PS/2 mouse interface, serial ports (2), IR connector, USB connectors (2), ATX power connector
CHAINTECH COMPUTER COMPANY, LTD.
Pentium
5VGM1.1
32-bit PCI slots (4), floppy drive interface, green PC connector, IDE interfaces (2), parallel port, PS/2 mouse interface, serial ports (2), IR connector, USB connector
CHAINTECH COMPUTER COMPANY, LTD.
Pentium
CT-5AGM
32-bit PCI slots (3), floppy drive interface, green PC connector, IDE interfaces (2), parallel port, PS/2 mouse interface, serial ports (2), IR connector, USB connectors (2), ATX power connector, AGP slot
CHAINTECH COMPUTER COMPANY, LTD.
Pentium
CT-5AGM2
32-bit PCI slots (3), floppy drive interface, green PC connector, IDE interfaces (2), parallel port, PS/2 mouse interface, serial ports (2), IR connector, USB connectors (2), ATX power connector, AGP slot
CHAINTECH COMPUTER COMPANY,LTD.
Pentium
586SEM
Parallel port, serial ports (2), 32-bit PCI slots (4), green PC connector, floppy drive interface, IDE interfaces (2), cache slot, VRM module
COMPAQ COMPUTER CORPORATION
Pentium
DESKPRO 2000 (PENTIUM)
Floppy drive interface, IDE interfaces (2), parallel port, PS/2 mouse port, serial ports (2), VGA port, riser slot, cache slot
COMPAQ COMPUTER CORPORATION
Pentium
DESKPRO 4000/6000 (PENTIUM)
Unidentified
COMPAQ COMPUTER CORPORATION
Pentium MMX
DESKPRO 4000N, 4000S
Ethernet AUI connector, Ethernet 10BaseT connector, floppy drive interface, IDE interface, parallel port, PS/2 mouse port, serial ports (2), VGA port, riser slot, USB connectors (2), ATX power connector, CD-ROM interface, LS-120 connector
COMPAQ COMPUTER CORPORATION
Pentium
DESKPRO 450/466/4100
Parallel port, PS/2 mouse port, serial port, VGA feature connector, VGA port, ethernet port, AUI port, video memory interface
[no image]COMPAQ COMPUTER CORPORATION
Pentium
DESKPRO 5120/5133/5150/5166
Unidentified
COMPAQ COMPUTER CORPORATION
Pentium
DESKPRO 575/590/5100
Parallel port, PS/2 mouse port, serial port, VGA feature connector, VGA port, ethernet port, AUI port, video memory interface
COMPAQ COMPUTER CORPORATION
Pentium
DESKPRO XE Pentium
External cache card, floppy drive interface, IDE interface, parallel port, PS/2 mouse port, serial port, VGA port
COMPAQ COMPUTER CORPORATION
Pentium
PRESARIO 5500 SERIES
PS/2 mouse port, LPB/MPEG connector, parallel port, audio line out connector, audio line in connector, MGEG connector, feature connector, microphone in connector, speaker/headphone out connector, serial port, wavetable connector, game/MIDI port, MPE
COMPAQ COMPUTER CORPORATION
Pentium
PRESARIO 6700/8700
Riser slot, cache slot
COMPAQ COMPUTER CORPORATION
Pentium
PRESARIO 7100 SERIES (PENTIUM SYSTEM)
Floppy drive interface, IDE interfaces (2), parallel port, PS/2 mouse port, serial port, VGA VESA feature connector, VGA port, riser slot, speaker/headphone out connector, line in connector, audio line in connector, game/MIDI connector, CD-ROM audio
COMPAQ COMPUTER CORPORATION
Pentium
PRESARIO 7200/7600
Unidentified
COMPAQ COMPUTER CORPORATION
Pentium
PRESARIO 9200/9600
Unidentified
COMPAQ COMPUTER CORPORATION
Pentium
PRESARIO 9500
Unidentified
COMPAQ COMPUTER CORPORATION
Pentium
PRESARIO CDS 774/972/974/982/992
Parallel port, PS/2 mouse port, serial ports (2), VGA feature connector, VGA port, modem port, CD-ROM audio connector, modem audio connector, video memory interface
COMPAQ COMPUTER CORPORATION
Pentium
PRESARIO SERIES
Parallel port, PS/2 mouse port, serial ports (2), VGA feature connector, VGA port, modem port, CD-ROM audio connector, modem audio connector, video memory interface
COMPAQ COMPUTER CORPORATION
Pentium
PROLIANT 2000R
Unidentified
[no image]COMPAQ COMPUTER CORPORATION
Pentium
PROLIANT 4500
32-bit VESA local bus slots (2), 32-bit PCI slots (2), bus mouse port, CD-ROM interface, floppy drive interface, game port, green PC connector, IDE interface, Fast SCSI-2 connector, Fast-Wide SCSI-2 connector, parallel port, PS/2 mouse port, serial p
[no image]COMPAQ COMPUTER CORPORATION
Pentium
PROLIANT 4500R
Parallel port, serial port, PS/2 mouse interface, VGA port, Fast-Wide SCSI-2 interface, RJ-45 connector, BNC connector
[no image]COMPAQ COMPUTER CORPORATION
Pentium
PROLINEA 5120/5133/5150/5166
Unidentified
[no image]COMPAQ COMPUTER CORPORATION
Pentium
PROLINEA 5120E
Unidentified
[no image]COMPAQ COMPUTER CORPORATION
Pentium
PROSIGNIA 200
IDE interface, Ultra-Wide SCSI interface (optional), Fast-Wide SCSI interface (optional), parallel port, PS/2 mouse port, serial port, VGA port
COMPULINK RESEARCH, INC.
Pentium
PT5-AX
32-bit PCI slots (4), floppy drive interface, IDE interfaces (2), parallel port, PS/2 mouse port, serial ports (2), cache slot, IR connector, ATX power connector, extended PCI slot
COMPUTREND SYSTEMS, INC.
Pentium
PCI PENTIUM (MODEL NO. 200C)
32-bit PCI slots (4), floppy drive interface, IDE interfaces (2), parallel port, PS/2 mouse interface, serial ports (2), cache slot, IR connector, USB connector
COMPUTREND SYSTEMS, INC.
Pentium
PCI PENTIUM AL1 (586ALI)
32-bit PCI slots (4), green PC connector
COMPUTREND SYSTEMS, INC.
Pentium
PCI PENTIUM AL3
32-bit PCI slots (3), floppy drive interface, green PC connector, IDE interfaces (2), parallel port, serial ports (2)
COMPUTREND SYSTEMS, INC.
Pentium
PCI PENTIUM AL4
32-bit PCI slots (4), floppy drive interface, green PC connector, IDE interfaces (2), parallel port, serial ports (2)
COMPUTREND SYSTEMS, INC.
Pentium
PCI430TX
32-bit PCI slots (4), 22floppy drive interface, green PC connector, IDE interfaces (2), parallel port, PS/2 mouse port, PS/2 mouse interface, serial ports (2), cache slot, IR connector, USB connector
COMPUTREND SYSTEMS, INC.
Pentium
PREMIO PCI PENTIUM S17
32-bit PCI slots (4), floppy drive interface, green PC connector, IDE interfaces (2), parallel port, PS/2 mouse port, serial ports (2), VRM connector
COMPUTREND SYSTEMS, INC.
Pentium
PREMIO TRITON
32-bit PCI slots (4), floppy drive interface, IDE interfaces (2), parallel port, PS/2 mouse port, serial ports (2)
COMPUTREND SYSTEMS, INC.
Pentium
TR4
32-bit PCI slots (4), floppy drive interface, green PC connector, IDE interfaces (2), parallel port, PS/2 mouse port, serial ports (2), IR connector, USB connectors (2), ATX power connector
CONCORD OFFICE AUTOMATION INDUSTRIAL (HK) LTD.
Pentium
COA-530
32-bit PCI slots (4), floppy drive interface, green PC connector, IDE interfaces (2), parallel port, PS/2 mouse port, serial ports (2), cache slot, IR connector, USB connector
CONCORD OFFICE AUTOMATION INDUSTRIAL (HK), LTD.
CX GXI
COA-G10LV2
64-bit PCI slots (2), floppy drive interface, IDE interfaces (2), parallel port, PS/2 mouse port, serial ports (2), IR connector
CONCORD OFFICE AUTOMATION INDUSTRIAL (HK), LTD.
CX GX
COA-G20M
32-bit PCI slots (2), floppy drive interface, game interface, green PC connector, IDE interfaces (2), parallel port, PS/2 mouse interface, serial ports (2), VGA interface, USB connector, audio in – CD-ROMs (2)
CONCORD OFFICE AUTOMATION INDUSTRIAL (HK), LTD.
CX GXM
COA-G20MX
32-bit PCI slots (2), floppy drive interface, game interface, IDE interfaces (2), parallel port, PS/2 mouse interface, serial ports (2), VGA interface, audio in – CD-ROMs (2),
CSS LABORATORIES, INC.
Pentium
MAXPRO, MAXSYS, PRORACK 575, 590, 5/100, 5/120, 5/133, MB-5863
32-bit PCI slots (3), floppy drive interface, IDE interface, parallel port, auxiliary parallel port, PS/2 mouse interface, serial ports (2), auxiliary serial ports (2), cache slot, auxiliary keyboard interfaces (2)
CSS LABORATORIES, INC.
Pentium
MB-5865
32-bit PCI slots (4), floppy drive interface, IDE interfaces (2), parallel port, PS/2 mouse interface, serial ports (2), cache slot, IR connector, VRM connector, USB connectors (2)
CSS LABORATORIES, INC.
CX GXI
MODEL GXI
Ethernet 10/100BaseT connector, floppy drive interface, IDE interfaces (2), parallel port, PS/2 mouse interface, serial ports (2)
CSS LABORATORIES, INC.
Pentium
MS-5861
Floppy drive interface, IDE interfaces (2), parallel port, serial ports (2), cache slot
CSS LABORATORIES, INC.
Pentium
PB-10606
32-bit PCI slots (6), CPU slot, PS/2 mouse interface, IR connector
CSS LABORATORIES, INC.
Pentium
PB-10804
32-bit PCI slots (4), CPU slot, PS/2 mouse interface, IR connector
CSS LABORATORIES, INC.
Pentium
PB-11604
32-bit PCI slots (4), CPU slot, PS/2 mouse interface, IR connector
CSS LABORATORIES, INC.
Pentium
PREFERRED 560/566 PCI
32-bit PCI bus slots (3), floppy drive interface, IDE interface, parallel port, serial ports (2)
CSS LABORATORIES, INC.
Pentium
PREFERRED 575E, 590E,5/100E, 5/120E, 5/133E, 5/150E PCI ESP, MB-5862
32-bit PCI slots (3), PS/2 mouse interface, cache slot
CSS LABORATORIES, INC.
Pentium
PREFERRED 590 PCI ESP SYSTEMS, MB-5861
32-bit PCI slots (3), floppy drive interface, IDE interface, parallel port, PS/2 mouse interface, serial ports (2), cache clot
CSS LABORATORIES, INC.
Pentium
PREFERRED TR SYSTEMS, MAXPRO MT TR SYSTEMS, PRORACK TR SYSTEMS, MB-5864
32-bit PCI slots (4), floppy drive interface, green PC connector, IDE interfaces (2), parallel port, PS/2 mouse interface, serial ports (2), cache slot
CSS LABORATORIES, INC.
Pentium
SB-5861
Floppy drive interface, IDE interfaces (2), parallel port, serial ports (2), cache slot, VRM connector
CT CONTINENTAL CORPORATION
Pentium
TC-VX1
32-bit PCI slots (4), floppy drive interface, green PC connector, IDE interfaces (2), parallel port, PS/2 mouse interface, serial ports (2), cache slot, IR connector, USB connectors (2)
CX J-BOND COMPUTER SYSTEMS CORPORATION
Pentium
PCI500C-H
32-bit PCI slots (4), floppy drive interface, green PC connector, IDE interfaces (2), SCSI connector, parallel port, PS/2 mouse interface, serial ports (2), cache slot, IR connector, USB connectors (2)