ASUS COMPUTER INTERNATIONAL
TX97-XV (REV. 1.12)
|
Device Type |
Mainboard |
|
Processor |
AM K5/AM K6/Pentium/CX 6x86 |
|
Processor Speed |
75/90/100/120/133/150/166/180/200/233MHz |
|
Chip Set |
Intel 430TX |
|
Video Chip Set |
ATI |
|
Maximum Onboard Memory |
256MB (EDO & SDRAM supported) |
|
Maximum Video Memory |
Unidentified |
|
Cache |
512KB |
|
BIOS |
Unidentified |
|
I/O Options |
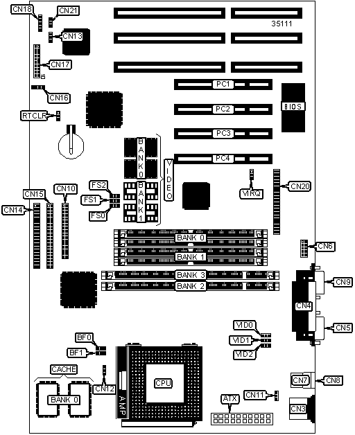
32-bit PCI slots (4), IDE interface (2), parallel port, PS/2 mouse port, serial ports (2), VGA port, AMC connector, USB connectors (2), ATX power connector |

|
CONNECTIONS |
|||
|
Purpose |
Location |
Purpose |
Location |
|
ATX power connector |
ATX |
IDE interface 2 |
CN15 |
|
PS/2 mouse connector |
CN3 |
IDE interface LED |
CN16 |
|
Parallel port |
CN4 |
Power LED & keylock |
CN17/pins 1 - 5 |
|
Serial port 1 |
CN5 |
Speaker |
CN17/pins 7-10 |
|
Serial port 2 |
CN6 |
Message LED |
CN17/pins 12,13 |
|
USB connector 1 |
CN7 |
SMI switch |
CN17/pins 14,15 |
|
USB connector 2 |
CN8 |
ATX power switch |
CN17/pins 16,17 |
|
VGA port |
CN9 |
Reset switch |
CN17/pins 19,20 |
|
Floppy drive interface |
CN10 |
IR connector |
CN18 |
|
Chassis fan power |
CN11 |
AMC connector |
CN20 |
|
CPU fan power |
CN12 |
Chassis fan |
CN21 |
|
Chassis open alarm |
CN13 |
32-bit PCI slots |
PC1 - PC4 |
|
IDE interface 1 |
CN14 |
|
|
|
USER CONFIGURABLE SETTINGS |
|||
|
Function |
Label |
Position |
|
|
» |
CMOS memory normal operation |
RTCLR |
Pins 2 & 3 closed |
|
|
CMOS memory clear |
RTCLR |
Pins 1 & 2 closed |
|
» |
VGA interrupt disabled |
VIRQ |
Pins 1 & 2 closed |
|
|
VGA interrupt enabled |
VIRQ |
Pins 2 & 3 closed |
|
SIMM CONFIGURATION |
||
|
Size |
Bank 0 |
Bank 1 |
|
8MB |
(2)1MB x 32 |
None |
|
16MB |
(2)1MB x 32 |
(2)1MB x 32 |
|
16MB |
(2)2MB x 32 |
None |
|
24MB |
(2)2MB x 32 |
(2)1MB x 32 |
|
32MB |
(2)2MB x 32 |
(2)2MB x 32 |
|
32MB |
(2)4MB x 32 |
None |
|
40MB |
(2)4MB x 32 |
(2)1MB x 32 |
|
48MB |
(2)4MB x 32 |
(2)2MB x 32 |
|
64MB |
(2)4MB x 32 |
(2)4MB x 32 |
|
64MB |
(2)8MB x 32 |
None |
|
72MB |
(2)8MB x 32 |
(2)1MB x 32 |
|
80MB |
(2)8MB x 32 |
(2)2MB x 32 |
|
96MB |
(2)8MB x 32 |
(2)4MB x 32 |
|
128MB |
(2)8MB x 32 |
(2)8MB x 32 |
|
128MB |
(2)16MB x 32 |
None |
|
136MB |
(2)16MB x 32 |
(2)1MB x 32 |
|
144MB |
(2)16MB x 32 |
(2)2MB x 32 |
|
160MB |
(2)16MB x 32 |
(2)4MB x 32 |
|
192MB |
(2)16MB x 32 |
(2)8MB x 32 |
|
256MB |
(2)16MB x 32 |
(2)16MB x 32 |
|
Note : Board accepts both EDO and SDRAM. SIMMS & DIMMS cannot be used together. |
||
|
DIMM CONFIGURATION |
||
|
Size |
Bank 2 |
Bank 3 |
|
8MB |
(1)1MB x 64 |
None |
|
16MB |
(1)1MB x 64 |
(1)1MB x 64 |
|
16MB |
(1)2MB x 64 |
None |
|
24MB |
(1)2MB x 64 |
(1)1MB x 64 |
|
32MB |
(1)2MB x 64 |
(1)2MB x 64 |
|
32MB |
(1)4MB x 64 |
None |
|
40MB |
(1)4MB x 64 |
(1)1MB x 64 |
|
48MB |
(1)4MB x 64 |
(1)2MB x 64 |
|
64MB |
(1)4MB x 64 |
(1)4MB x 64 |
|
64MB |
(1)8MB x 64 |
None |
|
72MB |
(1)8MB x 64 |
(1)1MB x 64 |
|
80MB |
(1)8MB x 64 |
(1)2MB x 64 |
|
96MB |
(1)8MB x 64 |
(1)4MB x 64 |
|
128MB |
(1)8MB x 64 |
(1)8MB x 64 |
|
128MB |
(1)16MB x 64 |
None |
|
136MB |
(1)16MB x 64 |
(1)1MB x 64 |
|
144MB |
(1)16MB x 64 |
(1)2MB x 64 |
|
160MB |
(1)16MB x 64 |
(1)4MB x 64 |
|
192MB |
(1)16MB x 64 |
(1)8MB x 64 |
|
256MB |
(1)16MB x 64 |
(1)16MB x 64 |
|
Note : Board accepts both EDO and SDRAM. |
||
|
CPU SPEED SELECTION (CX 6X86) |
|||||||
|
CPU Speed |
Clock Speed |
Multiplier |
FS0 |
FS1 |
FS2 |
BF0 |
BF1 |
|
166MHz |
66MHz |
2x |
1 & 2 |
2 & 3 |
2 & 3 |
2 & 3 |
1 & 2 |
|
Note : Only the Cyrix REV. 2.7 or later is supported. Numbers designate pins that should be closed. |
|||||||
|
CPU SPEED SELECTION (AM K5) |
|||||||
|
CPU Speed |
Clock Speed |
Multiplier |
FS0 |
FS1 |
FS2 |
BF0 |
BF1 |
|
75MHz |
50MHz |
1.5x |
2 & 3 |
1 & 2 |
2 & 3 |
1 & 2 |
1 & 2 |
|
90MHz |
60MHz |
1.5x |
2 & 3 |
2 & 3 |
2 & 3 |
1 & 2 |
1 & 2 |
|
100MHz |
66MHz |
1.5x |
1 & 2 |
2 & 3 |
2 & 3 |
1 & 2 |
1 & 2 |
|
120MHz |
60MHz |
1.5x |
2 & 3 |
2 & 3 |
2 & 3 |
1 & 2 |
1 & 2 |
|
133MHz |
66MHz |
1.5x |
1 & 2 |
2 & 3 |
2 & 3 |
1 & 2 |
1 & 2 |
|
Note : Numbers designate pins that should be closed. |
|||||||
|
CPU SPEED SELECTION (AM K6) |
|||||||
|
CPU Speed |
Clock Speed |
Multiplier |
FS0 |
FS1 |
FS2 |
BF0 |
BF1 |
|
200MHz |
66MHz |
3x |
1 & 2 |
2 & 3 |
2 & 3 |
1 & 2 |
2 & 3 |
|
233MHz |
66MHz |
3.5x |
1 & 2 |
2 & 3 |
2 & 3 |
1 & 2 |
1 & 2 |
|
Note : Numbers designate pins that should be closed. |
|||||||
|
CPU SPEED SELECTION (INTEL) |
|||||||
|
CPU Speed |
Clock speed |
Multiplier |
FS0 |
FS1 |
FS2 |
BF0 |
BF1 |
|
75MHz |
50MHz |
1.5x |
2 & 3 |
1 & 2 |
2 & 3 |
1 & 2 |
1 & 2 |
|
90MHz |
60MHz |
1.5x |
2 & 3 |
2 & 3 |
2 & 3 |
1 & 2 |
1 & 2 |
|
100MHz |
66MHz |
1.5x |
1 & 2 |
2 & 3 |
2 & 3 |
1 & 2 |
1 & 2 |
|
120MHz |
60MHz |
2x |
2 & 3 |
2 & 3 |
2 & 3 |
2 & 3 |
1 & 2 |
|
133MHz |
66MHz |
2x |
1 & 2 |
2 & 3 |
2 & 3 |
2 & 3 |
1 & 2 |
|
150MHz |
60MHz |
2.5x |
2 & 3 |
2 & 3 |
2 & 3 |
2 & 3 |
2 & 3 |
|
166MHz |
66MHz |
2.5x |
1 & 2 |
2 & 3 |
2 & 3 |
2 & 3 |
2 & 3 |
|
200MHz |
66MHz |
3x |
1 & 2 |
2 & 3 |
2 & 3 |
1 & 2 |
2 & 3 |
|
233MHz |
66MHz |
3.5x |
1 & 2 |
2 & 3 |
2 & 3 |
1 & 2 |
1 & 2 |
|
Note : Numbers designate pins that should be closed. |
|||||||
|
CPU VOLTAGE SELECTION |
|||
|
Voltage |
VID0 |
VID1 |
VID2 |
|
2.8V |
2 & 3 |
2 & 3 |
2 & 3 |
|
2.9V |
2 & 3 |
2 & 3 |
1 & 2 |
|
3.2V |
1 & 2 |
See Note |
2 & 3 |
|
3.4V |
2 & 3 |
1 & 2 |
2 & 3 |
|
3.5V |
2 & 3 |
1 & 2 |
1 & 2 |
|
Note : Jumper should be installed on Pin3 of VID0 and Pin3 of VID1. Numbers designate pins that should be closed. |
|||