PROLINK COMPUTER, INC.
PV-CH7002
|
Card Type |
Video Adapter Card |
|
Chip Set |
Unidentified |
|
Maximum Video Memory |
Unidentified |
|
Video Type: |
VGA |
|
Highest Resolution Supported |
800 x 600 |
|
Data Bus |
8-bit ISA |
|
Card Size |
Half-length, half-height card |
|
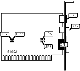
CONNECTIONS | |||
|
Function |
Label |
Function |
Label |
|
15-pin analog video port |
CN1 |
S-Video out |
CN3 |
|
Composite out |
CN2 | ||
|
I2C SOURCE SELECTION | ||
|
Selection |
JP5 |
JP6 |
|
I/O port |
Pins 1 & 2 closed |
Pins 1 & 2 closed |
|
VGA port |
Pins 2 & 3 closed |
Pins 2 & 3 closed |
|
BASE I/O ADDRESS SELECTION | ||
|
Setting |
JP9 |
JP10 |
|
150h |
Closed |
Closed |
|
550h |
Open |
Closed |
|
950h |
Closed |
Open |
|
D50h |
Open |
Open |