WISECOM, INC.
WS-1414IM4
|
Card Type |
Modem (asynchronous) |
|
Chipset |
UMC |
|
Maximum Data Rate |
14.4Kbps |
|
Maximum Fax Rate |
14.4Kbps |
|
Data Bus |
8-bit ISA |
|
Fax Class |
Class I & II |
|
Data Modulation |
Bell 212A ITU-T V.22, V.22bis, V.23, V.32, V.32bis |
|
Fax Modulation |
ITU-T V.17, V.21CH2, V.27ter, V.29 |
|
Error Correction/Compression |
MNP5, V.42, V.42bis |

|
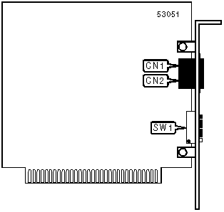
CONNECTIONS | |||
|
Function |
Label |
Function |
Label |
|
Line in |
CN1 |
Line out |
CN2 |
|
SERIAL PORT ADDRESS SELECTION | ||
|
Setting |
SW1/1 |
SW1/2 |
|
3F8h (COM1:) |
On |
On |
|
2F8h (COM2:) |
Off |
On |
|
3E8h (COM3:) |
On |
Off |
|
2E8h (COM4:) |
Off |
Off |
|
INTERRUPT SELECTION | ||||
|
Setting |
SW1/3 |
SW1/4 |
SW1/5 |
SW1/6 |
|
IRQ2 |
On |
Off |
Off |
Off |
|
IRQ3 |
Off |
On |
Off |
Off |
|
IRQ4 |
Off |
Off |
On |
Off |
|
IRQ5 |
Off |
Off |
Off |
On |
|
SUPPORTED STANDARD COMMANDS |
|
Basic AT Commands |
|
+++, ‘comma’, A/ |
|
A, D, E, H, L, M, N, O, P, Q, T, V, X, Y, Z |
|
&C, &D, &F, &G, &K, &L, &P, &S, &T, &V, &W, &Y, &Z |
|
Extended AT Commands |
|
\A, \B, \C, \G, \J, \K, \N, \Q, \T, \X |
|
%A, %B, %C, %D, %E, %N, %Q |
|
S-Registers |
|
S0, S1, S2, S3, S4, S5, S6, S7, S8, S9, S10, S11, S12, S14, S16, S18, S21, S22, S23, S25, S26 |
|
S27, S30, S91 |
Note: See MHI documentation for complete information. |
|
UNIDENTIFIED COMMANDS | |
|
Command |
Default |
|
S15 |
83 |
|
S17 |
75 |
|
S19 |
3 |
|
S20 |
0 |
|
S24 |
72 |
|
S28 |
16 |
Proprietary AT Command Set
|
AUTO-RELIABLE FALLBACK CHARACTER | |
|
Type: |
Register |
|
Format: |
AT [cmds] S29=n [cmds] |
|
Default: |
0 |
|
Range: |
Unidentified |
|
Unit: |
1 ASCII character |
|
Description: |
Sets the character used as the auto-reliable fallback character. |
|
COMMUNICATION PROTOCOLS | |
|
Type: |
Configuration |
|
Format: |
AT [cmds] Bn [cmds] |
|
Description: |
Selects the communication protocol for low-speed data calls. |
|
Command |
Protocol |
|
B0 |
Modem will use ITU-T V.22 at 1200bps. |
|
í B1 |
Modem will use Bell 212A at 1200bps. |
|
B2 |
Modem will use ITU-T V.23 at 1200bps. |
|
DISPLAY INFORMATION | |
|
Type: |
Immediate |
|
Format: |
AT [cmds] In [cmds] |
|
Description: |
Displays information requested about the modem. |
|
Command |
Function |
|
I0 |
Displays product identification code. |
|
I1 |
Displays ROM checksum. |
|
I2 |
Tests and displays ROM checksum. |
|
I3 |
Displays firmware revision and model ID. |
|
I5 |
Displays country code. |
|
EXTENDED RESULT CODES | |
|
Type: |
Configuration |
|
Format: |
AT [cmds] \Vn [cmds] |
|
Description: |
Selects error correction and compression extended result codes. |
|
Command |
Function |
|
\V0 |
Error correction and compression extended result codes disabled. |
|
\V1 |
\REL added to reliable mode connections. |
|
í \V2 |
All error correction and compression extended result codes enabled. |
|
SLEEP TIMER | |
|
Type: |
Register |
|
Format: |
AT [cmds] S13=n [cmds] |
|
Default: |
6 |
|
Range: |
0 - 255 |
|
Unit: |
1 second |
|
Description: |
The function of this register is unidentified. |