POWERCOM AMERICA, INC.
9624 POCKET
|
Card Type |
Fax, Modem (asynchronous) |
|
Chip Set |
Unidentified |
|
Maximum Data Rate |
2400bps |
|
Maximum Fax Rate |
9600bps |
|
Data Bus |
External |
|
Fax Class |
Class I |
|
Data Modulation Protocol |
Bell 103/212A ITU-T V.21, V.22, V.22bis, V.23 |
|
Fax Modulation Protocol |
ITU-T V.21CH2, V.27ter, V.29 |
|
Error Correction/Compression |
MNP5, V.42bis |

|
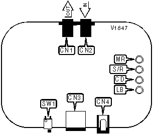
CONNECTIONS | ||||||
|
Function |
Label |
Function |
Label | |||
|
Line out |
CN1 |
DC power |
CN4 | |||
|
Line in |
CN2 |
Power switch |
SW1 | |||
|
RS-232D |
CN3 | |||||
|
DIAGNOSTIC LED(S) | |||
|
LED |
Color |
Status |
Condition |
|
LB |
Red |
On |
9VDC battery power exhausted |
|
LB |
Red |
Off |
9VDC battery power OK |
|
CD |
Red |
On |
Carrier signal detected |
|
CD |
Red |
Off |
Carrier signal not detected |
|
S/R |
Red |
On |
Modem is receiving or transmitting data |
|
S/R |
Red |
Off |
Modem is not receiving or transmitting data |
|
MR |
Red |
On |
Power is on |
|
MR |
Red |
Off |
Power is off |
|
MISCELLANEOUS TECHNICAL NOTES |
Note: On US models; V.23, MNP5, V.42, V.42bis is not applicable. |
Proprietary AT Command Set
See document V1833 for a full command summary.