CREATIX POLYMEDIA
SIERRA VOICE PNP 28.8 (INTERNAL REV.1)
|
Card Type |
Fax, Modem (asynchronous), Voice |
|
Chip Set |
Sierra |
|
I/O Options |
Voice |
|
Maximum Data Rate |
28.8Kbps |
|
Maximum Fax Rate |
14.4Kbps |
|
Data Bus |
8-bit ISA |
|
Fax Class |
Class I & II |
|
Data Modulation Protocol |
Bell 103A/212A ITU-T V.21, V.22, V.22bis, V.32, V.32bis, V.34 |
|
Fax Modulation Protocol |
ITU-T V.17, V.21CH2, V.27ter, V.29 |
|
Error Correction/Compression |
MNP5, V.42, V.42bis |

|
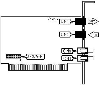
CONNECTIONS | ||||||
|
Function |
Label |
Function |
Label | |||
|
Line out |
CN1 |
Speaker out |
CN3 | |||
|
Line in |
CN2 |
Microphone in |
CN4 | |||
|
SERIAL PORT ADDRESS | ||
|
Setting |
JP6/A |
JP6/B |
|
COM1 (3F8h) |
Open |
Open |
|
COM2 (2F8h) |
Closed |
Open |
|
COM3 (3E8h) |
Open |
Closed |
|
í COM4 (2E8h) |
Closed |
Closed |
|
INTERRUPT | ||||||
|
Setting |
JP6/C |
JP6/D |
JP6/E |
JP6/F |
JP6/G |
JP6/H |
|
í 3 |
Closed |
Open |
Open |
Open |
Open |
Open |
|
4 |
Open |
Closed |
Open |
Open |
Open |
Open |
|
5 |
Open |
Open |
Closed |
Open |
Open |
Open |
|
10 |
Open |
Open |
Open |
Closed |
Open |
Open |
|
11 |
Open |
Open |
Open |
Open |
Closed |
Open |
|
12 |
Open |
Open |
Open |
Open |
Open |
Closed |
Proprietary AT Command Set
See document V1896 for a full command summary.