ZERO ONE NETWORKING
ZOT-N100AT
|
NIC Type |
ARCnet |
|
Network Transfer Rate |
2.5Mbps |
|
Data Bus |
8-bit ISA |
|
Topology |
Star |
|
Wiring Type |
Unshielded twisted pair |
|
Boot ROM |
Available |
|
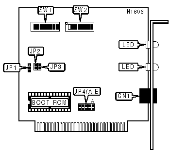
CONNECTIONS | |
|
Function |
Label |
|
Unshielded twisted pair port |
CN1 |
|
BASE I/O ADDRESS SELECTION | ||||
|
Address |
SW2/1 |
SW2/2 |
SW2/3 | |
|
260-26Fh |
On |
On |
On | |
|
290-29Fh |
On |
On |
Off | |
| » |
2E0-2EFh |
On |
Off |
On |
|
2F0-2FFh |
On |
Off |
Off | |
|
300-30Fh |
Off |
On |
On | |
|
350-35Fh |
Off |
On |
Off | |
|
380-38Fh |
Off |
Off |
On | |
|
3E0-3EFh |
Off |
Off |
Off | |
|
INTERRUPT SELECTION | ||||||
|
IRQ |
JP4/A |
JP4/B |
JP4/C |
JP4/D |
JP4/E | |
| » |
2 |
Closed |
Open |
Open |
Open |
Open |
|
3 |
Open |
Closed |
Open |
Open |
Open | |
|
4 |
Open |
Open |
Closed |
Open |
Open | |
|
5 |
Open |
Open |
Open |
Closed |
Open | |
|
7 |
Open |
Open |
Open |
Open |
Closed | |
|
NODE ADDRESS | ||||||||
|
Node |
SW1/1 |
SW1/2 |
SW1/3 |
SW1/4 |
SW1/5 |
SW1/6 |
SW1/7 |
SW1/8 |
|
1 |
On |
On |
On |
On |
On |
On |
On |
Off |
|
2 |
On |
On |
On |
On |
On |
On |
Off |
On |
|
3 |
On |
On |
On |
On |
On |
On |
Off |
Off |
|
4 |
On |
On |
On |
On |
On |
Off |
On |
On |
|
5 |
On |
On |
On |
On |
On |
Off |
On |
Off |
|
251 |
Off |
Off |
Off |
Off |
Off |
On |
Off |
Off |
|
252 |
Off |
Off |
Off |
Off |
Off |
Off |
On |
On |
|
253 |
Off |
Off |
Off |
Off |
Off |
Off |
On |
Off |
|
254 |
Off |
Off |
Off |
Off |
Off |
Off |
Off |
On |
|
255 |
Off |
Off |
Off |
Off |
Off |
Off |
Off |
Off |
|
Note: SW1/1 is unidentified. | ||||||||
|
RAM ADDRESS RANGE CONFIUGRATION | ||||||
|
RAM Address |
SW2/4 |
SW2/5 |
SW2/6 |
SW2/7 |
SW2/8 | |
|
C:0000-C:07FFh |
On |
On |
On |
On |
On | |
|
C:0800-C:0FFFh |
On |
On |
On |
On |
Off | |
|
C:1000-C17FFh |
On |
On |
On |
Off |
On | |
|
C:1800-C:1FFFh |
On |
On |
On |
Off |
Off | |
|
C:4000-C:47FF |
On |
On |
Off |
On |
On | |
|
C:4800-C:4FFFh |
On |
On |
Off |
On |
Off | |
|
C:5000-C:57FFh |
On |
On |
Off |
Off |
On | |
|
C:5800-C:5FFFh |
On |
On |
Off |
Off |
Off | |
|
C:C000-C:C7FFh |
On |
Off |
On |
On |
On | |
|
C:C800-C:CFFFh |
On |
Off |
On |
On |
Off | |
| » |
C:D000-C:D7FFh |
On |
Off |
On |
Off |
On |
|
C:D800-C:DFFFh |
On |
Off |
On |
Off |
Off | |
|
D:0000-D:07FFh |
On |
Off |
Off |
On |
On | |
|
D:0800-D:07FFh |
On |
Off |
Off |
On |
Off | |
|
D:1000-D17FFh |
On |
Off |
Off |
Off |
On | |
|
D:1800-D:1FFFh |
On |
Off |
Off |
Off |
Off | |
|
D:4000-D:47FFh |
Off |
On |
On |
On |
On | |
|
D:4800-D:4FFFh |
Off |
On |
On |
On |
Off | |
|
D:5000-D:57FFh |
Off |
On |
On |
Off |
On | |
|
D:5800-D:5FFFh |
Off |
On |
On |
Off |
Off | |
|
D:8000-D:87FFh |
Off |
On |
Off |
On |
On | |
|
D:8800-D:8FFFh |
Off |
On |
Off |
On |
Off | |
|
D:9000-D:97FFh |
Off |
On |
Off |
Off |
On | |
|
D:9800-D:9FFFh |
Off |
On |
Off |
Off |
Off | |
|
D:C000-D:C7FFh |
Off |
Off |
On |
On |
On | |
|
D:C800-D:CFFFh |
Off |
Off |
On |
On |
Off | |
|
D:D000-D:D7FFh |
Off |
Off |
On |
Off |
On | |
|
D:D800-D:DFFFh |
Off |
Off |
On |
Off |
Off | |
|
E:0000-E:07FFh |
Off |
Off |
Off |
On |
On | |
|
E:0800-E:0FFFh |
Off |
Off |
Off |
On |
Off | |
|
E:1000-E:17FFh |
Off |
Off |
Off |
Off |
On | |
|
E:1800-E:1FFFh |
Off |
Off |
Off |
Off |
Off | |
|
BOOT ROM CONFIGURATION | ||
|
Setting |
JP1 | |
| » |
Disabled |
Pins 1 & 2 closed |
|
Enabled |
Pins 2 & 3 closed | |
|
EXTENDED TIMEOUT CONFIGURATION | ||
|
Setting |
JP2 |
JP3 |
|
Normal |
Open |
Open |
|
Med. L |
Open |
Closed |
|
Med. H |
Closed |
Open |
|
Maximum |
Closed |
Closed |
|
DIAGNOSTIC LED(S) | ||
|
LED |
Status |
Condition |
|
LED1 |
On |
Power is on |
|
LED1 |
Off |
Power is off |
|
LED2 |
On |
Data is being transmitted/received |
|
LED2 |
Off |
Data is not being transmitted/received |
|
Note: The relative locations of LED1 and LED2 are unidentified. | ||