SVEC COMPUTER CORPORATION
FD0406C/FD0409C
|
NIC Type: |
ARCnet |
|
Transfer Rate: |
2.5Mbps |
|
Data Bus: |
8-bit ISA |
|
Topology: |
Linear bus (FD0409C) Star (FD0406C) |
|
Wiring Type |
RG62A/U 93ohm coaxial |
|
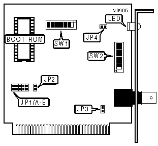
Boot ROM |
Available |
|
INTERRUPT SELECT - JP1 | ||||||
|
IRQ |
Jumper A |
Jumper B |
Jumper C |
Jumper D |
Jumper E | |
| » |
IRQ2 |
Closed |
Open |
Open |
Open |
Open |
|
IRQ3 |
Open |
Closed |
Open |
Open |
Open | |
|
IRQ4 |
Open |
Open |
Closed |
Open |
Open | |
|
IRQ5 |
Open |
Open |
Open |
Closed |
Open | |
|
IRQ7 |
Open |
Open |
Open |
Open |
Closed | |
|
BOOT ROM | ||
|
Setting |
JP2 | |
| » |
Disabled |
Open |
|
Enabled |
Closed | |
|
ON-BOARD TERMINATOR | ||
|
Setting |
JP3 | |
| » |
Enabled |
Closed |
|
Disabled |
Open | |
|
MEMORY ADDRESS | |||||||
|
RAM Address |
ROM Address |
SW1/1 |
SW1/2 |
SW1/3 |
SW1/4 |
SW1/5 | |
| » |
D0000h |
D2000h |
On |
On |
Off |
Off |
On |
|
C0000h |
C2000h |
On |
On |
On |
On |
On | |
|
C0800h |
C2000h |
Off |
On |
On |
On |
On | |
|
C1000h |
C2000h |
On |
Off |
On |
On |
On | |
|
C1800h |
C2000h |
Off |
Off |
On |
On |
On | |
|
C4000h |
C6000h |
On |
On |
Off |
On |
On | |
|
C4800h |
C6000h |
Off |
On |
Off |
On |
On | |
|
C5000h |
C6000h |
On |
Off |
Off |
On |
On | |
|
C5800h |
C6000h |
Off |
Off |
Off |
On |
On | |
|
CC000h |
CE000h |
On |
On |
On |
Off |
On | |
|
CC800h |
CE000h |
Off |
On |
On |
Off |
On | |
|
CD000h |
CE000h |
On |
Off |
On |
Off |
On | |
|
CD800h |
CE000h |
Off |
Off |
On |
Off |
On | |
|
D0800h |
D2000h |
Off |
On |
Off |
Off |
On | |
|
D1000h |
D2000h |
On |
Off |
Off |
Off |
On | |
|
D1800h |
D2000h |
Off |
Off |
Off |
Off |
On | |
|
D4000h |
D6000h |
On |
On |
On |
On |
Off | |
|
D4800h |
D6000h |
Off |
On |
On |
On |
Off | |
|
D5000h |
D6000h |
On |
Off |
On |
On |
Off | |
|
D5800h |
D6000h |
Off |
Off |
Off |
On |
Off | |
|
D4000h |
D6000h |
On |
On |
On |
On |
Off | |
|
D4800h |
D6000h |
Off |
On |
On |
On |
Off | |
|
D5000h |
D6000h |
On |
Off |
On |
On |
Off | |
|
D5800h |
D6000h |
Off |
Off |
Off |
On |
Off | |
|
D4000h |
D6000h |
On |
On |
On |
On |
Off | |
|
D4800h |
D6000h |
Off |
On |
On |
On |
Off | |
|
D5000h |
D6000h |
On |
Off |
On |
On |
Off | |
|
D5800h |
D6000h |
Off |
Off |
Off |
On |
Off | |
|
E0000h |
E2000h |
On |
On |
Off |
Off |
Off | |
|
E0800h |
E2000h |
Off |
On |
Off |
Off |
Off | |
|
E1000h |
E2000h |
On |
Off |
Off |
Off |
Off | |
|
E1800h |
E2000h |
Off |
Off |
Off |
Off |
Off | |
|
I/O ADDRESS | ||||
|
Address |
SW1/6 |
SW1/7 |
SW1/8 | |
| » |
2E0h |
On |
Off |
On |
|
260h |
On |
On |
On | |
|
290h |
Off |
On |
On | |
|
2E0h |
On |
Off |
On | |
|
2F0h |
Off |
Off |
On | |
|
300h |
On |
On |
Off | |
|
350h |
Off |
On |
Off | |
|
380h |
On |
Off |
Off | |
|
3E0h |
Off |
Off |
Off | |
|
NODE ID NUMBER | ||||||||
|
ID # |
SW2/1 |
SW2/2 |
SW2/3 |
SW2/4 |
SW2/5 |
SW2/6 |
SW2/7 |
SW2/8 |
|
255 |
Off |
Off |
Off |
Off |
Off |
Off |
Off |
Off |
|
35 |
Off |
Off |
On |
On |
On |
Off |
On |
On |
|
1 |
Off |
On |
On |
On |
On |
On |
On |
On |
|
Note:Nodes can be numbered from 1 to 255. The switches are a binary representation of the node numbers. When a switch is off, the corresponding bit is set to 1 and has the following decimal value: SW2/1=1, SW2/2=2, SW2/3=4, SW2/4=8, SW2/5=16, SW2/6=32, SW2/7=64, SW2/8=128. | ||||||||
|
DIAGNOSTIC LED | |
|
Status |
Condition |
|
On |
Network connected successfully/data is being transmitted or received |
|
Off |
Power off/network not connected successfully |
|
Dim |
Heavy data traffic on network |
|
CONNECTORS | |
|
Purpose |
Location |
|
External LED connector |
JP4 |