LANCAST
4322-31
|
Card Type |
Transceiver |
|
NIC Type |
Ethernet |
|
Network Transfer Rate |
10Mbps |
|
Topology |
Star |
|
Wiring Type |
AUI transceiver via DB-15 port, fiber optic cable |
|
Data Bus |
External |
|
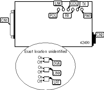
CONNECTIONS | |||
|
Function |
Label |
Function |
Label |
|
AUI transceiver via DB-15 |
CN1 |
Fiber ST connector |
CN2 |
|
DIAGNOSTIC LED(S) | |||
|
LED |
Color |
Status |
Condition |
|
PWR |
Unidentified |
On |
Power is being received from the DTE device |
|
PWR |
Unidentified |
Off |
Power is not being received from the DTE device |
|
COL |
Unidentified |
On |
Collision detected on network |
|
COL |
Unidentified |
Off |
No collision detected on network |
|
TX |
Unidentified |
Blinking |
Data is being transmitted |
|
TX |
Unidentified |
Off |
Data is not being transmitted |
|
RX |
Unidentified |
Blinking |
Data is being received |
|
RX |
Unidentified |
Off |
Data is not being received |
|
LINK |
Unidentified |
On |
UTP link is good |
|
LINK |
Unidentified |
Off |
UTP link is broken |