CABLETRON SYSTEMS, INC.
E2211
|
NIC Type |
Ethernet |
|
Transfer Rate |
10Mbps |
|
Data Bus |
16-bit ISA |
|
Topology |
Star |
|
Wiring Type |
Redundant unshielded twisted pair |
|
Boot ROM |
Available |
|
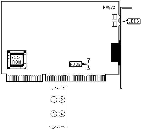
DIAGNOSTIC LED(S) | |||
|
LED |
Color |
Status |
Condition |
|
LED1 |
Green |
Blinking |
Data is being transmitted |
|
LED1 |
Green |
Off |
Data is not being transmitted |
|
LED2 |
Red |
Blinking |
Collision detected |
|
LED2 |
Red |
Off |
No collision |
|
LED3 |
Yellow |
Blinking |
Data is being received |
|
LED3 |
Yellow |
Off |
Data is not being received |
|
LED4 |
Green |
On |
Network connection is good |
|
LED4 |
Green |
Off |
Network connection is broken |
|
Note: LED2 is always off in full duplex mode. | |||