TOTEM TECHNOLOGY CO., LTD.
TM-586VA
|
Device Type |
Mainboard |
|
Processor |
CX 6X86/CX 686MX/AM 5K86/AM K5/AM K6/Pentium/Pentium MMX |
|
Processor Speed |
75/90/100/120/133/150/166/200/233/266/300MHz |
|
Chip Set |
VIA Apollo |
|
Maximum Onboard Memory |
512MB (EDO & SDRAM supported) |
|
Cache |
512KB |
|
BIOS |
Award |
|
Dimensions |
220mm x 190mm |
|
I/O Options |
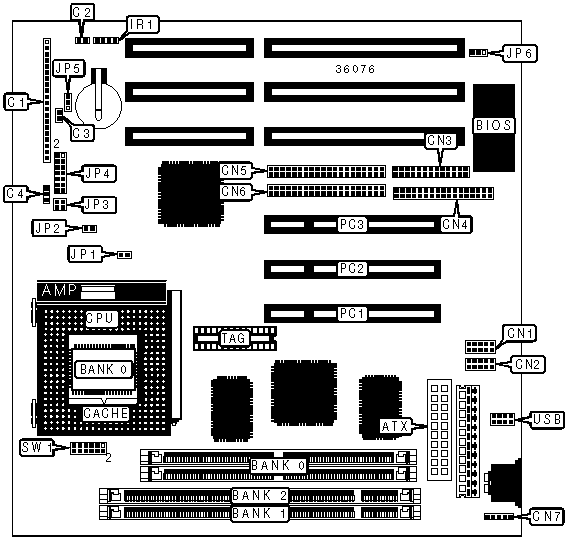
32-bit PCI slots (3), floppy drive interface, IDE interfaces (2), parallel port, PS/2 mouse interface, serial ports (2), IR connector, USB connector, ATX power connector |
|
CONNECTIONS | |||
|
Purpose |
Location |
Purpose |
Location |
|
ATX power connector |
ATX |
Reset switch |
C1/pins 12 & 13 |
|
Serial port 1 |
CN1 |
Turbo LED |
C1/pins 15 & 16 |
|
Serial port 2 |
CN2 |
Turbo switch |
C1/pins 18 & 19 |
|
Parallel port |
CN3 |
IDE interface LED |
C1/pins 20 & 21 |
|
Floppy drive interface |
CN4 |
Green PC connector |
C2 |
|
IDE interface 2 |
CN5 |
Soft off power supply |
C3 |
|
IDE interface 1 |
CN6 |
Chassis fan power |
C4 |
|
PS/2 mouse interface |
CN7 |
IR connector |
IR1 |
|
Power LED & keylock |
C1/pins 1 – 5 |
32-bit PCI slots |
PC1 – PC3 |
|
Speaker |
C1/pins 7 - 10 |
USB connector |
USB |
|
USER CONFIGURABLE SETTINGS | |||
|
Function |
Label |
Position | |
|
» |
Factory configured - do not alter |
JP3 |
Unidentified |
|
» |
CMOS memory normal operation |
JP5 |
Pins 1 & 2 closed |
|
CMOS memory clear |
JP5 |
Pins 2 & 3 closed | |
|
» |
Factory configured - do not alter |
JP6 |
Unidentified |
|
SIMM CONFIGURATION | |
|
Size |
Bank 0 |
|
8MB |
(2) 1M x 36 |
|
16MB |
(2) 2M x 36 |
|
32MB |
(2) 4M x 36 |
|
64MB |
(2) 8M x 36 |
|
128MB |
(2) 16M x 36 |
|
256MB |
(2) 32M x 36 |
|
512MB |
(2) 64M x 36 |
|
Note: Board accepts EDO memory. | |
|
DIMM CONFIGURATION | ||
|
Size |
Bank 1 |
Bank 2 |
|
8MB |
(1) 1M x 64 |
None |
|
16MB |
(1) 2M x 64 |
None |
|
16MB |
(1) 1M x 64 |
(1) 1M x 64 |
|
24MB |
(1) 2M x 64 |
(1) 1M x 64 |
|
32MB |
(1) 4M x 64 |
None |
|
32MB |
(1) 2M x 64 |
(1) 2M x 64 |
|
40MB |
(1) 4M x 64 |
(1) 1M x 64 |
|
48MB |
(1) 4M x 64 |
(1) 2M x 64 |
|
64MB |
(1) 8M x 64 |
None |
|
64MB |
(1) 4M x 64 |
(1) 4M x 64 |
|
72MB |
(1) 8M x 64 |
(1) 1M x 64 |
|
DIMM CONFIGURATION | ||
|
Size |
Bank 1 |
Bank 2 |
|
80MB |
(1) 8M x 64 |
(1) 2M x 64 |
|
96MB |
(1) 8M x 64 |
(1) 4M x 64 |
|
128MB |
(1) 16M x 64 |
None |
|
128MB |
(1) 8M x 64 |
(1) 8M x 64 |
|
136MB |
(1) 16M x 64 |
(1) 1M x 64 |
|
144MB |
(1) 16M x 64 |
(1) 2M x 64 |
|
160MB |
(1) 16M x 64 |
(1) 4M x 64 |
|
192MB |
(1) 16M x 64 |
(1) 8M x 64 |
|
256MB |
(1) 16M x 64 |
(1) 16M x 64 |
|
256MB |
(1) 32M x 64 |
None |
|
264MB |
(1) 32M x 64 |
(1) 1M x 64 |
|
272MB |
(1) 32M x 64 |
(1) 2M x 64 |
|
288MB |
(1) 32M x 64 |
(1) 4M x 64 |
|
320MB |
(1) 32M x 64 |
(1) 8M x 64 |
|
384MB |
(1) 32M x 64 |
(1) 16M x 64 |
|
512MB |
(1) 32M x 64 |
(1) 32M x 64 |
|
Note: Board accepts SDRAM memory. | ||
|
CACHE CONFIGURATION | ||
|
Size |
Bank 0 |
TAG |
|
512KB |
(1) 64K x 64 |
Unidentified |
|
CPU SPEED SELECTION (CX 6X86) | ||||||||
|
CPU speed |
Clock speed |
Multiplier |
SW1/ pins 1 & 2 |
SW1/ pins 3 & 4 |
SW1/ pins 5 & 6 |
SW1/ pins 7 & 8 |
SW1/ pins 9 & 10 |
SW1/ pins 11 & 12 |
|
120MHz |
50MHz |
2x |
Open |
Open |
Closed |
Closed |
Closed |
Closed |
|
133MHz |
55MHz |
2x |
Open |
Open |
Closed |
Open |
Closed |
Closed |
|
150MHz |
60MHz |
2x |
Open |
Open |
Closed |
Open |
Closed |
Closed |
|
166MHz |
66MHz |
2x |
Open |
Open |
Closed |
Closed |
Open |
Closed |
|
200MHz |
75MHz |
2x |
Open |
Open |
Closed |
Open |
Closed |
Open |
|
CPU SPEED SELECTION (CX 6X86MX) | ||||||||
|
CPU speed |
Clock speed |
Multiplier |
SW1/ pins 1 & 2 |
SW1/ pins 3 & 4 |
SW1/ pins 5 & 6 |
SW1/ pins 7 & 8 |
SW1/ pins 9 & 10 |
SW1/ pins 11 & 12 |
|
166MHz |
60MHz |
2.5x |
Open |
Closed |
Closed |
Open |
Closed |
Closed |
|
200MHz |
66MHz |
2.5x |
Open |
Closed |
Closed |
Closed |
Open |
Closed |
|
233MHz |
66MHz |
3x |
Open |
Closed |
Open |
Closed |
Open |
Closed |
|
266MHz |
66MHz |
3.5x |
Open |
Open |
Open |
Closed |
Open |
Closed |
|
CPU SPEED SELECTION (AM 5K86) | ||||||||
|
CPU speed |
Clock speed |
Multiplier |
SW1/ pins 1 & 2 |
SW1/ pins 3 & 4 |
SW1/ pins 5 & 6 |
SW1/ pins 7 & 8 |
SW1/ pins 9 & 10 |
SW1/ pins 11 & 12 |
|
75MHz |
50MHz |
1.5x |
Open |
Open |
Open |
Closed |
Closed |
Closed |
|
90MHz |
60MHz |
1.5x |
Open |
Open |
Open |
Open |
Closed |
Closed |
|
CPU SPEED SELECTION (AM K5) | ||||||||
|
CPU speed |
Clock speed |
Multiplier |
SW1/ pins 1 & 2 |
SW1/ pins 3 & 4 |
SW1/ pins 5 & 6 |
SW1/ pins 7 & 8 |
SW1/ pins 9 & 10 |
SW1/ pins 11 & 12 |
|
75MHz |
50MHz |
1.5x |
Open |
Open |
Open |
Closed |
Closed |
Closed |
|
90MHz |
60MHz |
1.5x |
Open |
Open |
Open |
Open |
Closed |
Closed |
|
100MHz |
66MHz |
1.5x |
Open |
Open |
Open |
Closed |
Open |
Closed |
|
120MHz |
60MHz |
1.5x |
Open |
Open |
Open |
Open |
Closed |
Closed |
|
133MHz |
66MHz |
1.5x |
Open |
Open |
Open |
Closed |
Open |
Closed |
|
166MHz |
66MHz |
1.75x |
Open |
Closed |
Closed |
Closed |
Open |
Closed |
|
CPU SPEED SELECTION (AM K6) | ||||||||
|
CPU speed |
Clock speed |
Multiplier |
SW1/ pins 1 & 2 |
SW1/ pins 3 & 4 |
SW1/ pins 5 & 6 |
SW1/ pins 7 & 8 |
SW1/ pins 9 & 10 |
SW1/ pins 11 & 12 |
|
166MHz |
66MHz |
2.5x |
Open |
Closed |
Closed |
Closed |
Open |
Closed |
|
200MHz |
66MHz |
3x |
Open |
Closed |
Open |
Closed |
Open |
Closed |
|
233MHz |
66MHz |
3.5x |
Open |
Open |
Open |
Closed |
Open |
Closed |
|
266MHz |
66MHz |
4x |
Closed |
Open |
Closed |
Closed |
Open |
Closed |
|
300MHz |
66MHz |
4.5x |
Closed |
Closed |
Closed |
Closed |
Open |
Closed |
|
CPU SPEED SELECTION (INTEL) | ||||||||
|
CPU speed |
Clock speed |
Multiplier |
SW1/ pins 1 & 2 |
SW1/ pins 3 & 4 |
SW1/ pins 5 & 6 |
SW1/ pins 7 & 8 |
SW1/ pins 9 & 10 |
SW1/ pins 11 & 12 |
|
75MHz |
50MHz |
1.5x |
Open |
Open |
Open |
Closed |
Closed |
Closed |
|
90MHz |
60MHz |
1.5x |
Open |
Open |
Open |
Open |
Closed |
Closed |
|
100MHz |
66MHz |
1.5x |
Open |
Open |
Open |
Closed |
Open |
Closed |
|
120MHz |
60MHz |
2x |
Open |
Open |
Closed |
Open |
Closed |
Closed |
|
133MHz |
66MHz |
2x |
Open |
Open |
Closed |
Closed |
Open |
Closed |
|
150MHz |
60MHz |
2.5x |
Open |
Closed |
Closed |
Open |
Closed |
Closed |
|
CPU SPEED SELECTION (INTEL MMX) | ||||||||
|
CPU speed |
Clock speed |
Multiplier |
SW1/ pins 1 & 2 |
SW1/ pins 3 & 4 |
SW1/ pins 5 & 6 |
SW1/ pins 7 & 8 |
SW1/ pins 9 & 10 |
SW1/ pins 11 & 12 |
|
166MHz |
66MHz |
2.5x |
Open |
Closed |
Closed |
Closed |
Open |
Closed |
|
200MHz |
66MHz |
3x |
Open |
Closed |
Open |
Closed |
Open |
Closed |
|
233MHz |
66MHz |
3.5x |
Open |
Open |
Open |
Closed |
Open |
Closed |
|
266MHz |
66MHz |
4x |
Closed |
Open |
Closed |
Closed |
Open |
Closed |
|
CPU VOLTAGE SELECTION (SINGLE) | |||
|
Voltage |
JP1 |
JP2 |
JP4 |
|
3.38v |
Closed |
Open |
Pins 3 & 4 closed |
|
3.52v |
Closed |
Open |
Pins 1 & 2 closed |
|
CPU VOLTAGE SELECTION (DUAL) | |||
|
Voltage |
JP1 |
JP2 |
JP4 |
|
2.2v |
Open |
Closed |
Pins 13 & 14 closed |
|
2.8v |
Open |
Closed |
Pins 9 & 10 closed |
|
2.9v |
Open |
Closed |
Pins 7 & 8 closed |
|
3.2v |
Open |
Closed |
Pins 5 & 6 closed |