SHUTTLE COMPUTER INTERNATIONAL, INC.
HOT-671
|
Device Type |
Mainboard |
|
Processor |
Pentium II/Celeron |
|
Processor Speed |
233/266/300/333MHz |
|
Chip Set |
Intel 440EX |
|
Maximum Onboard Memory |
256MB (EDO & SDRAM supported) |
|
Audio Chip Set |
OPTI |
|
Cache |
0/128/256/512KB (located on the CPU) |
|
BIOS |
Award |
|
Dimensions |
244mm x 170mm |
|
I/O Options |
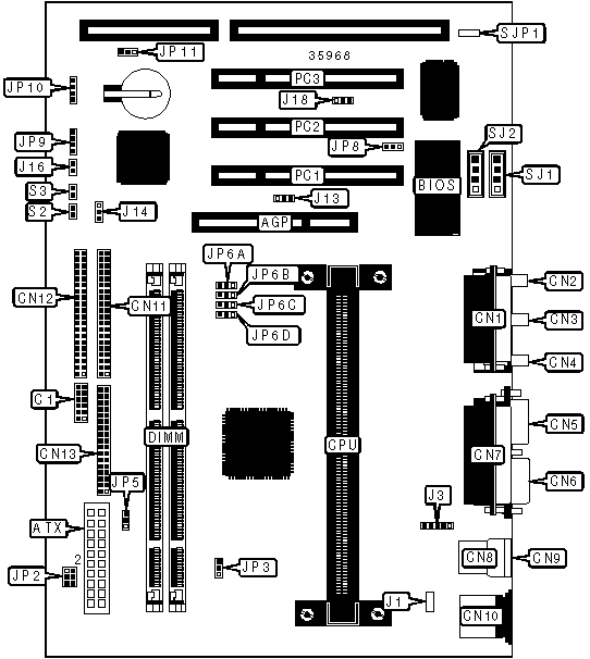
32-bit PCI slots (3), floppy drive interface, game/MIDI port, IDE interfaces (2), parallel port, PS/2 mouse port, PS/2 mouse interface, serial ports (2), serial port, IR connector, USB connectors (2), ATX power connector, AGP slot, line in, line out, microphone in, audio in – CD-ROMs (2), wake on LAN connector |
|
CONNECTIONS | |||
|
Purpose |
Location |
Purpose |
Location |
|
AGP slot |
AGP |
Floppy drive interface |
CN13 |
|
ATX power connector |
ATX |
IR connector |
J3 |
|
EISCA connector |
C1 |
Chassis fan power |
J13 |
|
Game/MIDI port |
CN1 |
Wake on LAN connector |
J14 |
|
Microphone in |
CN2 |
Reset switch |
J16 |
|
Line in |
CN3 |
AGP fan power |
J18 |
|
Line out |
CN4 |
CPU fan power |
JP3 |
|
Serial port 2 |
CN5 |
CPU fan power |
JP5 |
|
Serial port 1 |
CN6 |
Speaker |
JP9 |
|
Parallel port |
CN7 |
Power LED |
JP10 |
|
USB connector 1 |
CN8 |
32-bit PCI slots |
PC1 – PC3 |
|
USB connector 2 |
CN9 |
Soft off power supply |
S2 |
|
PS/2 mouse port |
CN10 |
IDE interface LED |
S3 |
|
IDE interface 2 |
CN11 |
Audio in – CD-ROM |
SJ1 |
|
IDE interface 1 |
CN12 |
Audio in – CD-ROM |
SJ2 |
|
USER CONFIGURABLE SETTINGS | |||
|
Function |
Label |
Position | |
|
» |
Factory configured - do not alter |
J1 |
Unidentified |
|
Flash BIOS voltage select 12v |
JP8 |
Pins 1 & 2 closed | |
|
Flash BIOS voltage select 5v |
JP8 |
Pins 2 & 3 closed | |
|
» |
CMOS memory normal operation |
JP11 |
Pins 1 & 2 closed |
|
CMOS memory clear |
JP11 |
Pins 2 & 3 closed | |
|
» |
Factory configured - do not alter |
SJP1 |
Unidentified |
|
DIMM CONFIGURATION | ||
|
Size |
Bank 0 |
Bank 1 |
|
8MB |
(1) 1M x 64 |
None |
|
16MB |
(1) 2M x 64 |
None |
|
16MB |
(1) 1M x 64 |
(1) 1M x 64 |
|
24MB |
(1) 2M x 64 |
(1) 1M x 64 |
|
32MB |
(1) 4M x 64 |
None |
|
32MB |
(1) 2M x 64 |
(1) 2M x 64 |
|
40MB |
(1) 4M x 64 |
(1) 1M x 64 |
|
48MB |
(1) 4M x 64 |
(1) 2M x 64 |
|
64MB |
(1) 8M x 64 |
None |
|
64MB |
(1) 4M x 64 |
(1) 4M x 64 |
|
72MB |
(1) 8M x 64 |
(1) 1M x 64 |
|
80MB |
(1) 8M x 64 |
(1) 2M x 64 |
|
96MB |
(1) 8M x 64 |
(1) 4M x 64 |
|
DIMM CONFIGURATION (CON’T) | ||
|
Size |
Bank 0 |
Bank 1 |
|
128MB |
(1) 16M x 64 |
None |
|
128MB |
(1) 8M x 64 |
(1) 8M x 64 |
|
136MB |
(1) 16M x 64 |
(1) 1M x 64 |
|
144MB |
(1) 16M x 64 |
(1) 2M x 64 |
|
160MB |
(1) 16M x 64 |
(1) 4M x 64 |
|
192MB |
(1) 16M x 64 |
(1) 8M x 64 |
|
256MB |
(1) 16M x 64 |
(1) 16M x 64 |
|
Note: Board accepts EDO & SDRAM memory. | ||
|
CACHE CONFIGURATION |
|
Note: 256KB/512KB cache is located on the Pentium II CPU. 128KB cache is located on the Celeron 300A & 333 CPU. |
|
CPU SPEED SELECTION | |||||
|
CPU speed |
Clock speed |
Multiplier |
JP2/pins 1 & 2 |
JP2/pins 3 & 4 |
JP2/pins 5 & 6 |
|
233MHz |
66MHz |
3.5x |
Open |
Open |
Open |
|
266MHz |
66MHz |
4x |
Open |
Open |
Open |
|
300MHz |
66MHz |
4.5x |
Open |
Open |
Open |
|
333MHz |
66MHz |
5x |
Open |
Open |
Open |
|
CPU SPEED SELECTION (CON’T) | ||||||
|
CPU speed |
Clock speed |
Multiplier |
JP6A |
JP6B |
JP6C |
JP6D |
|
233MHz |
66MHz |
3.5x |
2 & 3 |
Open |
2 & 3 |
Open |
|
266MHz |
66MHz |
4x |
Open |
2 & 3 |
2 & 3 |
2 & 3 |
|
300MHz |
66MHz |
4.5x |
Open |
2 & 3 |
2 & 3 |
Open |
|
333MHz |
66MHz |
5x |
Open |
Open |
2 & 3 |
2 & 3 |
|
Note: Pins designated should be in the closed position. If BIOS detects multiplier, set all above jumpers to pins 1 & 2 closed | ||||||
|
KEYBOARD/MOUSE SELECTION | ||
|
Setting |
JP1 |
JP4 |
|
Keyboard/mouse power on enabled |
Pins 2 & 3 closed |
Pins 2 & 3, 5 & 6 closed |
|
Keyboard/mouse power on disabled |
Pins 1 & 2 closed |
Pins 1 & 2, 4 & 5 closed |
|
Mouse power on enabled |
Pins 2 & 3 closed |
Pins 2 & 3, 4 & 5 closed |
|
Keyboard power on disabled |
Pins 2 & 3 closed |
Pins 1 & 2, 5 & 6 closed |
|
Note: The location of the above jumpers is unidentified. | ||