TMC RESEARCH CORPORATION
TI6NB (VER. 1.0A)
|
Device Type |
Mainboard |
|
Processor |
Pentium II |
|
Processor Speed |
233/266/300/333/350/400/450MHz |
|
Chip Set |
Intel 440BX |
|
Video Chip Set |
None |
|
Maximum Onboard Memory |
512MB (SDRAM supported) |
|
Maximum Video Memory |
None |
|
Cache |
256/512KB (located on Pentium II CPU) |
|
BIOS |
Award |
|
Dimensions |
305mm x 185mm |
|
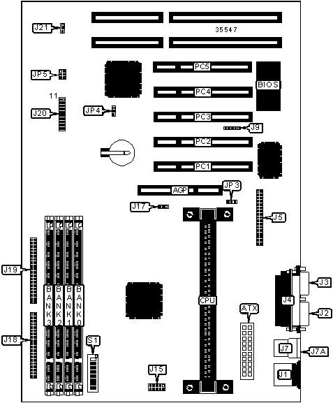
I/O Options |
32-bit PCI slots (5), floppy drive interface, IDE interfaces (2), parallel port, PS/2 mouse port, serial ports (2), IR connector, USB connectors (2), ATX power connector, AGP slot |
|
NPU Options |
None |

|
CONNECTIONS |
|||
|
Purpose |
Location |
Purpose |
Location |
|
AGP slot |
AGP |
IDE interface 1 |
J19 |
|
ATX power connector |
ATX |
Speaker |
J16/pins 1 - 4 |
|
PS/2 mouse port |
J1 |
Soft off power supply |
J16/pins 7 & 17 |
|
Serial port 1 |
J2 |
Turbo LED |
J16/pins 8 & 18 |
|
Serial port 2 |
J3 |
Reset switch |
J16/pins 9 & 19 |
|
Parallel port |
J4 |
IDE interface LED |
J16/pins 10 & 20 |
|
Floppy drive interface |
J5 |
Power LED & keylock |
J16/pins 11 - 15 |
|
USB connector 1 |
J7 |
Chassis fan power |
J21 |
|
USB connector 2 |
J7A |
Wake on LAN connector |
JP3 |
|
IR connector |
J9 |
SB-link connector |
JP5 |
|
CPU fan power |
J17 |
32-bit PCI slots |
PC1 - PC5 |
|
IDE interface 2 |
J18 |
||
|
USER CONFIGURABLE SETTINGS |
|||
|
Function |
Label |
Position |
|
|
» |
Factory configured - do not alter |
J15 |
Unidentified |
|
» |
CMOS memory normal operation |
JP4 |
Pins 1 & 2 closed |
|
|
CMOS memory clear |
JP4 |
Pins 2 & 3 closed |
|
DIMM CONFIGURATION |
||||
|
Size |
Bank 0 |
Bank 1 |
Bank 2 |
Bank 3 |
|
8MB |
(1) 1M x 64 |
None |
None |
None |
|
16MB |
(1) 2M x 64 |
None |
None |
None |
|
16MB |
(1) 1M x 64 |
(1) 1M x 64 |
None |
None |
|
24MB |
(1) 2M x 64 |
(1) 1M x 64 |
None |
None |
|
24MB |
(1) 1M x 64 |
(1) 1M x 64 |
(1) 1M x 64 |
None |
|
32MB |
(1) 4M x 64 |
None |
None |
None |
|
32MB |
(1) 2M x 64 |
(1) 2M x 64 |
None |
None |
|
32MB |
(1) 1M x 64 |
(1) 1M x 64 |
(1) 1M x 64 |
(1) 1M x 64 |
|
40MB |
(1) 4M x 64 |
(1) 1M x 64 |
None |
None |
|
48MB |
(1) 4M x 64 |
(1) 2M x 64 |
None |
None |
|
48MB |
(1) 2M x 64 |
(1) 2M x 64 |
(1) 2M x 64 |
None |
|
64MB |
(1) 2M x 64 |
(1) 2M x 64 |
(1) 2M x 64 |
(1) 2M x 64 |
|
64MB |
(1) 8M x 64 |
None |
None |
None |
|
DIMM CONFIGURATION (CON'T) |
||||
|
Size |
Bank 0 |
Bank 1 |
Bank 2 |
Bank 3 |
|
64MB |
(1) 4M x 64 |
(1) 4M x 64 |
None |
None |
|
72MB |
(1) 8M x 64 |
(1) 1M x 64 |
None |
None |
|
80MB |
(1) 8M x 64 |
(1) 2M x 64 |
None |
None |
|
96MB |
(1) 8M x 64 |
(1) 4M x 64 |
None |
None |
|
96MB |
(1) 4M x 64 |
(1) 4M x 64 |
(1) 4M x 64 |
None |
|
128MB |
(1) 16M x 64 |
None |
None |
None |
|
128MB |
(1) 8M x 64 |
(1) 8M x 64 |
None |
None |
|
128MB |
(1) 4M x 64 |
(1) 4M x 64 |
(1) 4M x 64 |
(1) 4M x 64 |
|
136MB |
(1) 16M x 64 |
(1) 1M x 64 |
None |
None |
|
144MB |
(1) 16M x 64 |
(1) 2M x 64 |
None |
None |
|
152MB |
(1) 16M x 64 |
(1) 1M x 64 |
(1) 1M x 64 |
(1) 1M x 64 |
|
160MB |
(1) 16M x 64 |
(1) 4M x 64 |
None |
None |
|
176MB |
(1) 16M x 64 |
(1) 2M x 64 |
(1) 2M x 64 |
(1) 2M x 64 |
|
192MB |
(1) 16M x 64 |
(1) 8M x 64 |
None |
None |
|
192MB |
(1) 8M x 64 |
(1) 8M x 64 |
(1) 8M x 64 |
None |
|
224MB |
(1) 16M x 64 |
(1) 4M x 64 |
(1) 4M x 64 |
(1) 4M x 64 |
|
256MB |
(1) 16M x 64 |
(1) 16M x 64 |
None |
None |
|
256MB |
(1) 8M x 64 |
(1) 8M x 64 |
(1) 8M x 64 |
(1) 8M x 64 |
|
272MB |
(1) 16M x 64 |
(1) 16M x 64 |
(1) 1M x 64 |
(1) 1M x 64 |
|
288MB |
(1) 16M x 64 |
(1) 16M x 64 |
(1) 2M x 64 |
(1) 2M x 64 |
|
320MB |
(1) 16M x 64 |
(1) 16M x 64 |
(1) 4M x 64 |
(1) 4M x 64 |
|
320MB |
(1) 16M x 64 |
(1) 8M x 64 |
(1) 8M x 64 |
(1) 8M x 64 |
|
384MB |
(1) 16M x 64 |
(1) 16M x 64 |
(1) 16M x 64 |
None |
|
512MB |
(1) 16M x 64 |
(1) 16M x 64 |
(1) 16M x 64 |
(1) 16M x 64 |
|
Note: Board accepts SDRAM memory. |
||||
|
CACHE CONFIGURATION |
|
Note: 256KB/512KB cache is located on the Pentium II CPU. |
|
CPU SPEED SELECTION |
||||||
|
CPU speed |
Clock speed |
Multiplier |
S1/1 |
S1/2 |
S1/3 |
S1/4 |
|
233MHz |
66MHz |
3.5x |
Off |
Off |
Off |
Off |
|
266MHz |
66MHz |
4x |
Off |
Off |
Off |
Off |
|
300MHz |
66MHz |
4.5x |
Off |
Off |
Off |
Off |
|
300MHz |
100MHz |
3x |
Off |
Off |
Off |
Off |
|
333MHz |
66MHz |
5x |
Off |
Off |
Off |
Off |
|
350MHz |
100MHz |
3.5x |
Off |
Off |
Off |
Off |
|
400MHz |
100MHz |
4x |
Off |
Off |
Off |
Off |
|
450MHz |
100MHz |
4.5x |
Off |
Off |
Off |
Off |
|
CPU SPEED SELECTION (CON'T) |
||||||
|
CPU speed |
Clock speed |
Multiplier |
S1/5 |
S1/6 |
S1/7 |
S1/8 |
|
233MHz |
66MHz |
3.5x |
On |
Off |
Off |
On |
|
266MHz |
66MHz |
4x |
Off |
On |
On |
On |
|
300MHz |
66MHz |
4.5x |
Off |
On |
Off |
On |
|
300MHz |
100MHz |
3x |
On |
Off |
On |
On |
|
333MHz |
66MHz |
5x |
Off |
Off |
On |
On |
|
350MHz |
100MHz |
3.5x |
On |
Off |
Off |
On |
|
400MHz |
100MHz |
4x |
Off |
On |
On |
On |
|
450MHz |
100MHz |
4.5x |
Off |
On |
Off |
On |