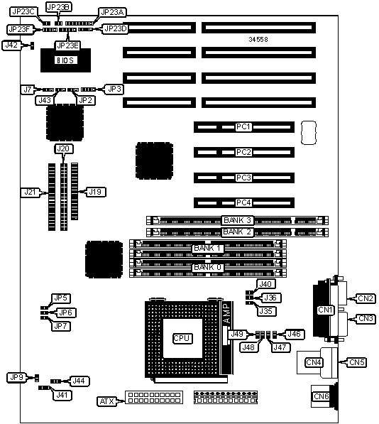
SUPER MICRO
P5MMA2
|
Processor |
CX 6X86/IBM 6X86/AM K5/AM K6/Pentium |
|
Processor Speed |
75/90/100/120/133/150/166/180/200/233MHz |
|
Chip Set |
Intel |
|
Video Chip Set |
None |
|
Maximum Onboard Memory |
256MB (EDO supported) |
|
Maximum Video Memory |
None |
|
Cache |
512KB |
|
BIOS |
AMI |
|
Dimensions |
330mm x 218mm |
|
I/O Options |
32-bit PCI slots (4), floppy drive interface, IDE interfaces (2), parallel port, PS/2 mouse port, serial ports (2), IR connector, USB connectors (2), ATX power connector |
|
NPU Options |
None |
|
CONNECTIONS | |||
|
Purpose |
Location |
Purpose |
Location |
|
ATX power connector |
ATX |
Overheat LED |
J42 |
|
Parallel port |
CN1 |
CPU fan |
J44 |
|
Serial port 1 |
CN2 |
Overheat fan |
JP9 |
|
Serial port 2 |
CN3 |
External battery |
JP3 |
|
USB connector |
CN4 |
IR connector |
JP23A |
|
USB connector |
CN5 |
Soft off power supply |
JP23B |
|
PS/2 mouse port |
CN6 |
Reset switch |
JP23C |
|
Floppy drive interface |
J19 |
IDE interface LED |
JP23D |
|
IDE interface 2 |
J20 |
Power LED & keylock |
JP23E |
|
IDE interface 1 |
J21 |
Speaker |
JP23F |
|
Overheat fan |
J41 |
32-bit PCI slots |
PC1 – PC4 |
|
USER CONFIGURABLE SETTINGS | |||
|
Function |
Label |
Position | |
|
» |
Flash BIOS flash enabled |
J7 |
Pins 1 & 2 closed |
|
Flash BIOS protect enabled |
J7 |
Pins 2 & 3 closed | |
|
» |
Factory configured - do not alter |
J40 |
Open |
|
PC health monitor IRQ select IRQ9 |
J43 |
Pins 1 & 2 closed | |
|
PC health monitor IRQ select IRQ3 |
J43 |
Pins 2 & 3 closed | |
|
» |
CMOS memory normal operation |
JP2 |
Pins 1 & 2 closed |
|
|
CMOS memory clear |
JP2 |
Pins 2 & 3 closed |
|
SIMM CONFIGURATION | ||
|
Size |
Bank 0 |
Bank 1 |
|
8MB |
(2) 1M x 36 |
None |
|
16MB |
(2) 2M x 36 |
None |
|
16MB |
(2) 1M x 36 |
(2) 1M x 36 |
|
24MB |
(2) 2M x 36 |
(2) 1M x 36 |
|
32MB |
(2) 4M x 36 |
None |
|
32MB |
(2) 2M x 36 |
(2) 2M x 36 |
|
40MB |
(2) 4M x 36 |
(2) 1M x 36 |
|
48MB |
(2) 4M x 36 |
(2) 2M x 36 |
|
64MB |
(2) 8M x 36 |
None |
|
64MB |
(2) 4M x 36 |
(2) 4M x 36 |
|
72MB |
(2) 8M x 36 |
(2) 1M x 36 |
|
80MB |
(2) 8M x 36 |
(2) 2M x 36 |
|
96MB |
(2) 8M x 36 |
(2) 4M x 36 |
|
128MB |
(2) 8M x 36 |
(2) 8M x 36 |
|
128MB |
(2) 16M x 36 |
None |
|
136MB |
(2) 16M x 36 |
(2) 1M x 36 |
|
SIMM CONFIGURATION (CON’T) | ||
|
Size |
Bank 0 |
Bank 1 |
|
144MB |
(2) 16M x 36 |
(2) 2M x 36 |
|
160MB |
(2) 16M x 36 |
(2) 4M x 36 |
|
192MB |
(2) 16M x 36 |
(2) 8M x 36 |
|
256MB |
(2) 16M x 36 |
(2) 16M x 36 |
|
256MB |
(2) 32M x 36 |
None |
|
Note: Board accepts EDO memory. Do not populate banks 0 & 2 at the same time. Use only FPM/EDO in bank 0. | ||
|
DIMM CONFIGURATION | ||
|
Size |
Bank 2 |
Bank 3 |
|
8MB |
(1) 1M x 64 |
None |
|
16MB |
(1) 2M x 64 |
None |
|
16MB |
(1) 1M x 64 |
(1) 1M x 64 |
|
24MB |
(1) 2M x 64 |
(1) 1M x 64 |
|
32MB |
(1) 4M x 64 |
None |
|
32MB |
(1) 2M x 64 |
(1) 2M x 64 |
|
40MB |
(1) 4M x 64 |
(1) 1M x 64 |
|
48MB |
(1) 4M x 64 |
(1) 2M x 64 |
|
64MB |
(1) 8M x 64 |
None |
|
64MB |
(1) 4M x 64 |
(1) 4M x 64 |
|
72MB |
(1) 8M x 64 |
(1) 1M x 64 |
|
80MB |
(1) 8M x 64 |
(1) 2M x 64 |
|
96MB |
(1) 8M x 64 |
(1) 4M x 64 |
|
128MB |
(1) 8M x 64 |
(1) 8M x 64 |
|
128MB |
(1) 16M x 64 |
None |
|
256MB |
(1) 16M x 64 |
(1) 16M x 64 |
|
256MB |
(1) 32M x 64 |
None |
|
Note: Use only SDRAM in bank 3. Bank 2 can use any type of DIMM. | ||
|
CACHE CONFIGURATION |
|
Note: 512KB cache is factory installed and is not configurable. The location is unidentified. |
|
CPU SPEED SELECTION (CX 6X86) | |||||||
|
CPU speed |
Clock speed |
Multiplier |
JP5 |
JP6 |
JP7 |
J35 |
J36 |
|
150MHz |
60MHz |
2x |
2 & 3 |
2 & 3 |
1 & 2 |
Open |
Closed |
|
166MHz |
66MHz |
2x |
1 & 2 |
2 & 3 |
2 & 3 |
Open |
Closed |
|
200MHz |
66MHz |
2x |
2 & 3 |
1 & 2 |
1 & 2 |
Open |
Closed |
|
Note: Pins designated should be in the closed position. | |||||||
|
CPU SPEED SELECTION (IBM 6X86) | |||||||
|
CPU speed |
Clock speed |
Multiplier |
JP5 |
JP6 |
JP7 |
J35 |
J36 |
|
150MHz |
60MHz |
2x |
2 & 3 |
2 & 3 |
1 & 2 |
Open |
Closed |
|
166MHz |
66MHz |
2x |
1 & 2 |
2 & 3 |
2 & 3 |
Open |
Closed |
|
200MHz |
66MHz |
2x |
2 & 3 |
1 & 2 |
1 & 2 |
Open |
Closed |
|
Note: Pins designated should be in the closed position. | |||||||
|
CPU SPEED SELECTION (AM K5) | |||||||
|
CPU speed |
Clock speed |
Multiplier |
JP5 |
JP6 |
JP7 |
J35 |
J36 |
|
75MHz |
50MHz |
1.5x |
2 & 3 |
2 & 3 |
2 & 3 |
Open |
Open |
|
90MHz |
60MHz |
1.5x |
2 & 3 |
2 & 3 |
1 & 2 |
Open |
Open |
|
100MHz |
66MHz |
1.5x |
1 & 2 |
2 & 3 |
2 & 3 |
Open |
Open |
|
120MHz |
60MHz |
2x |
2 & 3 |
2 & 3 |
1 & 2 |
Open |
Closed |
|
133MHz |
66MHz |
2x |
1 & 2 |
2 & 3 |
2 & 3 |
Open |
Closed |
|
166MHz |
66MHz |
2.5x |
1 & 2 |
2 & 3 |
2 & 3 |
Closed |
Closed |
|
Note: Pins designated should be in the closed position. | |||||||
|
CPU SPEED SELECTION (AM K6) | |||||||
|
CPU speed |
Clock speed |
Multiplier |
JP5 |
JP6 |
JP7 |
J35 |
J36 |
|
166MHz |
66MHz |
2.5x |
1 & 2 |
2 & 3 |
2 & 3 |
Closed |
Closed |
|
200MHz |
66MHz |
3x |
1 & 2 |
2 & 3 |
2 & 3 |
Closed |
Open |
|
233MHz |
66MHz |
3.5x |
1 & 2 |
2 & 3 |
2 & 3 |
Open |
Open |
|
Note: Pins designated should be in the closed position. | |||||||
|
CPU SPEED SELECTION (INTEL) | |||||||
|
CPU speed |
Clock speed |
Multiplier |
JP5 |
JP6 |
JP7 |
J35 |
J36 |
|
75MHz |
50MHz |
1.5x |
2 & 3 |
2 & 3 |
2 & 3 |
Open |
Open |
|
90MHz |
60MHz |
1.5x |
2 & 3 |
2 & 3 |
1 & 2 |
Open |
Open |
|
100MHz |
66MHz |
1.5x |
1 & 2 |
2 & 3 |
2 & 3 |
Open |
Open |
|
120MHz |
60MHz |
2x |
2 & 3 |
2 & 3 |
1 & 2 |
Open |
Closed |
|
133MHz |
66MHz |
2x |
1 & 2 |
2 & 3 |
2 & 3 |
Open |
Closed |
|
150MHz |
60MHz |
2.5x |
2 & 3 |
2 & 3 |
1 & 2 |
Closed |
Closed |
|
150MHz |
75MHz |
2x |
2 & 3 |
1 & 2 |
1 & 2 |
Open |
Closed |
|
166MHz |
66MHz |
2.5x |
1 & 2 |
2 & 3 |
2 & 3 |
Closed |
Closed |
|
180MHz |
60MHz |
3x |
2 & 3 |
2 & 3 |
1 & 2 |
Closed |
Open |
|
200MHz |
66MHz |
3x |
1 & 2 |
2 & 3 |
2 & 3 |
Closed |
Open |
|
233MHz |
66MHz |
3.5x |
1 & 2 |
2 & 3 |
2 & 3 |
Open |
Open |
|
Note: Pins designated should be in the closed position. | |||||||
|
CPU VOLTAGE SELECTION | ||||
|
Voltage |
J46 |
J47 |
J48 |
J49 |
|
2.1v |
Closed |
Open |
Open |
Open |
|
2.2v |
Open |
Closed |
Open |
Open |
|
2.3v |
Closed |
Closed |
Open |
Open |
|
2.4v |
Open |
Open |
Closed |
Open |
|
2.5v |
Closed |
Open |
Closed |
Open |
|
2.6v |
Open |
Closed |
Closed |
Open |
|
2.7v |
Closed |
Closed |
Closed |
Open |
|
2.8v |
Open |
Open |
Open |
Closed |
|
2.9v |
Closed |
Open |
Open |
Closed |
|
3.0v |
Open |
Closed |
Open |
Closed |
|
3.1v |
Closed |
Closed |
Open |
Closed |
|
3.2v |
Open |
Open |
Closed |
Closed |
|
3.3v |
Closed |
Open |
Closed |
Closed |
|
3.4v |
Open |
Closed |
Closed |
Closed |
|
3.5v |
Closed |
Closed |
Closed |
Closed |
|
MISCELLANEOUS TECHNICAL NOTE |
|
The CPU fan will automatically turn on when the CPU temperature exceeds the user defined temperature. |