PACKARD BELL
PB301 386SXIIE/386SXIIES (REV. A)
|
Processor |
80386DX |
|
Processor Speed |
16/20MHz |
|
Chip Set |
ACC |
|
Max. onboard DRAM |
5MB |
|
SRAM Cache |
None |
|
BIOS |
Phoenix |
|
Dimensions |
220mm x 220mm |
|
I/O Options |
Fax/modem daughterboard, floppy drive interface, game port, IDE interface, parallel port, PS/2 keyboard port, PS/2 mouse port, serial port, VGA port |
|
NPU Options |
80837SX |
|
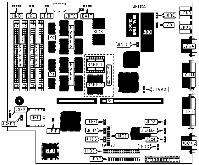
CONNECTIONS | |||
|
Purpose |
Location |
Purpose |
Location |
|
External battery |
BATT |
Parallel port |
JLPT |
|
Serial port |
JCOM2 |
Proprietary modem daughterboard |
JMOD |
|
Floppy drive interface |
JFDD |
PS/2 keyboard |
JPKB |
|
Game port |
JGAM |
PS/2 mouse |
JPMS |
|
IDE interface |
JHDD |
Speaker |
JSPK |
|
IDE interface LED |
JHDI |
VGA port |
JVGA |
|
Front panel connector |
JIND |
Riser card |
S1 |
|
Keylock |
JKL | ||
|
USER CONFIGURABLE SETTINGS | |||
|
Function |
Jumper/Switch |
Position | |
| » |
Onboard battery enabled |
JBTS |
Open |
|
Onboard battery disabled |
JBTS |
Closed | |
| » |
Onboard floppy drive interface select primary address |
JFDC |
pins 1 & 2 closed |
|
Onboard floppy drive interface select secondary address |
JFDC |
pins 2 & 3 closed | |
| » |
Onboard Game port enabled |
JGAMS |
pins 1 & 2 closed |
|
Onboard Game port disabled |
JGAMS |
pins 2 & 3 closed | |
| » |
Onboard IDE interface select primary address |
JHDC |
pins 1 & 2 closed |
|
Onboard IDE interface select secondary address |
JHDC |
pins 2 & 3 closed | |
| » |
PS/2 mouse port enabled (IRQ12) |
JMRQ |
Closed |
|
PS/2 mouse port disabled |
JMRQ |
Open | |
| » |
Pipeline mode enabled |
JPIP |
Closed |
|
Pipeline mode disabled |
JPIP |
Open | |
| » |
Onboard speaker enabled |
JSPKS |
pins 1 & 2 closed |
|
Onboard speaker disabled |
JSPKS |
pins 2 & 3 closed | |
| » |
Monitor type select color |
JVD |
Closed |
|
Monitor type select monochrome |
JVD |
Open | |
|
Note:Some boards have the game port jumper (JGAMS) reversed. | |||
|
DRAM CONFIGURATION | ||||||
|
Size |
Bank 0 |
Parity 0 |
Bank 1 |
Parity 1 |
Bank 2 |
Bank 3 |
|
1MB |
(4) 44256 |
(2) 41256 |
(4) 44256 |
(2) 41256 |
NONE |
NONE |
|
1.5MB |
(4) 44256 |
(2) 41256 |
(4) 44256 |
(2) 41256 |
(2) 256K x 9 |
NONE |
|
2MB |
(4) 44256 |
(2) 41256 |
(4) 44256 |
(2) 41256 |
(2) 256K x 9 |
(2) 256K x 9 |
|
3MB |
(4) 44256 |
(2) 41256 |
(4) 44256 |
(2) 41256 |
(2) 1M x 9 |
NONE |
|
3,5MB |
(4) 44256 |
(2) 41256 |
(4) 44256 |
(2) 41256 |
(2) 1M x 9 |
(2) 256K x 9 |
|
5MB |
(4) 44256 |
(2) 41256 |
(4) 44256 |
(2) 41256 |
(2) 1M x 9 |
(2) 1M x 9 |
|
Note:4M x 9 SIMMs are not supported. Parity chips are not present on all boards. Banks 0 & 1 are soldered to the board and should not be altered. | ||||||
|
VRAM CONFIGURATION | ||
|
Size |
Bank 0 |
Bank 1 |
|
256KB |
(2) 44256 |
NONE |
|
512KB |
(2) 44256 |
(2) 44256 |
|
Note:Bank 0 is soldered to the board and should not be altered. | ||
|
VIDEO CONFIGURATION | ||||||
|
Mode |
IRQ |
Monitor |
JINLC |
JVGAS |
JVRQ | |
| » |
Enabled |
IRQ9 |
Interlaced |
Closed |
pins 1 & 2 |
Closed |
|
Enabled |
None |
Interlaced |
Closed |
pins 1 & 2 |
Open | |
|
Enabled |
IRQ9 |
Non-Interlaced |
Open |
pins 1 & 2 |
Closed | |
|
Enabled |
None |
Non-Interlaced |
Open |
pins 1 & 2 |
Open | |
|
Disabled |
N/A |
N/A |
N/A |
pins 2 & 3 |
N/A | |
|
SERIAL PORT CONFIGURATION | |||||
|
Modem (JMOD) |
Port B (JCOM2) |
ISA Modem |
JC13 |
JC24 |
JMODJ |
|
Disabled |
COM2 |
None |
N/A |
pins 1 & 2 |
Closed |
|
Disabled |
COM2 |
COM1 |
pins 2 & 3 |
pins 1 & 2 |
Closed |
|
Disabled |
COM2 |
COM3 |
pins 1 & 2 |
pins 1 & 2 |
Closed |
|
COM1 |
COM2 |
None |
pins 1 & 2 |
pins 1 & 2 |
Open |
|
COM3 |
COM2 |
None |
pins 2 & 3 |
pins 1 & 2 |
Open |
|
Disabled |
COM4 |
None |
N/A |
pins 2 & 3 |
Closed |
|
Disabled |
COM4 |
COM1 |
pins 2 & 3 |
pins 2 & 3 |
Closed |
|
Disabled |
COM4 |
COM3 |
pins 1 & 2 |
pins 2 & 3 |
Closed |
|
COM1 |
COM4 |
None |
pins 1 & 2 |
pins 2 & 3 |
Open |
|
COM3 |
COM4 |
None |
pins 2 & 3 |
pins 2 & 3 |
Open |
|
Note:* JMODJ is a special block placed on JMOD iteself, connecting pins 10 and 11 together diagonally. Permanent damage to the board will occur if the JMODJ jumper is installed improperly. Pins designated should be in the closed position. | |||||
|
PARALLEL PORT CONFIGURATION | ||||
|
LPT |
IRQ |
JLPS |
JLRQ | |
| » |
LPT1 |
IRQ7 |
pins 1 & 2 closed |
pins 1 & 2 closed |
|
LPT1 |
IRQ5 |
pins 1 & 2 closed |
pins 2 & 3 closed | |
|
LPT2 |
IRQ7 |
pins 2 & 3 closed |
pins 1 & 2 closed | |
|
LPT2 |
IRQ5 |
pins 2 & 3 closed |
pins 2 & 3 closed | |