MICRONICS COMPUTERS INC.
M4PE
|
Processor |
80486SX/80486DX/80486DX2/80486DX4 |
|
Processor Speed |
25/33/50(internal)/66(internal)/75(internal)/100(internal) MHz |
|
Chip Set |
Intel |
|
Max. Onboard DRAM |
128MB |
|
Cache |
128/256 KB |
|
BIOS |
Phoenix |
|
Dimensions |
355mm x 304mm |
|
I/O Options |
Floppy drive interface, IDE interface, PCI slots (3), parallel port, PS/2 mouse port, serial ports (2) |
|
NPU Options |
None |
|
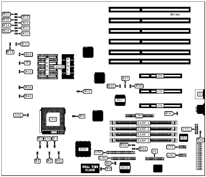
CONNECTIONS | |||
|
Purpose |
Location |
Purpose |
Location |
|
Primary IDE interface (PCI) |
CN1 |
PCI slot 1 |
J18 |
|
Secondary IDE interface (ISA) |
CN2 |
PCI slot 2 |
J19 |
|
Floppy drive interface |
CN3 |
PCI slot 3 |
J20 |
|
PS/2 mouse port |
J2 |
Fan power connector |
J102 |
|
Speaker |
J5 |
Power LED & keylock |
W12 |
|
Parallel port |
J8 |
Turbo switch |
W29 |
|
Serial port 2 |
J10 |
IDE interface LED (PCI) |
W39 |
|
Serial port 1 |
J11 |
IDE interface LED (ISA) |
W46 |
|
USER CONFIGURABLE SETTINGS | |||
|
Function |
Jumper |
Position | |
|
» |
Factory configured do not alter |
J101 |
Open |
|
» |
Secondary cache in write-back mode |
W1 |
pins 2 & 3 |
|
Secondary cache in write-through mode |
W1 |
pins 1 & 2 | |
|
» |
Internal cache in write-through mode |
W4 |
Open |
|
Internal cache in write-back mode |
W4 |
Closed | |
|
» |
BIOS in normal mode |
W6 |
pins 2 & 3 closed |
|
BIOS recovery mode |
W6 |
pins 1 & 2 closed | |
|
» |
Factory configured do not alter |
W8 |
Closed |
|
» |
PS/2 mouse installed |
W10 |
Closed |
|
PS/2 mouse not installed |
W10 |
Open | |
|
» |
Monitor type select color |
W14 |
Closed |
|
Monitor type select monochrome |
W14 |
Open | |
|
» |
CPU generates parity |
W17 |
pins 2 & 3 closed |
|
DPU generates parity |
W17 |
pins 1 & 2 closed | |
|
» |
DPU does not force parity error |
W18 |
pins 2 & 3 closed |
|
DPU forces parity error |
W18 |
pins 1 & 2 closed | |
|
» |
Factory configured do not alter |
W19 |
Closed |
|
» |
Secondary cache installed |
W21 |
Open |
|
Secondary cache not installed |
W21 |
Closed | |
|
» |
Secondary cache 0 wait state |
W25 |
Open |
|
Secondary cache 1 wait state |
W25 |
Closed | |
|
» |
PCI IDE uses ISA IRQ 14 |
W35 |
Closed |
|
PCI IDE does not use ISA IRQ 14 |
W35 |
Open | |
|
» |
PCI IDE uses PCI INTR_A |
W37 |
Closed |
|
PCI IDE does not use PCI INTR_A |
W37 |
Open | |
|
» |
PCI IDE does not use ISA IRQ15 |
W38 |
Open |
|
PCI IDE uses ISA IRQ15 |
W38 |
Closed | |
|
USER CONFIGURABLE SETTINGS (CONTINUED) | |||
|
Function |
Jumper |
Position | |
|
» |
ISA IDE uses ISA IRQ 15 |
W42 |
pins 2 & 3 |
|
ISA IDE used ISA IRQ 14 |
W42 |
pins 1 & 2 | |
|
» |
ISA IDE uses PIO transfer |
W43 |
Open |
|
ISA IDE uses channel 7 |
W43 |
pins 2 & 3 | |
|
ISA IDE uses DMA channel 6 |
W43 |
pins 1 & 2 | |
|
» |
ISA IDE uses PIO transfer |
W44 |
Open |
|
ISA IDE uses channel 7 |
W44 |
pins 2 & 3 | |
|
ISA IDE uses DMA channel 6 |
W44 |
pins 1 & 2 | |
|
» |
3.45V for DX4 - 100 MHz |
W50 |
Open |
|
3.30v for DX4 - 75 MHz |
W50 |
Closed | |
|
DRAM CONFIGURATION | ||||
|
Size |
Bank 0 |
Bank 1 |
Bank 2 |
Bank 3 |
|
8MB |
(1) 1M x 36 |
(1) 1M x 36 |
None |
None |
|
16MB |
(1) 1M x 36 |
(1) 1M x 36 |
(1) 1M x 36 |
(1) 1M x 36 |
|
16MB |
(1) 2M x 36 |
(1) 2M x 36 |
None |
None |
|
24MB |
(1) 2M x 36 |
(1) 2M x 36 |
(1) 1M x 36 |
(1) 1M x 36 |
|
32MB |
(1) 2M x 36 |
(1) 2M x 36 |
(1) 2M x 36 |
(1) 2M x 36 |
|
32MB |
(1) 4M x 36 |
(1) 4M x 36 |
None |
None |
|
40MB |
(1) 4M x 36 |
(1) 4M x 36 |
(1) 1M x 36 |
(1) 1M x 36 |
|
48MB |
(1) 4M x 36 |
(1) 4M x 36 |
(1) 2M x 36 |
(1) 2M x 36 |
|
64MB |
(1) 4M x 36 |
(1) 4M x 36 |
(1) 4M x 36 |
(1) 4M x 36 |
|
64MB |
(1) 8M x 36 |
(1) 8M x 36 |
None |
None |
|
72MB |
(1) 8M x 36 |
(1) 8M x 36 |
(1) 4M x 36 |
(1) 4M x 36 |
|
80MB |
(1) 8M x 36 |
(1) 8M x 36 |
(1) 2M x 36 |
(1) 2M x 36 |
|
96MB |
(1) 8M x 36 |
(1) 8M x 36 |
(1) 4M x 36 |
(1) 4M x 36 |
|
128MB |
(1) 8M x 36 |
(1) 8M x 36 |
(1) 8M x 36 |
(1) 8M x 36 |
|
CACHE JUMPER CONFIGURATION | |||
|
Size |
W5 |
W22 |
W23 |
|
128KB |
Open |
Open |
Open |
|
256KB |
Closed |
Closed |
Closed |
|
TAG ADDRESS CONFIGURATION | ||
|
Address |
W24 |
W26 |
|
9-bit |
Closed |
Open |
|
7-bit |
Open |
Closed |
|
8-bit |
Closed |
Closed |
|
Illegal |
Open |
Open |
|
CPU TYPE CONFIGURATION | |||
|
Type |
W2 |
W3 |
W33 |
|
80486SX |
pins 2 & 3 closed |
Closed |
Open |
|
80486DX |
Closed |
Closed |
Open |
|
80486DX2 |
Closed |
Closed |
Open |
|
80486DX4 (50i) |
Closed |
Closed |
pins 2 & 3 closed |
|
80486DX4 (66i) |
Closed |
Closed |
pins 2 & 3 closed |
|
80486DX4 (75i) |
Closed |
Closed |
Open |
|
80486DX4 (100i) |
Closed |
Closed |
Open |
|
80486 DX4 (future use) |
Closed |
Closed |
pins 1 & 2 closed |
|
Pentium Overdrive |
Closed |
Open |
Open |
|
CPU SPEED CONFIGURATION | ||
|
Speed |
W16 |
W20 |
|
25MHz |
Open |
Closed |
|
33MHz |
Closed |
Open |
|
50iMHz |
Open |
Closed |
|
66iMHz |
Closed |
Open |
|
75iMHz |
Open |
Closed |
|
100iMHz |
Closed |
Open |