MNC INTERNATIONAL INC.
MNC 1152 COMPLETE 386SX/486SLC
|
Processor |
80386SX/CX486SLC |
|
Processor Speed |
4/8/16/20/25/33/40/50MHz |
|
Chip Set |
VLSI |
|
Max. Onboard DRAM |
16MB |
|
Cache |
None |
|
BIOS |
Quadtel |
|
Dimensions |
330mm x 106.7mm |
|
I/O Options |
Floppy drive interface, IDE interface, parallel port, serial port (2), VGA port |
|
NPU Options |
80387SX/CX83S87 |
|
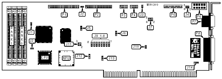
CONNECTIONS | |||
|
Purpose |
Location |
Purpose |
Location |
|
IDE interface LED |
J2 |
Serial port (COM1) |
P4 |
|
Turbo LED |
J3 |
Keyboard/reset switch/keylock/speaker/turbo switch |
P5 |
|
IDE interface |
P1 |
LCD screen |
P6 |
|
Floppy drive interface |
P2 |
VGA port |
P7 |
|
Serial port (COM2) |
P3 |
Parallel port |
P8 |
|
USER CONFIGURABLE SETTINGS | |||
|
Function |
Jumper |
Position | |
| » |
IDE interface enabled |
J5 |
pins 2 & 3 closed |
|
IDE interface disabled |
J5 |
pins 1 & 2 closed | |
| » |
Paralell port select send data |
J6 |
pins 2 & 3 closed |
|
Paralell port select receive data |
J6 |
pins 1 & 2 closed | |
| » |
Pipeline mode enabled |
J8 |
closed |
|
Pipeline mode disabled |
J8 |
open | |
| » |
Factory configured - do not alter (functions controled by BIOS) |
J9 |
N/A |
| » |
Monitor type select color |
J10 |
closed |
|
Monitor type select monochrome |
J10 |
open | |
|
Watchdog Timer mode select enabled |
J12 |
pins 1 & 2 closed | |
|
Watchdog Timer mode select disabled |
J12 |
pins 2 & 3 closed | |
|
Watchdog Timer interval select 150ms |
J13 |
pins 2 & 3 closed | |
|
Watchdog Timer interval select 600ms |
J13 |
open | |
|
Watchdog Timer interval select 1.2 second |
J13 |
pins 1 & 2 closed | |
| » |
On board VGA interface enabled |
J14 |
pins 1 & 2 closed |
|
On board VGA interface disabled |
J14 |
pins 2 & 3 closed | |
|
CPU SPEED CONFIGURATION | |
|
Speed |
J1 |
|
4MHz |
pins 1 & 2 and 3 & 4 and 5 & 6 closed |
|
8MHz |
pins 1 & 2 and 3 & 4 closed |
|
16MHz |
pins 1 & 2 and 5 & 6 closed |
|
20MHz |
pins 1 & 2 closed |
|
25MHz |
pins 3 & 4 and 5 & 6 closed |
|
33MHz |
pins 3 & 4 closed |
|
40MHz |
pins 5 & 6 closed |
|
50MHz |
open |
|
DRAM CONFIGURATION | ||
|
Size |
Bank 0 |
Bank 1 |
|
1MB |
(4) 256K x 9 |
NONE |
|
2MB |
(4) 256K x 9 |
(4) 256K x 9 |
|
4MB |
(4) 1M x 9 |
NONE |
|
5MB |
(4) 256K x 9 |
(4) 1M x 9 |
|
8MB |
(4) 1M x 9 |
(4) 1M x 9 |
|
16MB |
(4) 4M x 9 |
NONE |
|
VGA MEMORY CLOCK CONFIGURATION | |
|
Speed |
J4 |
|
32.9MHz |
pins 1 & 3 and 2 & 4 closed |
|
35.6MHz |
pins 1 & 3 and 4 & 6 closed |
|
43.9MHz |
pins 2 & 4 and 3 & 5 closed |
|
49.1MHz |
pins 3 & 5 and 4 & 6 closed |
|
LCD DISPLAY TYPE CONFIGURATION | |
|
Type |
J7 |
|
0 |
open |
|
1 |
pins 1 & 2 closed |
|
2 |
pins 3 & 4 closed |
|
3 |
pins 1 & 2 and 3 & 4 closed |
|
Plasma |
pins 1 & 2 and 3 & 4 and 5 & 6 closed |
|
FLASH MEMORY REGION CONFIGURATION | |
|
Region |
J11 |
|
D8000 - DFFFF |
open |
|
C8000 - CFFFF |
pins 3 & 4 closed |
|
D0000 - D7FFF |
pins 1 & 2 closed |
|
D0000 - D7FFF |
pins 1 & 2 and 3 & 4 closed |