GIGA-BYTE TECHNOLOGY CO., LTD.
GA-6LA7 (VER. 1.0)
|
Device Type |
Mainboard |
|
Processor |
Celeron |
|
Processor Speed |
366/400/433MHz |
|
Chip Set |
Intel 440LX |
|
Maximum Onboard Memory |
768MB (EDO & SDRAM supported) |
|
Cache |
128KB (located on the Celeron CPU) |
|
BIOS |
AMI |
|
Dimensions |
230mm x 220mm |
|
I/O Options |
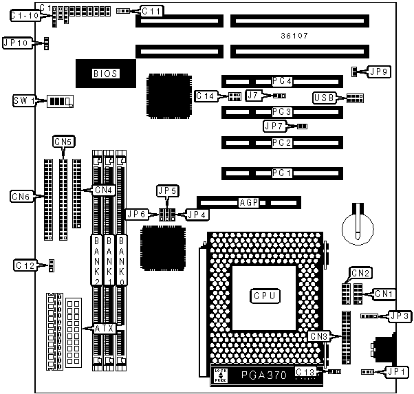
32-bit PCI slots (4), floppy drive interface, green PC connector, IDE interfaces (2), parallel port, PS/2 mouse interface, serial ports (2), USB connector, ATX power connector, AGP slot, IR connector, SB-link connector, wake on LAN connector |

|
CONNECTIONS |
|||
|
Purpose |
Location |
Purpose |
Location |
|
AGP slot |
AGP |
CPU fan power |
C13 |
|
ATX power connector |
ATX |
SB-link connector |
C14 |
|
IR connector |
C1 |
Serial port 1 |
CN1 |
|
Power LED |
C2 |
Serial port 2 |
CN2 |
|
Speaker |
C3 |
Parallel port |
CN3 |
|
Turbo LED |
C4 |
Floppy drive interface |
CN4 |
|
Turbo switch |
C5 |
IDE interface 2 |
CN5 |
|
Reset switch |
C6 |
IDE interface 1 |
CN6 |
|
Green PC LED |
C7 |
Wake on LAN connector |
J7 |
|
Green PC connector |
C8 |
PS/2 mouse interface |
JP3 |
|
IDE interface LED |
C9 |
Wake on modem connector |
JP7 |
|
Soft off power supply |
C10 |
Case open connector |
JP9 |
|
Chassis fan power |
C11 |
32-bit PCI slots |
PC1 - PC4 |
|
Power fan power |
C12 |
USB connector |
USB |
|
USER CONFIGURABLE SETTINGS |
|||
|
Function |
Label |
Position |
|
|
» |
Keyboard power on disabled |
JP1 |
Pins 2 & 3 closed |
|
|
Keyboard power on enabled |
JP1 |
Pins 1 & 2 closed |
|
» |
CMOS memory normal operation |
JP10 |
Pins 1 & 2 closed |
|
|
CMOS memory clear |
JP10 |
Pins 2 & 3 closed |
|
DIMM CONFIGURATION |
|||
|
Size |
Bank 0 |
Bank 1 |
Bank 2 |
|
8MB |
(1) 1M x 64 |
None |
None |
|
16MB |
(1) 2M x 64 |
None |
None |
|
16MB |
(1) 1M x 64 |
(1) 1M x 64 |
None |
|
24MB |
(1) 2M x 64 |
(1) 1M x 64 |
None |
|
24MB |
(1) 1M x 64 |
(1) 1M x 64 |
(1) 1M x 64 |
|
32MB |
(1) 4M x 64 |
None |
None |
|
32MB |
(1) 2M x 64 |
(1) 1M x 64 |
(1) 1M x 64 |
|
32MB |
(1) 2M x 64 |
(1) 2M x 64 |
None |
|
40MB |
(1) 4M x 64 |
(1) 1M x 64 |
None |
|
40MB |
(1) 2M x 64 |
(1) 2M x 64 |
(1) 1M x 64 |
|
48MB |
(1) 4M x 64 |
(1) 1M x 64 |
(1) 1M x 64 |
|
48MB |
(1) 4M x 64 |
(1) 2M x 64 |
None |
|
48MB |
(1) 2M x 64 |
(1) 2M x 64 |
(1) 2M x 64 |
|
56MB |
(1) 4M x 64 |
(1) 2M x 64 |
(1) 1M x 64 |
|
64MB |
(1) 8M x 64 |
None |
None |
|
64MB |
(1) 4M x 64 |
(1) 2M x 64 |
(1) 2M x 64 |
|
64MB |
(1) 4M x 64 |
(1) 4M x 64 |
None |
|
72MB |
(1) 8M x 64 |
(1) 1M x 64 |
None |
|
DIMM CONFIGURATION (CON'T) |
|||
|
Size |
Bank 0 |
Bank 1 |
Bank 2 |
|
72MB |
(1) 4M x 64 |
(1) 4M x 64 |
(1) 1M x 64 |
|
80MB |
(1) 8M x 64 |
(1) 1M x 64 |
(1) 1M x 64 |
|
80MB |
(1) 8M x 64 |
(1) 2M x 64 |
None |
|
80MB |
(1) 4M x 64 |
(1) 4M x 64 |
(1) 2M x 64 |
|
88MB |
(1) 8M x 64 |
(1) 2M x 64 |
(1) 1M x 64 |
|
96MB |
(1) 8M x 64 |
(1) 2M x 64 |
(1) 2M x 64 |
|
96MB |
(1) 8M x 64 |
(1) 4M x 64 |
None |
|
96MB |
(1) 4M x 64 |
(1) 4M x 64 |
(1) 4M x 64 |
|
104MB |
(1) 8M x 64 |
(1) 4M x 64 |
(1) 1M x 64 |
|
112MB |
(1) 8M x 64 |
(1) 4M x 64 |
(1) 2M x 64 |
|
128MB |
(1) 16M x 64 |
None |
None |
|
128MB |
(1) 8M x 64 |
(1) 4M x 64 |
(1) 4M x 64 |
|
128MB |
(1) 8M x 64 |
(1) 8M x 64 |
None |
|
136MB |
(1) 16M x 64 |
(1) 1M x 64 |
None |
|
136MB |
(1) 8M x 64 |
(1) 8M x 64 |
(1) 1M x 64 |
|
144MB |
(1) 16M x 64 |
(1) 1M x 64 |
(1) 1M x 64 |
|
144MB |
(1) 16M x 64 |
(1) 2M x 64 |
None |
|
144MB |
(1) 8M x 64 |
(1) 8M x 64 |
(1) 2M x 64 |
|
160MB |
(1) 16M x 64 |
(1) 4M x 64 |
None |
|
176MB |
(1) 16M x 64 |
(1) 4M x 64 |
(1) 2M x 64 |
|
192MB |
(1) 16M x 64 |
(1) 4M x 64 |
(1) 4M x 64 |
|
192MB |
(1) 16M x 64 |
(1) 8M x 64 |
None |
|
192MB |
(1) 8M x 64 |
(1) 8M x 64 |
(1) 8M x 64 |
|
200MB |
(1) 16M x 64 |
(1) 8M x 64 |
(1) 1M x 64 |
|
208MB |
(1) 16M x 64 |
(1) 8M x 64 |
(1) 2M x 64 |
|
224MB |
(1) 16M x 64 |
(1) 8M x 64 |
(1) 4M x 64 |
|
256MB |
(1) 32M x 64 |
None |
None |
|
256MB |
(1) 16M x 64 |
(1) 8M x 64 |
(1) 8M x 64 |
|
264MB |
(1) 32M x 64 |
(1) 1M x 64 |
None |
|
272MB |
(1) 32M x 64 |
(1) 1M x 64 |
(1) 1M x 64 |
|
272MB |
(1) 32M x 64 |
(1) 2M x 64 |
None |
|
288MB |
(1) 32M x 64 |
(1) 2M x 64 |
(1) 2M x 64 |
|
288MB |
(1) 32M x 64 |
(1) 4M x 64 |
None |
|
320MB |
(1) 32M x 64 |
(1) 4M x 64 |
(1) 4M x 64 |
|
320MB |
(1) 32M x 64 |
(1) 8M x 64 |
None |
|
384MB |
(1) 32M x 64 |
(1) 8M x 64 |
(1) 8M x 64 |
|
384MB |
(1) 32M x 64 |
(1) 16M x 64 |
None |
|
384MB |
(1) 16M x 64 |
(1) 16M x 64 |
(1) 16M x 64 |
|
512MB |
(1) 32M x 64 |
(1) 16M x 64 |
(1) 16M x 64 |
|
512MB |
(1) 32M x 64 |
(1) 32M x 64 |
None |
|
768MB |
(1) 32M x 64 |
(1) 32M x 64 |
(1) 32M x 64 |
|
Note: Board accepts EDO & SDRAM memory. Maximum SDRAM is 384MB. Maximum EDO is 768MB. |
|||
|
CACHE CONFIGURATION |
|
Note: 128KB cache is located on the Celeron 300A & 333 CPU. |
|
CPU SPEED SELECTION |
|||||
|
CPU speed |
Clock speed |
Multiplier |
JP4 |
JP5 |
JP6 |
|
366MHz |
66MHz |
4x |
1 & 2 |
1 & 2 |
1 & 2 |
|
400MHz |
66MHz |
4.5x |
1 & 2 |
1 & 2 |
1 & 2 |
|
433MHz |
66MHz |
5x |
1 & 2 |
1 & 2 |
1 & 2 |
|
Note: Pins designated should be in the closed position. |
|||||
|
CPU SPEED SELECTION (CON'T) |
||||||
|
CPU speed |
Clock speed |
Multiplier |
SW1/1 |
SW1/2 |
SW1/3 |
SW1/4 |
|
366MHz |
66MHz |
4x |
On |
On |
Off |
On |
|
400MHz |
66MHz |
4.5x |
Off |
On |
Off |
On |
|
433MHz |
66MHz |
5x |
On |
Off |
Off |
On |