GEMLIGHT COMPUTER, LTD.
GMB-P56SPC (VER. 1.10)
|
Device Type |
Mainboard |
|
Processor |
CX 6X86/AM K5/ Pentium/Pentium MMX |
|
Processor Speed |
75/90/100/110/120/133/150/166/180/200MHz |
|
Chip Set |
SIS 5596 |
|
Video Chip Set |
Unidentified |
|
Maximum Onboard Memory |
512MB (EDO & SDRAM supported) |
|
Maximum Video Memory |
Unidentified |
|
Cache |
256KB |
|
BIOS |
Award/AMI |
|
Dimensions |
220mm x 270mm |
|
I/O Options |
32-bit PCI slots (4), floppy drive interface, game port, IDE interface, parallel port, PS/2 mouse port, serial ports (2), VGA connector |
|
CONNECTIONS | |||
|
Purpose |
Location |
Purpose |
Location |
|
Reset switch |
J1 |
IDE interface 2 |
J18 |
|
Suspend LED |
J2 |
Serial port 1 |
J19 |
|
Green PC connector |
J3 |
Serial port 2 |
J20 |
|
Speaker |
J4 |
VGA connector |
J21 |
|
IDE interface LED |
J5 |
Audio extension card connector |
J22 |
|
Power LED & keylock |
J6 |
Game port |
J23 |
|
IR connector |
J12 |
PS/2 mouse interface |
J28 |
|
Audio in - CD-ROM (Mitsumi/Panasonic) |
J13 |
AT power connector |
J29 |
|
Audio in - CD-ROM (Sony) |
J14 |
PS/2 mouse port |
J30 |
|
Floppy drive interface |
J15 |
IR connector |
J33 |
|
Parallel port |
J16 |
32-bit PCI slots |
PC1 - PC4 |
|
IDE interface 1 |
J17 | ||
|
USER CONFIGURABLE SETTINGS | |||
|
Function |
Label |
Position | |
|
» |
CMOS memory normal operation |
JP0 |
Pins 1 & 2 closed |
|
CMOS memory clear |
JP0 |
Pins 2 & 3 closed | |
|
» |
Flash BIOS voltage select 5v |
JP5 |
Pins 2 & 3 closed |
|
Flash BIOS voltage select 12v |
JP5 |
Pins 1 & 2 closed | |
|
» |
Linear burst mode (Cyrix 6x86 only) enabled |
JP7 |
Closed |
|
Linear burst mode (Cyrix 6x86 only) disabled |
JP7 |
Open | |
|
» |
Onboard sound enabled |
JP13 |
Closed |
|
Onboard sound disabled |
JP13 |
Open | |
|
CACHE CONFIGURATION | ||
|
Size |
Bank 0 |
TAG RAM |
|
256K |
(2) 32K x 32 |
8/16/32K x 8 |
|
DRAM CONFIGURATION | ||
|
Size |
Bank 0 |
Bank 1 |
|
8MB |
(2) 1MB x 36 |
None |
|
16MB |
(2) 1MB x 36 |
(2) 1MB x 36 |
|
16MB |
(2) 2MB x 36 |
None |
|
24MB |
(2) 2MB x 36 |
(2) 1MB x 36 |
|
32MB |
(2) 2MB x 36 |
(2) 2MB x 36 |
|
32MB |
(2) 4MB x 36 |
None |
|
40MB |
(2) 4MB x 36 |
(2) 1MB x 36 |
|
48MB |
(2) 4MB x 36 |
(2) 2MB x 36 |
|
64MB |
(2) 4MB x 36 |
(2) 4MB x 36 |
|
64MB |
(2) 8MB x 36 |
None |
|
72MB |
(2) 8MB x 36 |
(2) 1MB x 36 |
|
80MB |
(2) 8MB x 36 |
(2) 2MB x 36 |
|
96MB |
(2) 8MB x 36 |
(2) 4MB x 36 |
|
128MB |
(2) 8MB x 36 |
(2) 8MB x 36 |
|
128MB |
(2) 16MB x 36 |
None |
|
136MB |
(2) 16MB x 36 |
(2) 1MB x 36 |
|
144MB |
(2) 16MB x 36 |
(2) 2MB x 36 |
|
160MB |
(2) 16MB x 36 |
(2) 4MB x 36 |
|
192MB |
(2) 16MB x 36 |
(2) 8MB x 36 |
|
256MB |
(2) 16MB x 36 |
(2) 16MB x 36 |
|
256MB |
(2) 32MB x 36 |
None |
|
264MB |
(2) 32MB x 36 |
(2) 1MB x 36 |
|
272MB |
(2) 32MB x 36 |
(2) 2MB x 36 |
|
288MB |
(2) 32MB x 36 |
(2) 4MB x 36 |
|
320MB |
(2) 32MB x 36 |
(2) 8MB x 36 |
|
384MB |
(2) 32MB x 36 |
(2) 16MB x 36 |
|
512MB |
(2) 32MB x 36 |
(2) 32MB x 36 |
|
CPU SPEED SELECTION (INTEL) | |||||||
|
Speed |
Clock speed |
Multiplier |
JP2 |
JP3 |
S4 |
S5 |
S6 |
|
75MHz |
50MHz |
1.5x |
1 & 2 |
1 & 2 |
Closed |
Closed |
Open |
|
90MHz |
60MHz |
1.5x |
1 & 2 |
1 & 2 |
Closed |
Open |
Open |
|
100MHz |
66MHz |
1.5x |
1 & 2 |
1 & 2 |
Open |
Closed |
Open |
|
120MHz |
60MHz |
2x |
1 & 2 |
2 & 3 |
Closed |
Open |
Open |
|
133MHz |
66MHz |
2x |
1 & 2 |
2 & 3 |
Open |
Closed |
Open |
|
150MHz |
60MHz |
2.5x |
2 & 3 |
2 & 3 |
Closed |
Open |
Open |
|
166MHz |
66MHz |
2.5x |
2 & 3 |
2 & 3 |
Open |
Closed |
Open |
|
180MHz |
60MHz |
3x |
2 & 3 |
1 & 2 |
Closed |
Open |
Open |
|
200MHz |
66MHz |
3x |
2 & 3 |
1 & 2 |
Open |
Closed |
Open |
|
Note: Designated pins are in the closed position. | |||||||
|
CPU SPEED SELECTION (INTEL MMX) | |||||||
|
Speed |
Clock speed |
Multiplier |
JP2 |
JP3 |
S4 |
S5 |
S6 |
|
166MHz |
66MHz |
2.5x |
2 & 3 |
2 & 3 |
Open |
Closed |
Open |
|
200MHz |
66MHz |
3x |
2 & 3 |
1 & 2 |
Open |
Closed |
Open |
|
Note: Designated pins are in the closed position. | |||||||
|
CPU SPEED SELECTION (CX 6X86) | |||||||
|
Speed |
Clock speed |
Multiplier |
JP2 |
JP3 |
S4 |
S5 |
S6 |
|
120MHz |
60MHz |
2x |
1 & 2 |
2 & 3 |
Closed |
Closed |
Open |
|
133MHz |
66MHz |
2x |
1 & 2 |
2 & 3 |
Open |
Open |
Open |
|
150MHz |
60MHz |
2.5x |
1 & 2 |
2 & 3 |
Closed |
Open |
Open |
|
166MHz |
66MHz |
2.5x |
1 & 2 |
2 & 3 |
Open |
Closed |
Open |
|
200MHz |
66MHz |
3x |
1 & 2 |
2 & 3 |
Open |
Open |
Closed |
|
Note: Designated pins are in the closed position. | |||||||
|
CPU SPEED SELECTION (AM K5) | |||||||
|
Speed |
Clock speed |
Multiplier |
JP2 |
JP3 |
S4 |
S5 |
S6 |
|
75MHz |
50MHz |
1.5x |
1 & 2 |
1 & 2 |
Closed |
Closed |
Open |
|
90MHz |
60MHz |
1.5x |
1 & 2 |
1 & 2 |
Closed |
Open |
Open |
|
100MHz |
66MHz |
1.5x |
1 & 2 |
1 & 2 |
Open |
Closed |
Open |
|
120MHz |
60MHz |
2x |
1 & 2 |
1 & 2 |
Closed |
Open |
Open |
|
133MHz |
66MHz |
2x |
1 & 2 |
1 & 2 |
Open |
Closed |
Open |
|
150MHz |
60MHz |
2.5x |
1 & 2 |
2 & 3 |
Closed |
Open |
Open |
|
166MHz |
66MHz |
2.5x |
1 & 2 |
2 & 3 |
Open |
Closed |
Open |
|
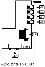
AUDIO EXTENSION CARD CONNECTIONS | |||
|
Purpose |
Location |
Purpose |
Location |
|
Audio extension card connector |
CN1 |
Line in |
J3 |
|
Speaker out |
J1 |
Microphone |
J4 |
|
Line out |
J2 |
VGA connector |
J7 |
|
CPU VOLTAGE SELECTION (SINGLE) | |||||
|
Voltage |
Q4 |
JP1 |
S1 |
S2 |
S3 |
|
3.4V |
2 Transistors installed |
Closed |
Closed |
Closed |
Closed |
|
3.5V |
2 Transistors installed |
Open |
Closed |
Closed |
Closed |
|
3.4V |
1 Transistor installed |
Closed |
N/A |
N/A |
N/A |
|
3.5V |
1 Transistor installed |
Closed |
N/A |
N/A |
N/A |
|
CPU VOLTAGE SELECTION (DUAL) | ||||||
|
V (I/O) |
V Core |
Q4 |
JP1 |
S1 |
S2 |
S3 |
|
3.4V |
2.8V |
2 Transistors installed |
Closed |
Open |
Open |
Open |