FREE COMPUTER TECHNOLOGY, INC.
P6F77
|
Processor |
Pentium II |
|
Processor Speed |
200/233/266/300MHz |
|
Chip Set |
Intel |
|
Video Chip Set |
None |
|
Maximum Onboard Memory |
768MB (EDO supported) |
|
Maximum Video Memory |
None |
|
Cache |
256/512KB (located on Pentium II CPU) |
|
BIOS |
Award |
|
Dimensions |
305mm x 244mm |
|
I/O Options |
32-bit PCI slots (5), floppy drive interface, green PC connector, IDE interfaces (2), parallel port, PS/2 mouse port, serial ports (2), IR connector, USB connectors (2), ATX power connector, CPU Slot 1 |
|
NPU Options |
None |
|
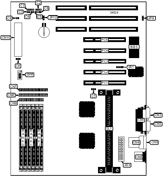
CONNECTIONS | |||
|
Purpose |
Location |
Purpose |
Location |
|
ATX power connector |
ATX |
Serial port 2 |
CN2 |
|
Power LED & keylock |
C1 |
Serial port 1 |
CN3 |
|
Speaker |
C2 |
USB connector 1 |
CN4 |
|
Green PC connector |
C3 |
USB connector 2 |
CN5 |
|
Turbo LED |
C4 |
PS/2 mouse port |
CN6 |
|
Reset switch |
C5 |
IDE interface 2 |
CN7 |
|
IDE interface LED |
C6 |
IDE interface 1 |
CN8 |
|
Chassis fan power |
C7 |
Floppy drive interface |
CN9 |
|
Chassis fan power |
C8 |
System Management Connector |
CN10 |
|
Soft off power supply |
C9 |
IR connector |
IR1 |
|
Parallel port |
CN1 |
32-bit PCI slots |
PC1 – PC5 |
|
USER CONFIGURABLE SETTINGS | |||
|
Function |
Label |
Position | |
|
Keyboard voltage select +5v |
JP9 |
Pins 1 & 2 closed | |
|
Keyboard voltage select +5v (SB) |
JP9 |
Pins 2 & 3 closed | |
|
» |
CMOS memory normal operation |
JP10 |
Pins 1 & 2 closed |
|
CMOS memory clear |
JP10 |
Pins 2 & 3 closed | |
|
SIMM CONFIGURATION | |||
|
Size |
Bank 0 |
Bank 1 |
Bank 2 |
|
8MB |
(2) 1M x 36 |
None |
None |
|
16MB |
(2) 1M x 36 |
(2) 1M x 36 |
None |
|
16MB |
(2) 2M x 36 |
None |
None |
|
24MB |
(2) 2M x 36 |
(2) 1M x 36 |
None |
|
24MB |
(2) 1M x 36 |
(2) 1M x 36 |
(2) 1M x 36 |
|
32MB |
(2) 4M x 36 |
None |
None |
|
32MB |
(2) 2M x 36 |
(2) 2M x 36 |
None |
|
40MB |
(2) 4M x 36 |
(2) 1M x 36 |
None |
|
48MB |
(2) 4M x 36 |
(2) 2M x 36 |
None |
|
48MB |
(2) 4M x 36 |
(2) 1M x 36 |
(2) 1M x 36 |
|
56MB |
(2) 4M x 36 |
(2) 2M x 36 |
(2) 1M x 36 |
|
64MB |
(2) 8M x 36 |
None |
None |
|
64MB |
(2) 4M x 36 |
(2) 4M x 36 |
None |
|
80MB |
(2) 8M x 36 |
(2) 2M x 36 |
None |
|
80MB |
(2) 8M x 36 |
(2) 1M x 36 |
(2) 1M x 36 |
|
88MB |
(2) 8M x 36 |
(2) 2M x 36 |
(2) 1M x 36 |
|
96MB |
(2) 8M x 36 |
(2) 4M x 36 |
None |
|
96MB |
(2) 4M x 36 |
(2) 4M x 36 |
(2) 4M x 36 |
|
96MB |
(2) 8M x 36 |
(2) 2M x 36 |
(2) 2M x 36 |
|
104MB |
(2) 8M x 36 |
(2) 4M x 36 |
(2) 1M x 36 |
|
112MB |
(2) 8M x 36 |
(2) 4M x 36 |
(2) 2M x 36 |
|
SIMM CONFIGURATION (CON’T) | |||
|
Size |
Bank 0 |
Bank 1 |
Bank 2 |
|
128MB |
(2) 8M x 36 |
(2) 4M x 36 |
(2) 4M x 36 |
|
128MB |
(2) 16M x 36 |
None |
None |
|
128MB |
(2) 8M x 36 |
(2) 8M x 36 |
None |
|
136MB |
(2) 8M x 36 |
(2) 8M x 36 |
(2) 1M x 36 |
|
136MB |
(2) 16M x 36 |
(2) 1M x 36 |
None |
|
144MB |
(2) 16M x 36 |
(2) 2M x 36 |
None |
|
144MB |
(2) 16M x 36 |
(2) 1M x 36 |
(2) 1M x 36 |
|
152MB |
(2) 16M x 36 |
(2) 2M x 36 |
(2) 1M x 36 |
|
160MB |
(2) 16M x 36 |
(2) 4M x 36 |
None |
|
160MB |
(2) 16M x 36 |
(2) 2M x 36 |
(2) 2M x 36 |
|
168MB |
(2) 16M x 36 |
(2) 4M x 36 |
(2) 1M x 36 |
|
176MB |
(2) 16M x 36 |
(2) 4M x 36 |
(2) 2M x 36 |
|
192MB |
(2) 16M x 36 |
(2) 8M x 36 |
None |
|
192MB |
(2) 16M x 36 |
(2) 4M x 36 |
(2) 4M x 36 |
|
200MB |
(2) 16M x 36 |
(2) 8M x 36 |
(2) 1M x 36 |
|
208MB |
(2) 16M x 36 |
(2) 8M x 36 |
(2) 2M x 36 |
|
224MB |
(2) 16M x 36 |
(2) 8M x 36 |
(2) 4M x 36 |
|
256MB |
(2) 16M x 36 |
(2) 16M x 36 |
None |
|
256MB |
(2) 16M x 36 |
(2) 8M x 36 |
(2) 8M x 36 |
|
256MB |
(2) 32M x 36 |
None |
None |
|
264MB |
(2) 16M x 36 |
(2) 16M x 36 |
(2) 1M x 36 |
|
264MB |
(2) 32M x 36 |
(2) 1M x 36 |
None |
|
272MB |
(2) 16M x 36 |
(2) 16M x 36 |
(2) 2M x 36 |
|
272MB |
(2) 32M x 36 |
(2) 2M x 36 |
None |
|
288MB |
(2) 16M x 36 |
(2) 16M x 36 |
(2) 4M x 36 |
|
288MB |
(2) 32M x 36 |
(2) 4M x 36 |
None |
|
320MB |
(2) 16M x 36 |
(2) 16M x 36 |
(2) 8M x 36 |
|
320MB |
(2) 32M x 36 |
(2) 8M x 36 |
None |
|
384MB |
(2) 16M x 36 |
(2) 16M x 36 |
(2) 16M x 36 |
|
384MB |
(2) 32M x 36 |
(2) 16M x 36 |
None |
|
512MB |
(2) 32M x 36 |
(2) 32M x 36 |
None |
|
520MB |
(2) 32M x 36 |
(2) 32M x 36 |
(2) 1M x 36 |
|
528MB |
(2) 32M x 36 |
(2) 32M x 36 |
(2) 2M x 36 |
|
536MB |
(2) 32M x 36 |
(2) 32M x 36 |
(2) 4M x 36 |
|
576MB |
(2) 32M x 36 |
(2) 32M x 36 |
(2) 8M x 36 |
|
640MB |
(2) 32M x 36 |
(2) 32M x 36 |
(2) 16M x 36 |
|
768MB |
(2) 32M x 36 |
(2) 32M x 36 |
(2) 32M x 36 |
|
Note: Board accepts EDO memory. | |||
|
CACHE CONFIGURATION |
|
Note: 256KB/512KB cache is located on the Pentium II CPU. |
|
CPU SPEED SELECTION | ||||||
|
CPU speed |
Clock speed |
Multiplier |
SW1/1 |
SW1/2 |
SW1/3 |
SW1/4 |
|
200MHz |
66MHz |
3x |
On |
Off |
On |
On |
|
233MHz |
66MHz |
3.5x |
Off |
Off |
On |
On |
|
266MHz |
66MHz |
4x |
On |
On |
Off |
On |
|
300MHz |
66MHz |
3x |
Off |
On |
Off |
On |