GEMLIGHT COMPUTER, LTD.
GMB-P57IPA (VER. 1.10)
|
Processor |
CX 6X86L/CX 6X86MX/AM K5/AM K6/Pentium |
|
Processor Speed |
90/100/120/133/150/166/200/233/266MHz |
|
Chip Set |
Intel |
|
Video Chip Set |
S3 |
|
Maximum Onboard Memory |
256MB (EDO supported) |
|
Maximum Video Memory |
4MB |
|
Cache |
512KB |
|
BIOS |
Award |
|
Dimensions |
248mm x 200mm |
|
I/O Options |
Floppy drive interface, green PC connector, IDE interfaces (2), parallel port, PS/2 mouse port, serial ports (2), VGA feature connector, VGA port, IR connector, VRM connector, USB connector, ATX power connector, wavetable interface, CD-ROM audio (2) |
|
NPU Options |
None |
|
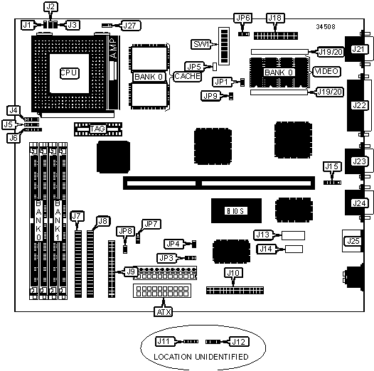
CONNECTIONS | |||
|
Purpose |
Location |
Purpose |
Location |
|
ATX power connector |
ATX |
CD-ROM audio in (Mitsumi/Panasonic) |
J12 |
|
Reset switch |
J1 |
Audio extension connector |
J13 |
|
Green PC connector |
J2 |
Audio extension connector |
J14 |
|
Green PC LED |
J3 |
IR connector |
J15 |
|
Speaker |
J4 |
VGA feature connector |
J18 |
|
IDE interface LED |
J5 |
VGA port |
J21 |
|
Power LED & keylock |
J6 |
Parallel port |
J22 |
|
IDE interface 1 |
J7 |
Serial port 1 |
J23 |
|
IDE interface 2 |
J8 |
Serial port 2 |
J24 |
|
Floppy drive interface |
J9 |
PS/2 mouse port |
J25 |
|
Wavetable interface |
J10 |
Chassis fan power |
J27 |
|
CD-ROM audio in (Sony) |
J11 | ||
|
USER CONFIGURABLE SETTINGS | |||
|
Function |
Label |
Position | |
|
On board audio enabled |
JP1 |
Closed | |
|
On board audio disabled |
JP1 |
Open | |
|
Flash BIOS voltage select 12v |
JP3 |
Pins 1 & 2 closed | |
|
Flash BIOS voltage select 5v |
JP3 |
Pins 2 & 3 closed | |
|
On board video enabled |
JP4 |
Closed | |
|
On board video disabled |
JP4 |
Open | |
|
» |
Factory configured - do not alter |
JP5 |
Open |
|
» |
Factory configured - do not alter |
JP6 |
Pins 2 & 3 closed |
|
» |
CMOS memory normal operation |
JP7 |
Pins 1 & 2 closed |
|
CMOS memory clear |
JP7 |
Pins 2 & 3 closed | |
|
» |
Factory configured - do not alter |
SW1/1 |
Off |
|
» |
Factory configured - do not alter |
SW1/2 |
Off |
|
SIMM CONFIGURATION | ||
|
Size |
Bank 0 |
Bank 1 |
|
8MB |
(2) 1M x 32 |
None |
|
16MB |
(2) 2M x 32 |
None |
|
16MB |
(2) 1M x 32 |
(2) 1M x 32 |
|
24MB |
(2) 2M x 32 |
(2) 1M x 32 |
|
32MB |
(2) 4M x 32 |
None |
|
32MB |
(2) 2M x 32 |
(2) 2M x 32 |
|
40MB |
(2) 4M x 32 |
(2) 1M x 32 |
|
48MB |
(2) 4M x 32 |
(2) 2M x 32 |
|
64MB |
(2) 8M x 32 |
None |
|
64MB |
(2) 4M x 32 |
(2) 4M x 32 |
|
72MB |
(2) 8M x 32 |
(2) 1M x 32 |
|
80MB |
(2) 8M x 32 |
(2) 2M x 32 |
|
SIMM CONFIGURATION (CON’T) | ||
|
Size |
Bank 0 |
Bank 1 |
|
96MB |
(2) 8M x 32 |
(2) 4M x 32 |
|
128MB |
(2) 8M x 32 |
(2) 8M x 32 |
|
128MB |
(2) 16M x 32 |
None |
|
136MB |
(2) 16M x 32 |
(2) 1M x 32 |
|
144MB |
(2) 16M x 32 |
(2) 2M x 32 |
|
160MB |
(2) 16M x 32 |
(2) 4M x 32 |
|
192MB |
(2) 16M x 32 |
(2) 8M x 32 |
|
256MB |
(2) 16M x 32 |
(2) 16M x 32 |
|
Note: Board accepts EDO memory.. | ||
|
CACHE CONFIGURATION | ||
|
Size |
Bank 0 |
TAG |
|
512KB |
(2) 64K x 32 |
Unidentified |
|
VIDEO MEMORY CONFIGURATION | ||
|
Size |
Bank 0 |
J19/20 |
|
2MB |
2MB |
Not installed |
|
4MB |
2MB |
2MB memory module installed |
|
CPU SPEED SELECTION (CX 6X86L) | ||||||||
|
CPU speed |
Clock speed |
Multiplier |
SW1/3 |
SW1/4 |
SW1/5 |
SW1/6 |
SW1/7 |
SW1/8 |
|
150MHz |
60MHz |
2x |
On |
Off |
Off |
On |
Off |
Off |
|
166MHz |
66MHz |
2x |
On |
Off |
Off |
Off |
On |
Off |
|
200MHz |
75MHz |
2x |
On |
Off |
Off |
Off |
Off |
On |
|
CPU SPEED SELECTION (CX 6X86MX) | ||||||||
|
CPU speed |
Clock speed |
Multiplier |
SW1/3 |
SW1/4 |
SW1/5 |
SW1/6 |
SW1/7 |
SW1/8 |
|
166MHz |
60MHz |
2.5x |
On |
Off |
Off |
On |
Off |
Off |
|
200MHz |
75MHz |
2x |
On |
Off |
Off |
Off |
Off |
On |
|
CPU SPEED SELECTION (AM K5) | ||||||||
|
CPU speed |
Clock speed |
Multiplier |
SW1/3 |
SW1/4 |
SW1/5 |
SW1/6 |
SW1/7 |
SW1/8 |
|
120MHz |
60MHz |
2x |
On |
Off |
Off |
On |
Off |
Off |
|
133MHz |
66MHz |
2x |
On |
Off |
Off |
Off |
On |
Off |
|
166MHz |
66MHz |
2.5x |
On |
On |
Off |
Off |
On |
Off |
|
CPU SPEED SELECTION (AM K6) | ||||||||
|
CPU speed |
Clock speed |
Multiplier |
SW1/3 |
SW1/4 |
SW1/5 |
SW1/6 |
SW1/7 |
SW1/8 |
|
166MHz |
66MHz |
2.5x |
On |
On |
Off |
Off |
On |
Off |
|
200MHz |
66MHz |
3x |
Off |
On |
Off |
Off |
On |
Off |
|
233MHz |
66MHz |
3.5x |
Off |
Off |
Off |
Off |
On |
Off |
|
266MHz |
66MHz |
4x |
On |
On |
On |
Off |
On |
Off |
|
CPU SPEED SELECTION (INTEL) | ||||||||
|
CPU speed |
Clock speed |
Multiplier |
SW1/3 |
SW1/4 |
SW1/5 |
SW1/6 |
SW1/7 |
SW1/8 |
|
90MHz |
60MHz |
1.5x |
Off |
Off |
Off |
On |
Off |
Off |
|
100MHz |
66MHz |
1.5x |
Off |
Off |
Off |
Off |
On |
Off |
|
120MHz |
60MHz |
2x |
On |
Off |
Off |
On |
Off |
Off |
|
133MHz |
66MHz |
2x |
On |
Off |
Off |
Off |
On |
Off |
|
166MHz |
66MHz |
2.5x |
On |
On |
Off |
Off |
On |
Off |
|
200MHz |
66MHz |
3x |
Off |
On |
Off |
Off |
On |
Off |
|
233MHz |
66MHz |
3.5x |
Off |
Off |
Off |
Off |
On |
Off |
|
POWER SUPPLY SELECTION | ||
|
Setting |
JP8 |
JP9 |
|
AT |
Closed |
Open |
|
ATX |
Open |
Closed |