HEWLETT-PACKARD COMPANY
HP NETSERVER LF
|
Processor |
80486DX4/Pentium |
|
Processor Speed |
66MHz Pentium/100(internal)MHz 80486DX4 |
|
Chip Set |
Hewlett Packard |
|
Max. Onboard DRAM |
136MB (80486DX4) or 192MB (Pentium) |
|
Cache |
256KB (non-configurable, location unknown) |
|
BIOS |
Phoenix |
|
Dimensions |
330mm x 218mm |
|
I/O Options |
CPU card slot, floppy drive interface, IDE interface, parallel port, serial ports (2), SCSI ports (2), VGA port |
|
NPU Options |
None |
|
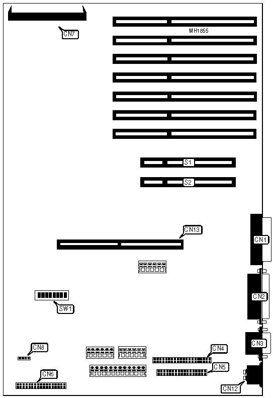
CONNECTIONS | |||
|
Purpose |
Location |
Purpose |
Location |
|
External SCSI interface |
CN1 |
15-pin analog video port |
CN9 |
|
Parallel port |
CN2 |
Serial port 1 |
CN10 |
|
Serial port 2 |
CN3 |
Bus mouse port |
CN11 |
|
IDE interface |
CN4 |
Keyboard connector |
CN12 |
|
Floppy drive interface |
CN5 |
CPU card slot |
CN13 |
|
Control panel cable connector |
CN6 |
PCI slot |
S1 |
|
Internal SCSI interface |
CN7 |
PCI slot |
S2 |
|
Clock battery connector |
CN8 | ||
|
USER CONFIGURABLE SETTINGS | |||
|
Function |
Switch |
Position | |
|
» |
BIOS configurable select |
SW1/1 |
On |
|
BIOS not configurable |
SW1/1 |
Off | |
|
» |
Factory configured-do not alter |
SW1/2 |
On |
|
» |
Current system CMOS & NVRAM save configuration |
SW1/3 |
On |
|
Current system CMOS & NVRAM erase configuration |
SW1/3 |
Off | |
|
» |
Current system CMOS & NVRAM configurable |
SW1/4 |
On |
|
Current system CMOS & NVRAM not configurable |
SW1/4 |
Off | |
|
» |
Password enabled |
SW1/5 |
On |
|
Password clear |
SW1/5 |
Off | |
|
» |
SMI interrupt disabled |
SW1/6 |
Off |
|
SMI interrupt enabled |
SW1/6 |
On | |
|
» |
I/O controller enabled |
SW1/7 |
On |
|
I/O controller disabled |
SW1/7 |
Off | |
|
» |
Onboard video adapter enabled |
SW1/8 |
On |
|
Onboard video adapter disabled |
SW1/8 |
Off | |
|
DRAM CONFIGURATION 80486 PROCESSOR BOARD | |||
|
Size |
Bank 0 |
Bank 1 |
Bank 2 |
|
8MB |
(2) 1M x 36 |
NONE |
NONE |
|
16MB |
(2) 1M x 36 |
(2) 1M x 36 |
NONE |
|
24MB |
(2) 1M x 36 |
(2) 1M x 36 |
(2) 1M x 36 |
|
40MB |
(2) 1M x 36 |
(2) 4M x 36 |
NONE |
|
74MB |
(2) 1M x 36 |
(2) 4M x 36 |
(2) 4M x 36 |
|
136MB |
(2) 1M x 36 |
(2) 16M x 36 |
NONE |
|
DRAM CONFIGURATION PENTIUM PROCESSOR BOARD | |||
|
Size |
Bank 0 |
Bank 1 |
Bank 2 |
|
16MB |
(2) 2M x 36 |
NONE |
NONE |
|
32MB |
(2) 2M x 36 |
(2) 2M x 36 |
NONE |
|
32MB |
(2) 4M x 36 |
NONE |
NONE |
|
48MB |
(2) 2M x 36 |
(2) 2M x 36 |
(2) 2M x 36 |
|
48MB |
(2) 2M x 36 |
(2) 4M x 36 |
NONE |
|
64MB |
(2) 2M x 36 |
(2) 2M x 36 |
(2) 4M x 36 |
|
80MB |
(2) 2M x 36 |
(2) 4M x 36 |
(2) 4M x 36 |
|
96MB |
(2) 4M x 36 |
(2) 4M x 36 |
(2) 4M x 36 |
|
128MB |
(2) 16M x 36 |
NONE |
NONE |
|
144MB |
(2) 16M x 36 |
(2) 2M x 36 |
NONE |
|
160MB |
(2) 16M x 36 |
(2) 2M x 36 |
(2) 2M x 36 |
|
160MB |
(2) 16M x 36 |
(2) 4M x 36 |
NONE |
|
192MB |
(2) 16M x 36 |
(2) 4M x 36 |
(2) 4M x 36 |