DATAEXPERT CORPORATION
AVX430, ARISTO 5000
|
Device Type |
Mainboard |
|
Processor |
CX 6X86/AM K5/Pentium |
|
Processor Speed |
75/90/100/120/133/150/166/200MHz |
|
Chip Set |
Unidentified |
|
Video Chip Set |
S3 |
|
Audio Chip Set |
Yamaha |
|
Maximum Onboard Memory |
128MB (EDO & SDRAM supported) |
|
Maximum Video Memory |
Unidentified |
|
Cache |
256/512KB |
|
BIOS |
Award |
|
Dimensions |
305mm x 244mm |
|
I/O Options |
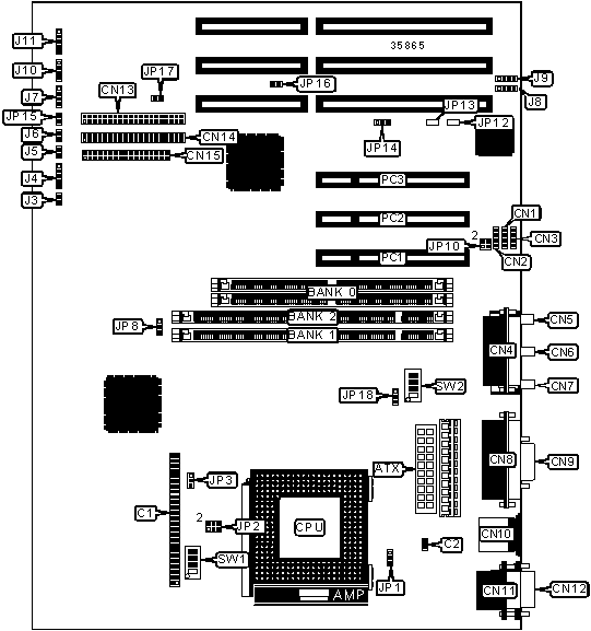
32-bit PCI slots (3), floppy drive interface, game/MIDI port, green PC connector, IDE interfaces (2), parallel port, PS/2 mouse port, serial ports (2), VGA port, cache slot, IR connector, USB connectors (2), ATX power connector, line in, line out, microphone in, audio connectors (3) |
|
CONNECTIONS | |||
|
Purpose |
Location |
Purpose |
Location |
|
ATX power connector |
ATX |
Floppy drive interface |
CN15 |
|
Chassis fan power |
C2 |
Soft off power supply |
J3 |
|
Audio connector |
CN1 |
IR connector |
J4 |
|
Audio connector |
CN2 |
Turbo LED |
J5 |
|
Audio connector |
CN3 |
Green PC connector |
J6 |
|
Game/MIDI port |
CN4 |
IDE interface LED |
J7 |
|
Line out |
CN5 |
USB connector 1 |
J8 |
|
Microphone in |
CN6 |
USB connector 2 |
J9 |
|
Line in |
CN7 |
Speaker |
J10 |
|
Parallel port |
CN8 |
Power LED & keylock |
J11 |
|
VGA port |
CN9 |
Mono in connector |
JP10 |
|
PS/2 mouse port |
CN10 |
Volume up |
JP12 |
|
Serial port 2 |
CN11 |
Volume down |
JP13 |
|
Serial port 1 |
CN12 |
Reset switch |
JP15 |
|
IDE interface 2 |
CN13 |
32-bit PCI slots |
PC1 – PC3 |
|
IDE interface 1 |
CN14 | ||
|
USER CONFIGURABLE SETTINGS | |||
|
Function |
Label |
Position | |
|
» |
Factory configured - do not alter |
C1 |
Unidentified |
|
» |
Factory configured - do not alter |
JP1 |
Unidentified |
|
» |
ATX power low active |
JP8 |
Pins 1 & 2 closed |
|
ATX power high active |
JP8 |
Pins 2 & 3 closed | |
|
» |
Flash BIOS voltage select 5v |
JP14 |
Pins 2 & 3 closed |
|
Flash BIOS voltage select 12v |
JP14 |
Pins 1 & 2 closed | |
|
» |
AT bus clock select PCICLK/4 |
JP16 |
Closed |
|
AT bus clock select PCICLK/3 |
JP16 |
Open | |
|
» |
CMOS memory normal operation |
JP17 |
Open |
|
CMOS memory clear |
JP17 |
Closed | |
|
SIMM CONFIGURATION | |
|
Size |
Bank 0 |
|
8MB |
(2) 1M x 36 |
|
16MB |
(2) 2M x 36 |
|
32MB |
(2) 4M x 36 |
|
64MB |
(2) 8M x 36 |
|
128MB |
(2) 16M x 36 |
|
Note: Board accepts EDO memory. | |
|
DIMM CONFIGURATION | ||
|
Size |
Bank 0 |
Bank 1 |
|
8MB |
(1) 1M x 64 |
None |
|
16MB |
(1) 2M x 64 |
None |
|
16MB |
(1) 1M x 64 |
(1) 1M x 64 |
|
24MB |
(1) 2M x 64 |
(1) 1M x 64 |
|
32MB |
(1) 4M x 64 |
None |
|
32MB |
(1) 2M x 64 |
(1) 2M x 64 |
|
40MB |
(1) 4M x 64 |
(1) 1M x 64 |
|
48MB |
(1) 4M x 64 |
(1) 2M x 64 |
|
64MB |
(1) 8M x 64 |
None |
|
64MB |
(1) 4M x 64 |
(1) 4M x 64 |
|
72MB |
(1) 8M x 64 |
(1) 1M x 64 |
|
80MB |
(1) 8M x 64 |
(1) 2M x 64 |
|
96MB |
(1) 8M x 64 |
(1) 4M x 64 |
|
128MB |
(1) 8M x 64 |
(1) 8M x 64 |
|
Note: Board accepts SDRAM memory. | ||
|
CACHE CONFIGURATION |
|
Note: The location of the cache is unidentified. |
|
VIDEO MEMORY CONFIGURATION |
|
Note: The location of the video memory is unidentified. |
|
CPU SPEED SELECTION (CX 6X86) | |||||||
|
CPU speed |
Clock speed |
Multiplier |
JP18 |
SW2/1 |
SW2/2 |
SW2/3 |
SW2/4 |
|
120MHz |
50MHz |
2x |
2 & 3 |
On |
Off |
On |
On |
|
133MHz |
55MHz |
2x |
1 & 2 |
On |
Off |
On |
On |
|
150MHz |
60MHz |
2x |
2 & 3 |
On |
Off |
On |
Off |
|
166MHz |
66MHz |
2x |
2 & 3 |
On |
Off |
Off |
On |
|
Note: Pins designated should be in the closed position. | |||||||
|
CPU SPEED SELECTION (AM K5) | |||||||
|
CPU speed |
Clock speed |
Multiplier |
JP18 |
SW2/1 |
SW2/2 |
SW2/3 |
SW2/4 |
|
75MHz |
50MHz |
1.5x |
2 & 3 |
Off |
Off |
On |
On |
|
90MHz |
60MHz |
1.5x |
2 & 3 |
Off |
Off |
On |
Off |
|
100MHz |
66MHz |
1.5x |
2 & 3 |
Off |
Off |
Off |
On |
|
120MHz |
60MHz |
1.5x |
2 & 3 |
Off |
Off |
On |
Off |
|
133MHz |
66MHz |
1.5x |
2 & 3 |
Off |
Off |
Off |
On |
|
166MHz |
66MHz |
2.5x |
2 & 3 |
On |
On |
Off |
On |
|
Note: Pins designated should be in the closed position. | |||||||
|
CPU SPEED SELECTION (INTEL) | |||||||
|
CPU speed |
Clock speed |
Multiplier |
JP18 |
SW2/1 |
SW2/2 |
SW2/3 |
SW2/4 |
|
75MHz |
50MHz |
1.5x |
2 & 3 |
Off |
Off |
On |
On |
|
90MHz |
60MHz |
1.5x |
2 & 3 |
Off |
Off |
On |
Off |
|
100MHz |
66MHz |
1.5x |
2 & 3 |
Off |
Off |
Off |
On |
|
120MHz |
60MHz |
2x |
2 & 3 |
On |
Off |
On |
Off |
|
133MHz |
66MHz |
2x |
2 & 3 |
On |
Off |
Off |
On |
|
150MHz |
60MHz |
2.5x |
2 & 3 |
On |
On |
On |
Off |
|
166MHz |
66MHz |
2.5x |
2 & 3 |
On |
On |
Off |
On |
|
200MHz |
66MHz |
3x |
2 & 3 |
Off |
On |
Off |
On |
|
CPU VOLTAGE SELECTION | |||||
|
Voltage |
SW1/1 |
SW1/2 |
SW1/3 |
SW1/4 | |
|
2.8v |
Off |
Off |
Off |
On | |
| » |
3.3v |
Off |
Off |
On |
On |
|
3.45v – 3.6v |
Off |
On |
On |
On | |
|
CPU VOLTAGE SELECTION | ||
|
Voltage |
JP2 |
JP3 |
|
Single |
Pins 3 & 4 closed |
Open |
|
Dual |
Open |
Pins 2 & 3 closed |