DATAEXPERT CORPORATION
AFX440, ARISTO 6000
|
Device Type |
Mainboard |
|
Processor |
Pentium Pro |
|
Processor Speed |
150/180/200MHz |
|
Chip Set |
Intel 440FX |
|
Video Chip Set |
S3 |
|
Maximum Onboard Memory |
128MB |
|
Maximum Video Memory |
Unidentified |
|
Cache |
256/512KB (located on Pentium Pro CPU) |
|
BIOS |
Award |
|
Dimensions |
305mm x 244mm |
|
I/O Options |
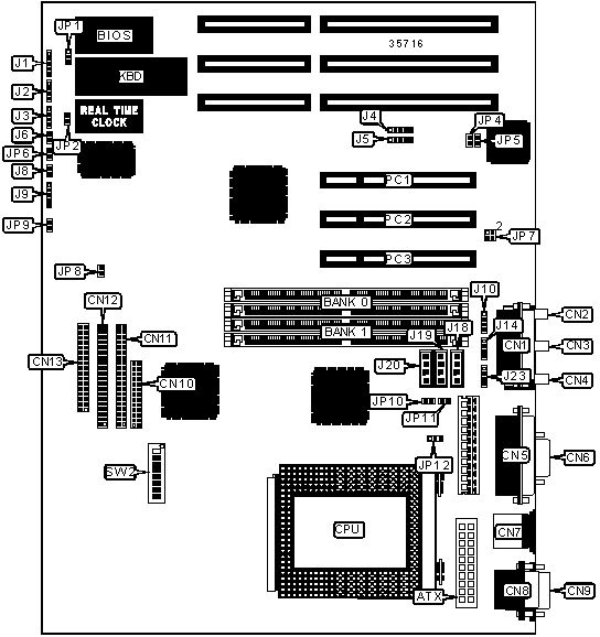
32-bit PCI slots (3), floppy drive interface, game/MIDI port, green PC connector, IDE interfaces (2), parallel port, PS/2 mouse port, serial ports (2), VGA feature connector, VGA port, IR connector, USB connectors (2), ATX power connector, line in, line out, microphone in, audio in - CD-ROMs (3) |
|
CONNECTIONS | |||
|
Purpose |
Location |
Purpose |
Location |
|
ATX power connector |
ATX |
USB connector 1 |
J4 |
|
Game/MIDI port |
CN1 |
USB connector 2 |
J5 |
|
Line out |
CN2 |
Reset switch |
J6 |
|
Microphone in |
CN3 |
Turbo LED |
J8 |
|
Line in |
CN4 |
IR connector |
J9 |
|
Parallel port |
CN5 |
Audio connector |
J10 |
|
VGA port |
CN6 |
Audio connector |
J14 |
|
PS/2 mouse port |
CN7 |
Audio in - CD-ROM |
J18 |
|
Serial port 2 |
CN8 |
Audio in - CD-ROM |
J19 |
|
Serial port 1 |
CN9 |
Audio in - CD-ROM |
J20 |
|
VGA feature connector |
CN10 |
Audio connector |
J23 |
|
IDE interface 2 |
CN11 |
Green PC connector |
JP6 |
|
IDE interface 1 |
CN12 |
Soft off power supply |
JP9 |
|
Floppy drive interface |
CN13 |
CPU fan power |
JP10 |
|
Power LED & keylock |
J1 |
CPU fan power |
JP11 |
|
Speaker |
J2 |
32-bit PCI slots |
PC1 – PC3 |
|
IDE interface LED |
J3 | ||
|
USER CONFIGURABLE SETTINGS | |||
|
Function |
Label |
Position | |
|
» |
Flash BIOS voltage select 5v |
JP1 |
Pins 2 & 3 closed |
|
Flash BIOS voltage select 12v |
JP1 |
Pins 1 & 2 closed | |
|
» |
CMOS memory normal operation |
JP2 |
Open |
|
CMOS memory clear |
JP2 |
Closed | |
|
» |
Factory configured - do not alter |
JP4 |
Unidentified |
|
» |
Factory configured - do not alter |
JP5 |
Unidentified |
|
» |
Factory configured - do not alter |
JP7 |
Unidentified |
|
» |
AT bus clock select PCICLK/4 |
JP8 |
Closed |
|
AT bus clock select PCICLK/3 |
JP8 |
Open | |
|
» |
ATX power low active |
JP12 |
Pins 1 & 2 closed |
|
ATX power high active |
JP12 |
Pins 2 & 3 closed | |
|
SIMM CONFIGURATION | ||
|
Size |
Bank 0 |
Bank 1 |
|
8MB |
(2) 1M x 36 |
None |
|
16MB |
(2) 2M x 36 |
None |
|
16MB |
(2) 1M x 36 |
(2) 1M x 36 |
|
24MB |
(2) 2M x 36 |
(2) 1M x 36 |
|
32MB |
(2) 4M x 36 |
None |
|
32MB |
(2) 2M x 36 |
(2) 2M x 36 |
|
40MB |
(2) 4M x 36 |
(2) 1M x 36 |
|
48MB |
(2) 4M x 36 |
(2) 2M x 36 |
|
64MB |
(2) 8M x 36 |
None |
|
64MB |
(2) 4M x 36 |
(2) 4M x 36 |
|
72MB |
(2) 8M x 36 |
(2) 1M x 36 |
|
80MB |
(2) 8M x 36 |
(2) 2M x 36 |
|
96MB |
(2) 8M x 36 |
(2) 4M x 36 |
|
128MB |
(2) 8M x 36 |
(2) 8M x 36 |
|
CACHE CONFIGURATION |
|
Note: 256KB/512KB cache is located on the Pentium Pro CPU. |
|
CPU SPEED SELECTION | ||||||
|
CPU speed |
Clock speed |
Multiplier |
SW2/1 |
SW1/2 |
SW2/3 |
SW2/4 |
|
150MHz |
60MHz |
2.5x |
On |
Off |
Off |
On |
|
150MHz |
60MHz |
2.5x |
On |
On |
On |
Off |
|
180MHz |
60MHz |
3x |
On |
Off |
On |
Off |
|
200MHz |
66MHz |
3x |
Off |
On |
On |
Off |
|
Note: Either setting may be used for the 150MHz CPU. | ||||||
|
CPU SPEED SELECTION (CON’T) | ||||||
|
CPU speed |
Clock speed |
Multiplier |
SW2/5 |
SW1/6 |
SW2/7 |
SW2/8 |
|
150MHz |
60MHz |
2.5x |
On |
On |
On |
Off |
|
150MHz |
60MHz |
2.5x |
On |
On |
On |
Off |
|
180MHz |
60MHz |
3x |
On |
On |
On |
Off |
|
200MHz |
66MHz |
3x |
On |
On |
Off |
On |
|
Note: Either setting may be used for the 150MHz CPU. | ||||||