DTK COMPUTER, INC.
PAM-0066I (VER. 1.20)
|
Device Type |
Mainboard |
|
Processor |
CX 6X86/CX 6X86L/CX 6X86MX/AM K5/AM K6/Pentium/Pentium MMX |
|
Processor Speed |
90/100/110/120/130/133/150/166/200/233/266MHz |
|
Chip Set |
Intel 430TX |
|
Maximum Onboard Memory |
256MB (EDO & SDRAM supported) |
|
Cache |
512KB |
|
BIOS |
Award |
|
Video Chip Set |
S3 |
|
Maximum Video Memory |
4MB VRAM |
|
Dimensions |
200mm x 248mm |
|
I/O Options |
32-bit EISA slot, floppy drive interface, green PC connector, IDE interfaces (2), parallel port, PS/2 mouse port, serial ports (2), VGA feature connector, VGA port, wavetable connector, audio in - CD-ROM (2), audio connectors (2) |
|
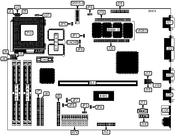
CONNECTIONS | |||
|
Purpose |
Location |
Purpose |
Location |
|
ATX power |
ATX |
IR connector |
J15 |
|
Reset switch |
J1 |
USB connector 1 |
J16 |
|
Green PC connector |
J2 |
USB connector 2 |
J17 |
|
Green PC LED |
J3 |
VGA feature connector |
J18 |
|
Speaker |
J4 |
Video memory expansion board connector |
J19 |
|
IDE interface LED |
J5 |
Video memory expansion board connector |
J20 |
|
Power LED & keylock |
J6 |
VGA port |
J21 |
|
IDE interface 1 |
J7 |
Parallel port |
J22 |
|
IDE interface 2 |
J8 |
Serial port 1 |
J23 |
|
Floppy drive interface |
J9 |
Serial port 2 |
J24 |
|
Wavetable connector |
J10 |
PS/2 mouse port |
J25 |
|
Audio in - CD-ROM connector |
J13 |
CPU fan power |
J27 |
|
Audio in - CD-ROM connector |
J14 |
32-bit EISA slot |
SL1 |
|
USER CONFIGURABLE SETTINGS | |||
|
Function |
Label |
Position | |
|
VGA enabled |
JP1 |
Closed | |
|
VGA disabled |
JP1 |
Open | |
|
Flash BIOS voltage select 5v |
JP3 |
Pins 2 & 3 closed | |
|
Flash BIOS voltage select 12v |
JP3 |
Pins 1 & 2 closed | |
|
Audio enabled |
JP4 |
Closed | |
|
Audio disabled |
JP4 |
Open | |
|
» |
Factory configured - do not alter |
JP6 |
Pins 2 & 3 closed |
|
» |
CMOS memory normal operation |
JP7 |
Pins 1 & 2 closed |
|
CMOS memory clear |
JP7 |
Pins 2 & 3 closed | |
|
DRAM CONFIGURATION | ||
|
Size |
Bank 0 |
Bank 1 |
|
8MB |
(2) 1MB x 36 |
None |
|
16MB |
(2) 1MB x 36 |
(2) 1MB x 36 |
|
16MB |
(2) 2MB x 36 |
None |
|
24MB |
(2) 2MB x 36 |
(2) 1MB x 36 |
|
32MB |
(2) 2MB x 36 |
(2) 2MB x 36 |
|
32MB |
(2) 4MB x 36 |
None |
|
40MB |
(2) 4MB x 36 |
(2) 1MB x 36 |
|
48MB |
(2) 4MB x 36 |
(2) 2MB x 36 |
|
64MB |
(2) 4MB x 36 |
(2) 4MB x 36 |
|
64MB |
(2) 8MB x 36 |
None |
|
72MB |
(2) 8MB x 36 |
(2) 1MB x 36 |
|
80MB |
(2) 8MB x 36 |
(2) 2MB x 36 |
|
96MB |
(2) 8MB x 36 |
(2) 4MB x 36 |
|
128MB |
(2) 8MB x 36 |
(2) 8MB x 36 |
|
128MB |
(2) 16MB x 36 |
None |
|
136MB |
(2) 16MB x 36 |
(2) 1MB x 36 |
|
DRAM CONFIGURATION (CON’T) | ||
|
Size |
Bank 0 |
Bank 1 |
|
144MB |
(2) 16MB x 36 |
(2) 2MB x 36 |
|
160MB |
(2) 16MB x 36 |
(2) 4MB x 36 |
|
192MB |
(2) 16MB x 36 |
(2) 8MB x 36 |
|
256MB |
(2) 16MB x 36 |
(2) 16MB x 36 |
|
Note: Board supports Page and EDO memory. | ||
|
VIDEO MEMORY CONFIGURATION | ||
|
Size |
Bank 0 |
J19/J20 |
|
2MB |
2MB |
None |
|
4MB |
2MB |
2MB expansion board |
|
POWER SUPPLY SELECTION | ||
|
Power supply |
JP8 |
JP9 |
|
AT power |
Closed |
Open |
|
ATX power |
Open |
Closed |
|
CPU SPEED SELECTION (INTEL) | ||||||||
|
Speed |
Clock speed |
Multiplier |
SW1/3 |
SW1/4 |
SW1/5 |
SW1/6 |
SW1/7 |
SW1/8 |
|
90MHz |
60MHz |
1.5x |
Off |
Off |
Off |
On |
Off |
Off |
|
100MHz |
66MHz |
1.5x |
Off |
Off |
Off |
Off |
On |
Off |
|
120MHz |
60MHz |
2x |
On |
Off |
Off |
On |
Off |
Off |
|
133MHz |
66MHz |
2x |
On |
Off |
Off |
Off |
On |
Off |
|
166MHz |
66MHz |
2.5x |
On |
On |
Off |
Off |
On |
Off |
|
200MHz |
66MHz |
3x |
Off |
On |
Off |
Off |
On |
Off |
|
CPU SPEED SELECTION (INTEL MMX) | ||||||||
|
Speed |
Clock speed |
Multiplier |
SW1/3 |
SW1/4 |
SW1/5 |
SW1/6 |
SW1/7 |
SW1/8 |
|
166MHz |
66MHz |
2.5x |
On |
On |
Off |
Off |
On |
Off |
|
200MHz |
66MHz |
3x |
Off |
On |
Off |
Off |
On |
Off |
|
233MHz |
66MHz |
3.5x |
Off |
Off |
Off |
Off |
On |
Off |
|
CPU SPEED SELECTION (CX 6X86L) | ||||||||
|
Speed |
Clock speed |
Multiplier |
SW1/3 |
SW1/4 |
SW1/5 |
SW1/6 |
SW1/7 |
SW1/8 |
|
150MHz |
60MHz |
2x |
On |
Off |
Off |
On |
Off |
Off |
|
166MHz |
66MHz |
2x |
On |
Off |
Off |
Off |
On |
Off |
|
200MHz |
75MHz |
2x |
On |
Off |
Off |
Off |
Off |
On |
|
CPU SPEED SELECTION (CX 6X86MX) | ||||||||
|
Speed |
Clock speed |
Multiplier |
SW1/3 |
SW1/4 |
SW1/5 |
SW1/6 |
SW1/7 |
SW1/8 |
|
166MHz |
60MHz |
2.5x |
On |
On |
Off |
On |
Off |
Off |
|
200MHz |
75MHz |
2x |
On |
Off |
Off |
Off |
Off |
On |
|
CPU SPEED SELECTION (AM K5) | ||||||||
|
Speed |
Clock speed |
Multiplier |
SW1/3 |
SW1/4 |
SW1/5 |
SW1/6 |
SW1/7 |
SW1/8 |
|
120MHz |
60MHz |
2x |
On |
Off |
Off |
On |
Off |
Off |
|
133MHz |
66MHz |
2x |
On |
Off |
Off |
Off |
On |
Off |
|
166MHz |
66MHz |
2.5x |
On |
On |
Off |
Off |
On |
Off |
|
CPU SPEED SELECTION (AM K6) | ||||||||
|
Speed |
Clock speed |
Multiplier |
SW1/3 |
SW1/4 |
SW1/5 |
SW1/6 |
SW1/7 |
SW1/8 |
|
166MHz |
66MHz |
2.5x |
On |
On |
Off |
Off |
On |
Off |
|
200MHz |
66MHz |
3x |
Off |
On |
Off |
Off |
On |
Off |
|
233MHz |
66MHz |
3.5x |
Off |
Off |
Off |
Off |
On |
Off |
|
266MHz |
66MHz |
4x |
On |
Off |
On |
Off |
On |
Off |
|
CPU VOLTAGE SELECTION | |||
|
Voltage |
SW1/1 |
SW1/2 |
JP5 |
|
Auto |
Off |
Off |
Open |
|
2.8V |
Off |
Off |
Closed |
|
2.9V |
On |
Off |
Closed |
|
3.2V |
Off |
Off |
Open |
|
3.3V |
Off |
On |
Open |
|
3.5V |
On |
On |
Closed |