DELL COMPUTER CORPORATION
POWEREDGE XL 5133-4
|
Processor |
Pentium |
|
Processor Speed |
133MHz |
|
Chip Set |
Intel |
|
Video Chip Set |
Cirrus Logic |
|
Maximum Onboard Memory |
768MB (EDO supported) |
|
Maximum Video Memory |
1MB |
|
Cache |
512/1024/2048/4096KB |
|
BIOS |
Unidentified |
|
Dimensions |
305mm x 244mm |
|
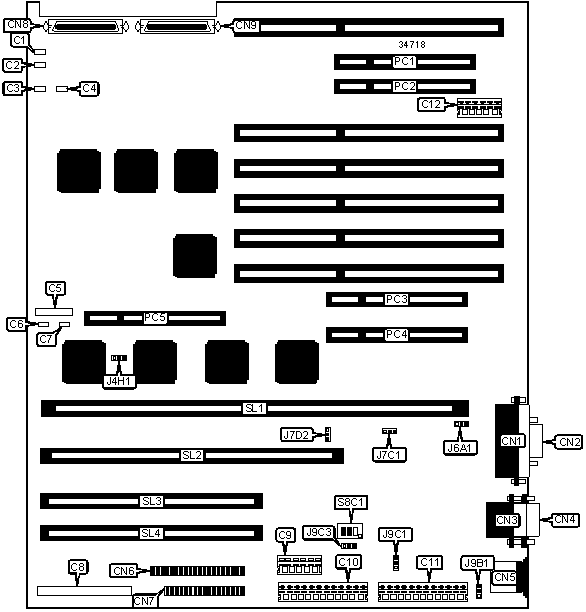
I/O Options |
External memory cards (2), 32-bit PCI slots (5), floppy drive interface, IDE interface, Ultra Wide SCSI interfaces (2), parallel port, PS/2 mouse port, serial ports (2), VGA port |
|
NPU Options |
None |
|
CONNECTIONS | |||
|
Purpose |
Location |
Purpose |
Location |
|
I2C connector |
C1 |
VGA port |
CN2 |
|
I2C connector |
C2 |
Serial port 1 |
CN3 |
|
Chassis fan power |
C3 |
Serial port 2 |
CN4 |
|
IDE interface LED 2 |
C4 |
PS/2 mouse port |
CN5 |
|
SMM connector |
C5 |
IDE interface |
CN6 |
|
Chassis fan power |
C6 |
Floppy drive interface |
CN7 |
|
IDE interface LED 1 |
C7 |
Ultra Wide SCSI interface |
CN8 |
|
Front panel connector |
C8 |
Ultra Wide SCSI interface |
CN9 |
|
3.3v auxiliary power |
C9 |
32-bit PCI slots |
PC1 – PC5 |
|
Power connector |
C10 |
CPU slot 2 |
SL1 |
|
Power connector |
C11 |
CPU slot 1 |
SL2 |
|
3.3v auxiliary power |
C12 |
Memory slot |
SL3 |
|
Parallel port |
CN1 |
Memory slot |
SL4 |
|
USER CONFIGURABLE SETTINGS | |||
|
Function |
Label |
Position | |
|
» |
CPU slot 2 to TDV module enabled |
J4H1 |
Pins 1 & 2 closed |
|
CPU slot 2 to TDV module disabled |
J4H1 |
Pins 2 & 3 closed | |
|
» |
Video sleep address select 03C3H |
J6A1 |
Pins 2 & 3 closed |
|
Video sleep address select 46E8H |
J6A1 |
Pins 1 & 2 closed | |
|
» |
BIOS write protect disabled |
J7C1 |
Pins 1 & 2 closed |
|
BIOS write protect enabled |
J7C1 |
Pins 2 & 3 closed | |
|
» |
BIOS normal operation |
J7D2 |
Pins 1 & 2 closed |
|
BIOS recovery mode |
J7D2 |
Pins 2 & 3 closed | |
|
RTC power control disabled |
J9C3 |
Pins 1 & 2 closed | |
|
RTC power control enabled |
J9C3 |
Pins 2 & 3 closed | |
|
» |
CMOS memory normal operation |
S8C1/1 |
Off |
|
CMOS memory clear |
S8C1/1 |
On | |
|
» |
Password enabled |
S8C1/2 |
Off |
|
Password disabled |
S8C1/2 |
On | |
|
» |
Flash write enabled |
S8C1/3 |
On |
|
Flash write disabled |
S8C1/3 |
Off | |
|
SIMM CONFIGURATION 1 | |||
|
Size |
Bank 0 |
Bank 1 |
Bank 2 |
|
8MB |
(2) 1M x 36 |
None |
None |
|
16MB |
(2) 1M x 36 |
(2) 1M x 36 |
None |
|
16MB |
(2) 2M x 36 |
None |
None |
|
24MB |
(2) 1M x 36 |
(2) 1M x 36 |
(2) 1M x 36 |
|
32MB |
(2) 2M x 36 |
(2) 2M x 36 |
None |
|
32MB |
(2) 4M x 36 |
None |
None |
|
48MB |
(2) 2M x 36 |
(2) 2M x 36 |
(2) 2M x 36 |
|
64MB |
(2) 4M x 36 |
(2) 4M x 36 |
None |
|
64MB |
(2) 8M x 36 |
None |
None |
|
96MB |
(2) 4M x 36 |
(2) 4M x 36 |
(2) 4M x 36 |
|
128MB |
(2) 8M x 36 |
(2) 8M x 36 |
None |
|
128MB |
(2) 16M x 36 |
None |
None |
|
192MB |
(2) 8M x 36 |
(2) 8M x 36 |
(2) 8M x 36 |
|
256MB |
(2) 16M x 36 |
(2) 16M x 36 |
None |
|
256MB |
(2) 32M x 36 |
None |
None |
|
384MB |
(2) 16M x 36 |
(2) 16M x 36 |
(2) 16M x 36 |
|
Note: Board accepts EDO memory. To install the maximum memory, fully populate configuration 1 & configuration 2. | |||
|
SIMM CONFIGURATION 2 | |||
|
Size |
Bank 3 |
Bank 4 |
Bank 5 |
|
8MB |
(2) 1M x 36 |
None |
None |
|
16MB |
(2) 1M x 36 |
(2) 1M x 36 |
None |
|
16MB |
(2) 2M x 36 |
None |
None |
|
24MB |
(2) 1M x 36 |
(2) 1M x 36 |
(2) 1M x 36 |
|
32MB |
(2) 2M x 36 |
(2) 2M x 36 |
None |
|
32MB |
(2) 4M x 36 |
None |
None |
|
48MB |
(2) 2M x 36 |
(2) 2M x 36 |
(2) 2M x 36 |
|
64MB |
(2) 4M x 36 |
(2) 4M x 36 |
None |
|
64MB |
(2) 8M x 36 |
None |
None |
|
96MB |
(2) 4M x 36 |
(2) 4M x 36 |
(2) 4M x 36 |
|
128MB |
(2) 8M x 36 |
(2) 8M x 36 |
None |
|
128MB |
(2) 16M x 36 |
None |
None |
|
192MB |
(2) 8M x 36 |
(2) 8M x 36 |
(2) 8M x 36 |
|
256MB |
(2) 16M x 36 |
(2) 16M x 36 |
None |
|
256MB |
(2) 32M x 36 |
None |
None |
|
384MB |
(2) 16M x 36 |
(2) 16M x 36 |
(2) 16M x 36 |
|
Note: Board accepts EDO memory. Memory is located on external memory cards. | |||
|
CACHE CONFIGURATION |
|
Note: The location of the cache is unidentified. |
|
VIDEO MEMORY CONFIGURATION |
|
Note: 1MB video memory is factory installed and is not configurable. The location is unidentified. |
|
FLOPPY DRIVE SELECTION | ||
|
Setting |
J9B1 |
J9C1 |
|
2.88MB floppy disabled |
Pins 1 & 2 closed |
Pins 1 & 2 closed |
|
Automatic size detection enabled |
Pins 2 & 3 closed |
Pins 2 & 3 closed |