DELL COMPUTER CORPORATION
OPTIPLEX GXI
|
Processor |
Pentium |
|
Processor Speed |
133/166/200/233MHz |
|
Chip Set |
Intel |
|
Video Chip Set |
S3 |
|
Maximum Onboard Memory |
512MB (EDO supported) |
|
Maximum Video Memory |
2MB |
|
Cache |
256/512KB |
|
BIOS |
Unidentified |
|
Dimensions |
305mm x 244mm |
|
I/O Options |
Audio in-CD-ROM, floppy drive interface, IDE interfaces (2), parallel port, PS/2 mouse port, serial port, VGA port, riser slot, cache slot, USB connectors (2), ATX power connector, line in, line out, microphone in, NIC daughterboard slot |
|
NPU Options |
None |
|
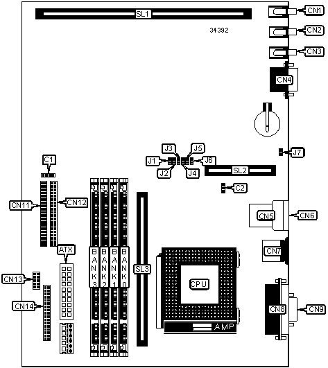
CONNECTIONS | |||
|
Purpose |
Location |
Purpose |
Location |
|
ATX power connector |
ATX |
Parallel port |
CN8 |
|
Audio in-CD-ROM |
C1 |
Serial port |
CN9 |
|
Chassis fan power |
C2 |
IDE interface 2 |
CN11 |
|
Line in |
CN1 |
IDE interface 1 |
CN12 |
|
Line out |
CN2 |
Front panel connector |
CN13 |
|
Microphone in |
CN3 |
Floppy drive interface |
CN14 |
|
VGA port |
CN4 |
Riser slot |
SL1 |
|
USB connector |
CN5 |
NIC daughterboard slot |
SL2 |
|
USB connector |
CN6 |
Cache slot |
SL3 |
|
PS/2 mouse port |
CN7 | ||
|
USER CONFIGURABLE SETTINGS | |||
|
Function |
Label |
Position | |
|
» |
Factory configured - do not alter |
J1 |
Open |
|
Password enabled |
J2 |
Closed | |
|
Password disabled |
J2 |
Open | |
|
» |
Factory configured - do not alter (Configuration B only) |
J6 |
Open |
|
NIC setting normal operation |
J7 |
Open | |
|
NIC setting clear |
J7 |
Closed | |
|
Note: For Configuration B, see CPU speed table. | |||
|
DIMM CONFIGURATION | ||||
|
Size |
Bank 0 |
Bank 1 |
Bank 2 |
Bank 3 |
|
16MB |
(1) 2M x 64 |
None |
None |
None |
|
32MB |
(1) 2M x 64 |
(1) 2M x 64 |
None |
None |
|
32MB |
(1) 4M x 64 |
None |
None |
None |
|
48MB |
(1) 2M x 64 |
(1) 2M x 64 |
(1) 2M x 64 |
None |
|
64MB |
(1) 2M x 64 |
(1) 2M x 64 |
(1) 2M x 64 |
(1) 2M x 64 |
|
64MB |
(1) 4M x 64 |
(1) 4M x 64 |
None |
None |
|
64MB |
(1) 8M x 64 |
None |
None |
None |
|
96MB |
(1) 4M x 64 |
(1) 4M x 64 |
(1) 4M x 64 |
None |
|
128MB |
(1) 4M x 64 |
(1) 4M x 64 |
(1) 4M x 64 |
(1) 4M x 64 |
|
128MB |
(1) 8M x 64 |
(1) 8M x 64 |
None |
None |
|
128MB |
(1) 16M x 64 |
None |
None |
None |
|
192MB |
(1) 8M x 64 |
(1) 8M x 64 |
(1) 8M x 64 |
None |
|
256MB |
(1) 8M x 64 |
(1) 8M x 64 |
(1) 8M x 64 |
(1) 8M x 64 |
|
256MB |
(1) 16M x 64 |
(1) 16M x 64 |
None |
None |
|
384MB |
(1) 16M x 64 |
(1) 16M x 64 |
(1) 16M x 64 |
None |
|
512MB |
(1) 16M x 64 |
(1) 16M x 64 |
(1) 16M x 64 |
(1) 16M x 64 |
|
Note: Board accepts EDO memory. Largest size DIMM must be installed in Bank 0 with decreasing sizes in Banks 1 - 3. | ||||
|
CACHE CONFIGURATION | |
|
Size |
TAG |
|
256KB |
256KB module installed |
|
512KB |
512KB module installed |
|
VIDEO MEMORY CONFIGURATION |
|
Note: The location of the video memory is unidentified. |
|
CPU SPEED SELECTION (CONFIGURATION A) | ||||||
|
CPU speed |
Clock speed |
Multiplier |
J3 |
J4 |
J5 |
J6 |
|
133MHz |
66MHz |
2x |
Open |
Open |
Open |
Closed |
|
166MHz |
66MHz |
2.5x |
Open |
Open |
Closed |
Open |
|
200MHz |
66MHz |
3x |
Open |
Closed |
Open |
Open |
|
233MHz |
66MHz |
3.5x |
Closed |
Open |
Open |
Open |
|
CPU SPEED SELECTION (CONFIGURATION B) | |||||
|
CPU speed |
Clock speed |
Multiplier |
J3 |
J4 |
J5 |
|
133MHz |
66MHz |
2x |
Open |
Open |
Closed |
|
166MHz |
66MHz |
2.5x |
Open |
Closed |
Open |
|
200MHz |
66MHz |
3x |
Closed |
Open |
Open |