COMPAQ COMPUTER CORPORATION
DESKPRO 486/33L DESKPRO 386/33L
|
Processor |
80306DX/80486DX |
|
Processor Speed |
33MHz |
|
Chip Set |
Intel |
|
Max. Onboard DRAM |
100MB (on system memory card) |
|
Cache |
None |
|
BIOS |
Compaq |
|
Dimensions |
330mm x 218mm |
|
I/O Options |
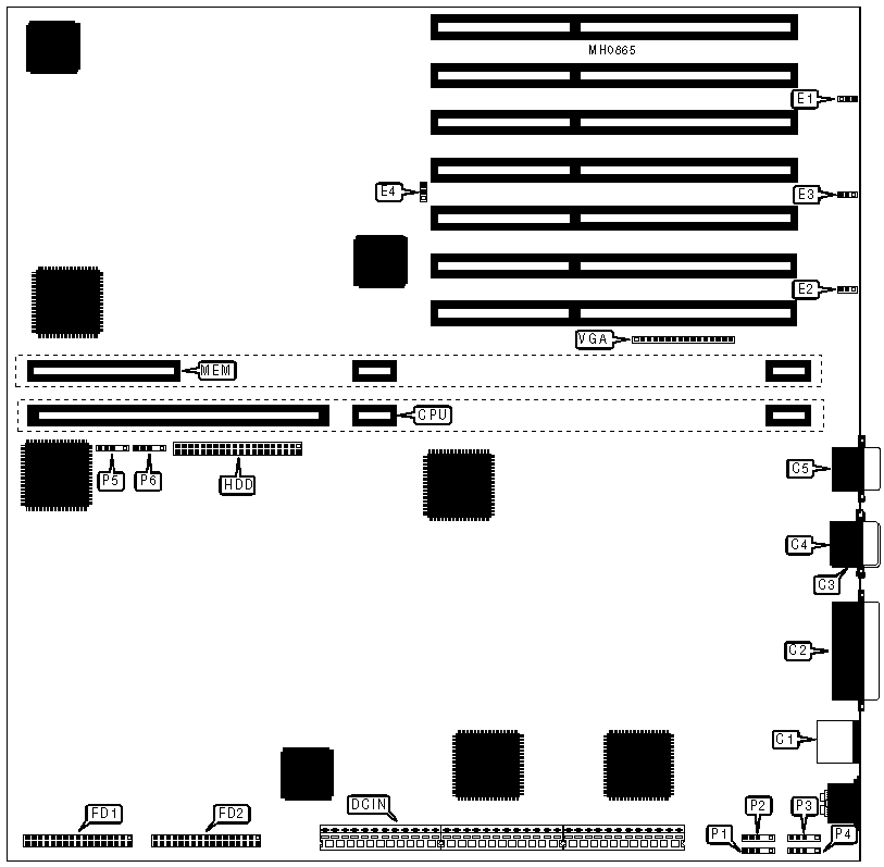
System processor card slot, proprietary system memory card, VGA port, parallel port, serial ports (2), bus mouse port, IDE interface, 3.5 and 5.25 inch floppy drive interface |
|
NPU Options |
None |

|
CONNECTIONS |
|||
|
Purpose |
Location |
Purpose |
Location |
|
Bus mouse port |
C1 |
3.5 inch floppy drive interface |
FD1 |
|
Parallel port |
C2 |
Floppy drive interface |
FD2 |
|
Serial port |
C3 |
IDE interface |
HDD |
|
VGA port |
C4 |
32-bit system memory card |
MEM |
|
Proprietary system processor card |
CPU |
Drive power plugs |
P1-P6 |
|
Main power |
DCIN |
VGA pass through |
VGA |
|
USER CONFIGURABLE SETTINGS |
|||
|
Function |
Jumper |
Position |
|
|
» |
Configuration enabled |
E1 |
pins 2 & 3 closed |
|
|
Configuration disabled (erased) |
E1 |
pins 1 & 2 closed |
|
» |
Password enabled |
E2 |
pins 2 & 3 closed |
|
|
Passowrd disabled |
E2 |
pins 1 & 2 closed |
|
» |
Onboard VGA controller enabled |
E3 |
pins 2 & 3 closed |
|
|
Onboard VGA controller disabled |
E3 |
pins 1 & 2 closed |
|
» |
Local bus hidden refresh enabled |
E4 |
pins 2 & 3 closed |
|
|
Local bus hidden refresh disabled |
E4 |
pins 1 & 2 closed |
|
Note:Not all jumpers are present on all board revisions. |
|||
SYSTEM MEMORY CARD (Model 001370)

|
CONNECTIONS |
|
|
Purpose |
Location |
|
VGA pass through |
V1 |
|
DRAM CONFIGURATION |
||||
|
Size |
M0 |
M1 |
M2 |
M3 |
|
2MB |
2MB module |
NONE |
NONE |
NONE |
|
4MB |
2MB module |
2MB module |
NONE |
NONE |
|
6MB |
2MB module |
2MB module |
2MB module |
NONE |
|
8MB |
2MB module |
2MB module |
2MB module |
2MB module |
|
8MB |
8MB module (2 plug) |
----------------- |
NONE |
NONE |
|
8MB |
8MB module |
NONE |
NONE |
NONE |
|
10MB |
8MB module (2 plug) |
----------------- |
2MB module |
NONE |
|
10MB |
8MB module |
2MB module |
NONE |
NONE |
|
12MB |
8MB module (2 plug) |
----------------- |
2MB module |
2MB module |
|
12MB |
8MB module |
2MB module |
2MB module |
NONE |
|
14MB |
8MB module |
2MB module |
2MB module |
2MB module |
|
16MB |
8MB module (2 plug) |
----------------- |
8MB module (2 plug) |
----------------- |
|
16MB |
8MB module |
8MB module |
NONE |
NONE |
|
18MB |
8MB module |
8MB module |
2MB module |
NONE |
|
18MB |
8MB module (2 plug) |
----------------- |
8MB module |
2MB module |
|
20MB |
8MB module |
8MB module |
2MB module |
2MB module |
|
24MB |
8MB module (2 plug) |
----------------- |
8MB module |
8MB module |
|
24MB |
8MB module |
8MB module |
8MB module |
NONE |
|
26MB |
8MB module |
8MB module |
8MB module |
2MB module |
|
32MB |
8MB module |
8MB module |
8MB module |
8MB module |
|
32MB |
32MB module (2 plug) |
----------------- |
NONE |
NONE |
|
34MB |
32MB module (2 plug) |
----------------- |
2MB module |
NONE |
|
36MB |
32MB module (2 plug) |
----------------- |
2MB module |
2MB module |
|
40MB |
32MB module (2 plug) |
----------------- |
8MB module (2 plug) |
----------------- |
|
40MB |
32MB module (2 plug) |
----------------- |
8MB module |
NONE |
|
42MB |
32MB module (2 plug) |
----------------- |
8MB module |
2MB module |
|
48MB |
32MB module (2 plug) |
----------------- |
8MB module |
8MB module |
|
64MB |
32MB module (2 plug) |
----------------- |
32MB module (2 plug) |
----------------- |
|
Note: The system memory card uses proprietary memory modules, some require only one module space on the memory board, while others require two. In the cases where a double size module is used, the following space is marked with "-----------------", designating that space as occupied. |
||||

|
DRAM CONFIGURATION |
||||||
|
Size |
M0 |
M1 |
M2 |
M3 |
M4 |
M5 |
|
6MB |
2MB |
NONE |
NONE |
NONE |
NONE |
NONE |
|
8MB |
2MB |
2MB |
NONE |
NONE |
NONE |
NONE |
|
10MB |
2MB |
2MB |
2MB |
NONE |
NONE |
NONE |
|
12MB |
2MB |
2MB |
2MB |
2MB |
NONE |
NONE |
|
12MB |
8MB |
NONE |
NONE |
NONE |
NONE |
NONE |
|
12MB |
8MB |
----------------- |
NONE |
NONE |
NONE |
NONE |
|
14MB |
2MB |
2MB |
2MB |
2MB |
2MB |
NONE |
|
14MB |
8MB |
2MB |
NONE |
NONE |
NONE |
NONE |
|
14MB |
8MB |
----------------- |
2MB |
NONE |
NONE |
NONE |
|
16MB |
2MB |
2MB |
2MB |
2MB |
2MB |
2MB |
|
16MB |
8MB |
2MB |
2MB |
NONE |
NONE |
NONE |
|
16MB |
8MB |
----------------- |
2MB |
2MB |
NONE |
NONE |
|
18MB |
8MB |
2MB |
2MB |
2MB |
NONE |
NONE |
|
18MB |
8MB |
----------------- |
2MB |
2MB |
2MB |
NONE |
|
20MB |
8MB |
2MB |
2MB |
2MB |
2MB |
NONE |
|
20MB |
8MB |
----------------- |
2MB |
2MB |
2MB |
2MB |
|
20MB |
8MB |
8MB |
NONE |
NONE |
NONE |
NONE |
|
20MB |
8MB |
----------------- |
8MB |
NONE |
NONE |
NONE |
|
20MB |
8MB |
----------------- |
8MB |
----------------- |
NONE |
NONE |
|
22MB |
8MB |
2MB |
2MB |
2MB |
2MB |
2MB |
|
22MB |
8MB |
8MB |
2MB |
NONE |
NONE |
NONE |
|
22MB |
8MB |
----------------- |
8MB |
2MB |
NONE |
NONE |
|
22MB |
8MB |
----------------- |
8MB |
----------------- |
2MB |
NONE |
|
24MB |
8MB |
8MB |
2MB |
2MB |
NONE |
NONE |
|
24MB |
8MB |
----------------- |
8MB |
2MB |
2MB |
NONE |
|
24MB |
8MB |
----------------- |
8MB |
----------------- |
2MB |
2MB |
|
26MB |
8MB |
8MB |
2MB |
2MB |
2MB |
NONE |
|
26MB |
8MB |
----------------- |
8MB |
2MB |
2MB |
2MB |
|
28MB |
8MB |
8MB |
2MB |
2MB |
2MB |
2MB |
|
28MB |
8MB |
8MB |
8MB |
NONE |
NONE |
NONE |
|
28MB |
8MB |
----------------- |
8MB |
8MB |
NONE |
NONE |
|
DRAM CONFIGURATION (CON'T) |
||||||
|
28MB |
8MB |
----------------- |
8MB |
----------------- |
8MB |
NONE |
|
28MB |
8MB |
----------------- |
8MB |
----------------- |
8MB |
----------------- |
|
30MB |
8MB |
8MB |
8MB |
2MB |
NONE |
NONE |
|
30MB |
8MB |
----------------- |
8MB |
8MB |
2MB |
NONE |
|
30MB |
8MB |
----------------- |
8MB |
----------------- |
8MB |
2MB |
|
32MB |
8MB |
8MB |
8MB |
2MB |
2MB |
NONE |
|
32MB |
8MB |
----------------- |
8MB |
8MB |
2MB |
2MB |
|
34MB |
8MB |
8MB |
8MB |
2MB |
2MB |
2MB |
|
36MB |
8MB |
8MB |
8MB |
8MB |
NONE |
NONE |
|
36MB |
8MB |
----------------- |
8MB |
8MB |
8MB |
NONE |
|
36MB |
8MB |
----------------- |
8MB |
----------------- |
8MB |
8MB |
|
36MB |
32MB |
----------------- |
NONE |
NONE |
NONE |
NONE |
|
38MB |
8MB |
8MB |
8MB |
8MB |
2MB |
NONE |
|
38MB |
8MB |
----------------- |
8MB |
8MB |
8MB |
2MB |
|
38MB |
32MB |
----------------- |
2MB |
NONE |
NONE |
NONE |
|
40MB |
8MB |
8MB |
8MB |
8MB |
2MB |
2MB |
|
40MB |
32MB |
----------------- |
2MB |
2MB |
NONE |
NONE |
|
44MB |
8MB |
8MB |
8MB |
8MB |
8MB |
NONE |
|
44MB |
8MB |
----------------- |
8MB |
8MB |
8MB |
8MB |
|
44MB |
32MB |
----------------- |
2MB |
2MB |
2MB |
2MB |
|
44MB |
32MB |
----------------- |
8MB |
NONE |
NONE |
NONE |
|
44MB |
32MB |
----------------- |
8MB |
----------------- |
NONE |
NONE |
|
46MB |
8MB |
8MB |
8MB |
8MB |
8MB |
2MB |
|
46MB |
32MB |
----------------- |
8MB |
2MB |
NONE |
NONE |
|
46MB |
32MB |
----------------- |
8MB |
----------------- |
2MB |
NONE |
|
DRAM CONFIGURATION (CON'T) |
||||||
|
52MB |
8MB |
8MB |
8MB |
8MB |
8MB |
8MB |
|
52MB |
32MB |
----------------- |
8MB |
8MB |
NONE |
NONE |
|
52MB |
32MB |
----------------- |
8MB |
----------------- |
8MB |
----------------- |
|
54MB |
32MB |
----------------- |
8MB |
8MB |
2MB |
NONE |
|
54MB |
32MB |
----------------- |
8MB |
8MB |
----------------- |
2MB |
|
56MB |
32MB |
----------------- |
8MB |
8MB |
2MB |
2MB |
|
60MB |
32MB |
----------------- |
8MB |
8MB |
8MB |
NONE |
|
60MB |
32MB |
----------------- |
8MB |
----------------- |
8MB |
8MB |
|
62MB |
32MB |
----------------- |
8MB |
8MB |
8MB |
2MB |
|
68MB |
32MB |
----------------- |
8MB |
8MB |
8MB |
8MB |
|
68MB |
32MB |
----------------- |
32MB |
----------------- |
NONE |
NONE |
|
70MB |
32MB |
----------------- |
32MB |
----------------- |
2MB |
NONE |
|
72MB |
32MB |
----------------- |
32MB |
----------------- |
2MB |
2MB |
|
76MB |
32MB |
----------------- |
32MB |
----------------- |
8MB |
NONE |
|
76MB |
32MB |
----------------- |
32MB |
----------------- |
8MB |
----------------- |
|
78MB |
32MB |
----------------- |
32MB |
----------------- |
8MB |
2MB |
|
84MB |
32MB |
----------------- |
32MB |
----------------- |
8MB |
8MB |
|
100MB |
32MB |
----------------- |
32MB |
----------------- |
32MB |
----------------- |
|
Note: The system memory card uses proprietary memory modules, some require only one module space on the memory board, while others require two. In the cases where a double size module is used, the following space is marked with "-----------------", designating that space as occupied. |
||||||