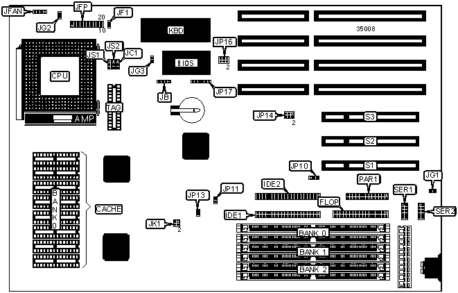
ACHME COMPUTER, INC.
MS-5108
|
Processor |
Pentium |
|
Processor Speed |
60/66MHz |
|
Chip Set |
SIS |
|
Max. Onboard DRAM |
128MB |
|
Cache |
256/512/1024KB |
|
BIOS |
AMI |
|
Dimensions |
330mm x 220mm |
|
I/O Options |
32-bit PCI slots (3), floppy drive interface, green PC connector, IDE interface (2), parallel port, serial ports (2) |
|
NPU Options |
None |
|
CONNECTIONS | |||
|
Purpose |
Location |
Purpose |
Location |
|
Floppy drive interface |
FLOP |
Turbo LED |
JFP (pins 12 - 13) |
|
IDE interface (primary) |
IDE1 |
Turbo switch |
JFP (pins 15 - 17) |
|
IDE interface (secondary) |
IDE2 |
Reset switch |
JFP (pins 19 - 20) |
|
External battery |
JB |
Green PC connector (monitor) |
JG1 |
|
IDE interface LED |
JF1 |
Green PC LED |
JG2 |
|
Chassis fan power |
JFAN |
Green PC connector |
JG3 |
|
Keylock |
JFP (pins 1 & 2) |
Parallel port |
PAR1 |
|
Power LED |
JFP (pins 3 & 5) |
32-bit PCI slots |
S1 - S3 |
|
Green PC LED |
JFP (pins 3 & 4) |
Serial port 1 |
SER1 |
|
Speaker |
JFP (pins 7 & 10) |
Serial port 2 |
SER2 |
|
Sleep switch connector |
JFP (pins 8 & 9) | ||
|
USER CONFIGURABLE SETTINGS | |||
|
Function |
Jumper |
Position | |
|
» |
NA# disabled |
JC1 |
pins 1 & 2 closed |
|
NA# enabled |
JC1 |
pins 2 & 3 closed | |
|
» |
PCI IDE interface enabled |
JP10 |
pins 1 & 2 closed |
|
PCI IDE interface disabled |
JP10 |
pins 2 & 3 closed | |
|
» |
PCI IDE Digital Input Register enabled |
JP11 |
Open |
|
PCI IDE Digital Input Register disabled |
JP11 |
Closed | |
|
» |
PCI IDE register select 0B4h, 0B8h |
JP13 |
Open |
|
PCI IDE register select 034h, 038h |
JP13 |
Closed | |
|
» |
BIOS type select EPROM |
JP17 |
pins 2 & 3, 4 & 5 closed |
|
BIOS type select flash BIOS |
JP17 |
pins 1 & 2, 5 & 6 closed | |
|
DRAM CONFIGURATION | |||
|
Size |
Bank 0 |
Bank 1 |
Bank 2 |
|
2MB |
(2) 256K x 36 |
NONE |
NONE |
|
4MB |
(2) 256K x 36 |
(2) 256K x 36 |
NONE |
|
4MB |
(2) 512K x 36 |
NONE |
NONE |
|
8MB |
(2) 256K x 36 |
(2) 256K x 36 |
(2) 512K x 36 |
|
8MB |
(2) 512K x 36 |
NONE |
(2) 512K x 36 |
|
8MB |
(2) 1M x 36 |
NONE |
NONE |
|
12MB |
(2) 256K x 36 |
(2) 256K x 36 |
(2) 1M x 36 |
|
12MB |
(2) 512K x 36 |
NONE |
(2) 1M x 36 |
|
16MB |
(2) 1M x 36 |
(2) 1M x 36 |
NONE |
|
16MB |
(2) 2M x 36 |
NONE |
NONE |
|
20MB |
(2) 256K x 36 |
(2) 256K x 36 |
(2) 2M x 36 |
|
20MB |
(2) 512K x 36 |
NONE |
(2) 2M x 36 |
|
24MB |
(2) 1M x 36 |
(2) 1M x 36 |
(2) 1M x 36 |
|
24MB |
(2) 2M x 36 |
NONE |
(2) 1M x 36 |
|
32MB |
(2) 1M x 36 |
(2) 1M x 36 |
(2) 2M x 36 |
|
32MB |
(2) 2M x 36 |
NONE |
(2) 2M x 36 |
|
32MB |
(2) 4M x 36 |
NONE |
NONE |
|
36MB |
(2) 256K x 36 |
(2) 256K x 36 |
(2) 4M x 36 |
|
36MB |
(2) 512K x 36 |
NONE |
(2) 4M x 36 |
|
40MB |
(2) 1M x 36 |
(2) 4M x 36 |
NONE |
|
48MB |
(2) 1M x 36 |
(2) 1M x 36 |
(2) 4M x 36 |
|
48MB |
(2) 2M x 36 |
NONE |
(2) 4M x 36 |
|
64MB |
(2) 4M x 36 |
(2) 4M x 36 |
NONE |
|
64MB |
(2) 8M x 36 |
NONE |
NONE |
|
72MB |
(2) 1M x 36 |
(2) 4M x 36 |
(2) 4M x 36 |
|
80MB |
(2) 1M x 36 |
(2) 1M x 36 |
(2) 8M x 36 |
|
80MB |
(2) 2M x 36 |
NONE |
(2) 8M x 36 |
|
96MB |
(2) 4M x 36 |
(2) 4M x 36 |
(2) 4M x 36 |
|
96MB |
(2) 8M x 36 |
NONE |
(2) 4M x 36 |
|
128MB |
(2) 4M x 36 |
(2) 4M x 36 |
(2) 8M x 36 |
|
128MB |
(2) 8M x 36 |
NONE |
(2) 8M x 36 |
|
128MB |
(2) 16M x 36 |
NONE |
NONE |
|
CACHE CONFIGURATION | ||
|
Size |
Bank 0 |
TAG |
|
256KB |
(8) 32K x 8 |
(1) 8K or (1) 16K or (1) 32K x 8 |
|
512KB |
(8) 64K x 8 |
(1) 16K or (1) 32K x 8 |
|
1MB |
(8) 128K x 8 |
(1) 32K x 8 |
|
CACHE JUMPER CONFIGURATION | ||
|
Size |
JS1 |
JS2 |
|
256KB |
pins 1 & 2 closed |
pins 1 & 2 closed |
|
512KB |
pins 2 & 3 closed |
pins 1 & 2 closed |
|
1MB |
pins 2 & 3 closed |
pins 2 & 3 closed |
|
CPU SPEED CONFIGURATION | ||
|
Normal mode speed |
Green mode speed |
JK1 |
|
60MHz |
30MHz |
pins 3 & 4 closed |
|
66MHz |
33MHz |
pins 1 & 2, 3 & 4 closed |
|
60MHz |
60MHz |
Open |
|
66MHz |
66MHz |
pins 1 & 2 closed |
|
DACK/DRQ CONFIGURATION | ||
|
Setting |
JP14 |
JP16 |
|
DACK#0/DREQ0 |
pins 1 & 2 closed |
pins 1 & 2 closed |
|
DACK#1/DREQ1 |
pins 3 & 4 closed |
pins 3 & 4 closed |
|
DACK#3/DREQ3 |
pins 5 & 6 closed |
pins 5 & 6 closed |