ADVANCED INTEGRATION RESEARCH, INC.
P6KDI
|
Processor |
Pentium II |
|
Processor Speed |
180/200/233/266MHz |
|
Chip Set |
Intel |
|
Video Chip Set |
None |
|
Maximum Onboard Memory |
1GB (EDO supported) |
|
Maximum Video Memory |
None |
|
Cache |
256/512/1024KB (located on Pentium II CPU) |
|
BIOS |
AMI |
|
Dimensions |
305mm x 244mm |
|
I/O Options |
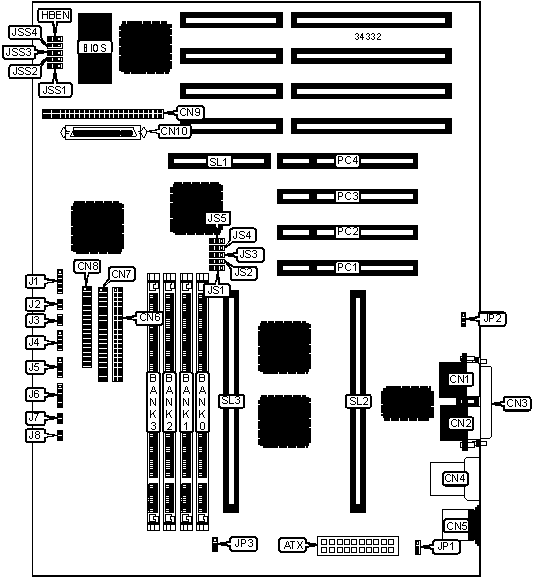
32-bit PCI slots (4), floppy drive interface, green PC connector, IDE interfaces (2), SCSI interface, Ultra-Wide SCSI interface, parallel port, PS/2 mouse port, serial ports (2), IR connector, USB connector, ATX power connector, RAID slot, CPU Slot 1 (2) |
|
NPU Options |
None |
|
CONNECTIONS | |||
|
Purpose |
Location |
Purpose |
Location |
|
ATX power connector |
ATX |
Reset switch |
J3 |
|
Serial port 2 |
CN1 |
Speaker |
J4 |
|
Serial port 1 |
CN2 |
IDE interface LED |
J5 |
|
Parallel port |
CN3 |
Power LED & keylock |
J6 |
|
USB connector |
CN4 |
Turbo LED |
J7 |
|
PS/2 mouse port |
CN5 |
Soft off power supply |
J8 |
|
IDE interface 1 |
CN6 |
Chassis fan power |
JP1 |
|
IDE interface 2 |
CN7 |
Chassis fan power |
JP2 |
|
Floppy drive interface |
CN8 |
Chassis fan power |
JP3 |
|
SCSI interface |
CN9 |
32-bit PCI slots |
PC1 - PC4 |
|
Ultra-Wide SCSI interface |
CN10 |
RAID slot |
SL1 |
|
IR connector |
J1 |
CPU Slot 1 |
SL2 |
|
Green PC connector |
J2 |
CPU Slot 1 |
SL3 |
|
USER CONFIGURABLE SETTINGS | |||
|
Function |
Label |
Position | |
|
» |
SCSI low byte enabled |
HBEN |
Pins 2 & 3 closed |
|
SCSI high byte enabled |
HBEN |
Pins 1 & 2 closed | |
|
DIMM CONFIGURATION | ||||
|
Size |
Bank 0 |
Bank 1 |
Bank 2 |
Bank 3 |
|
8MB |
(1) 1M x 64 |
None |
None |
None |
|
16MB |
(1) 1M x 64 |
(1) 1M x 64 |
None |
None |
|
16MB |
(1) 2M x 64 |
None |
None |
None |
|
24MB |
(1) 1M x 64 |
(1) 1M x 64 |
(1) 1M x 64 |
None |
|
32MB |
(1) 1M x 64 |
(1) 1M x 64 |
(1) 1M x 64 |
(1) 1M x 64 |
|
32MB |
(1) 2M x 64 |
(1) 2M x 64 |
None |
None |
|
32MB |
(1) 4M x 64 |
None |
None |
None |
|
48MB |
(1) 2M x 64 |
(1) 2M x 64 |
(1) 2M x 64 |
None |
|
64MB |
(1) 2M x 64 |
(1) 2M x 64 |
(1) 2M x 64 |
(1) 2M x 64 |
|
64MB |
(1) 4M x 64 |
(1) 4M x 64 |
None |
None |
|
64MB |
(1) 8M x 64 |
None |
None |
None |
|
96MB |
(1) 4M x 64 |
(1) 4M x 64 |
(1) 4M x 64 |
None |
|
128MB |
(1) 4M x 64 |
(1) 4M x 64 |
(1) 4M x 64 |
(1) 4M x 64 |
|
128MB |
(1) 8M x 64 |
(1) 8M x 64 |
None |
None |
|
128MB |
(1) 16M x 64 |
None |
None |
None |
|
192MB |
(1) 8M x 64 |
(1) 8M x 64 |
(1) 8M x 64 |
None |
|
256MB |
(1) 8M x 64 |
(1) 8M x 64 |
(1) 8M x 64 |
(1) 8M x 64 |
|
256MB |
(1) 16M x 64 |
(1) 16M x 64 |
None |
None |
|
256MB |
(1) 32M x 64 |
None |
None |
None |
|
DIMM CONFIGURATION (CON'T) | ||||
|
Size |
Bank 0 |
Bank 1 |
Bank 2 |
Bank 3 |
|
384MB |
(1) 16M x 64 |
(1) 16M x 64 |
(1) 16M x 64 |
None |
|
512MB |
(1) 16M x 64 |
(1) 16M x 64 |
(1) 16M x 64 |
(1) 16M x 64 |
|
512MB |
(1) 32M x 64 |
(1) 32M x 64 |
None |
None |
|
768MB |
(1) 32M x 64 |
(1) 32M x 64 |
(1) 32M x 64 |
None |
|
1GB |
(1) 32M x 64 |
(1) 32M x 64 |
(1) 32M x 64 |
(1) 32M x 64 |
|
Note: Board accepts EDO memory. Board also accepts x 72 SIMMs. | ||||
|
CACHE CONFIGURATION |
|
Note: 256KB/512KB cache is located on the Pentium II CPU. |
|
CPU SPEED SELECTION | |||||
|
CPU speed |
JS1 |
JS2 |
JS3 |
JS4 |
JS5 |
|
180MHz |
1 & 2 |
1 & 2 |
1 & 2 |
1 & 2 |
1 & 2 |
|
200MHz |
2 & 3 |
2 & 3 |
2 & 3 |
2 & 3 |
1 & 2 |
|
233MHz |
2 & 3 |
2 & 3 |
2 & 3 |
2 & 3 |
1 & 2 |
|
266MHz |
2 & 3 |
2 & 3 |
2 & 3 |
2 & 3 |
1 & 2 |
|
Note: Pins designated should be in the closed position. | |||||
|
CPU SPEED SELECTION (CON'T) | ||||
|
CPU speed |
JSS1 |
JSS2 |
JSS3 |
JSS4 |
|
180MHz |
1 & 2 |
2 & 3 |
1 & 2 |
1 & 2 |
|
200MHz |
1 & 2 |
2 & 3 |
1 & 2 |
1 & 2 |
|
233MHz |
2 & 3 |
2 & 3 |
1 & 2 |
1 & 2 |
|
266MHz |
1 & 2 |
1 & 2 |
2 & 3 |
1 & 2 |
|
Note: Pins designated should be in the closed position. | ||||