SONY CORPORATION
CDB-241
|
Card Type |
CD-ROM host card |
|
Chip Set |
Unidentified |
|
Maximum Onboard Memory |
None |
|
I/O Options |
Audio in, host bus connector, line out (2) |
|
Data Bus |
8-bit ISA |
|
Floppy drives supported |
None |
|
CONNECTIONS | |||
|
Function |
Label |
Function |
Label |
|
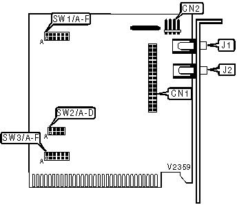
Internal host bus connector |
CN1 |
Line out |
J2 |
|
Line out |
J1 |
Audio in |
CN2 |
|
BIOS ADDRESS SELECTION | |||||||
|
Address |
SW1/A |
SW1/B |
SW1/C |
SW1/D |
SW1/E |
SW1/F | |
|
300h |
Open |
Open |
Open |
Open |
Open |
Open | |
|
304h |
Closed |
Open |
Open |
Open |
Open |
Open | |
|
308h |
Open |
Closed |
Open |
Open |
Open |
Open | |
|
30Ch |
Closed |
Closed |
Open |
Open |
Open |
Open | |
|
310h |
Open |
Open |
Closed |
Open |
Open |
Open | |
|
320h |
Open |
Open |
Open |
Closed |
Open |
Open | |
|
330h |
Open |
Open |
Closed |
Closed |
Open |
Open | |
| » |
340h |
Open |
Open |
Open |
Open |
Closed |
Open |
|
350h |
Open |
Open |
Closed |
Open |
Closed |
Open | |
|
360h |
Open |
Open |
Open |
Closed |
Closed |
Open | |
|
370h |
Open |
Open |
Closed |
Closed |
Closed |
Open | |
|
380h |
Open |
Open |
Open |
Open |
Open |
Closed | |
|
390h |
Open |
Open |
Closed |
Open |
Open |
Closed | |
|
3A0h |
Open |
Open |
Open |
Closed |
Open |
Closed | |
|
3B0h |
Open |
Open |
Closed |
Closed |
Open |
Closed | |
|
3C0h |
Open |
Open |
Open |
Open |
Closed |
Closed | |
|
3D0h |
Open |
Open |
Closed |
Open |
Closed |
Closed | |
|
3E0h |
Open |
Open |
Open |
Closed |
Closed |
Closed | |
|
3F0h |
Open |
Open |
Closed |
Closed |
Closed |
Closed | |
|
INTERRUPT SELECTION | ||||
|
IRQ |
SW2/A |
SW2/B |
SW2/C |
SW2/D |
|
2 |
Closed |
Open |
Open |
Open |
|
3 |
Open |
Closed |
Open |
Open |
|
4 |
Open |
Open |
Closed |
Open |
|
5 |
Open |
Open |
Open |
Closed |
|
DMA CHANNEL SELECTION | ||||||
|
Channel |
SW3/A |
SW3/B |
SW3/C |
SW3/D |
SW3/E |
SW3/F |
|
1 |
Closed |
Closed |
Open |
Open |
Open |
Open |
|
2 |
Open |
Open |
Closed |
Closed |
Open |
Open |
|
3 |
Open |
Open |
Open |
Open |
Closed |
Closed |