SUNIX CO., LTD.
SUN-6333/2 (EX-4013)
|
Card Type |
Parallel card |
|
Chip Set |
HT6535 |
|
Maximum Onboard Memory |
None |
|
I/O Options |
Parallel ports (2) |
|
Data Bus |
16-bit ISA |
|
Floppy drives supported |
None |
|
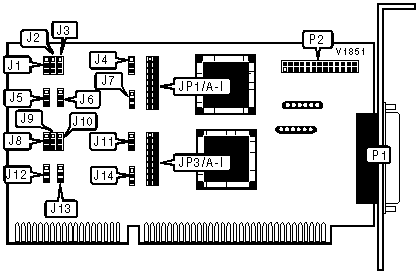
CONNECTIONS | |||
|
Function |
Location |
Function |
Location |
|
25-pin parallel port 1 |
P1 |
26-pin parallel port 2 |
P2 |
|
PARALLEL PORT 1 ADDRESS SELECTION | ||||
|
LPT |
J8 |
J9 |
J10 | |
| » |
LPT1(378h) |
Pins 2 & 3 closed |
Pins 2 & 3 closed |
Pins 2 & 3 closed |
|
LPT2(278h) |
Pins 1 & 2 closed |
Pins 2 & 3 closed |
Pins 2 & 3 closed | |
|
LPT3(3BCh) |
Pins 2 & 3 closed |
Pins 1 & 2 closed |
Pins 2 & 3 closed | |
|
LPT4(268h) |
Pins 2 & 3 closed |
Pins 2 & 3 closed |
Pins 1 & 2 closed | |
|
LPT5(26Ch) |
Pins 1 & 2 closed |
Pins 2 & 3 closed |
Pins 1 & 2 closed | |
|
LPT6(27Ch) |
Pins 2 & 3 closed |
Pins 1 & 2 closed |
Pins 1 & 2 closed | |
|
PARALLEL PORT 2 ADDRESS SELECTION | ||||
|
LPT |
J1 |
J2 |
J3 | |
|
LPT1(378h) |
Pins 2 & 3 closed |
Pins 2 & 3 closed |
Pins 2 & 3 closed | |
| » |
LPT2(278h) |
Pins 1 & 2 closed |
Pins 2 & 3 closed |
Pins 2 & 3 closed |
|
LPT3(3BCh) |
Pins 2 & 3 closed |
Pins 1 & 2 closed |
Pins 2 & 3 closed | |
|
LPT4(268h) |
Pins 2 & 3 closed |
Pins 2 & 3 closed |
Pins 1 & 2 closed | |
|
LPT5(26Ch) |
Pins 1 & 2 closed |
Pins 2 & 3 closed |
Pins 1 & 2 closed | |
|
LPT6(27Ch) |
Pins 2 & 3 closed |
Pins 1 & 2 closed |
Pins 1 & 2 closed | |
|
PARALLEL PORT 1 INTERRUPT SELECTION | ||||||||||
|
IRQ |
JP3/A |
JP3/B |
JP3/C |
JP3/D |
JP3/E |
JP3/F |
JP3/G |
JP3/H |
JP3/I | |
|
IRQ3 |
Closed |
Open |
Open |
Open |
Open |
Open |
Open |
Open |
Open | |
|
IRQ4 |
Open |
Closed |
Open |
Open |
Open |
Open |
Open |
Open |
Open | |
|
IRQ5 |
Open |
Open |
Closed |
Open |
Open |
Open |
Open |
Open |
Open | |
| » |
IRQ7 |
Open |
Open |
Open |
Closed |
Open |
Open |
Open |
Open |
Open |
|
IRQ9 |
Open |
Open |
Open |
Open |
Closed |
Open |
Open |
Open |
Open | |
|
IRQ10 |
Open |
Open |
Open |
Open |
Open |
Closed |
Open |
Open |
Open | |
|
IRQ11 |
Open |
Open |
Open |
Open |
Open |
Open |
Closed |
Open |
Open | |
|
IRQ12 |
Open |
Open |
Open |
Open |
Open |
Open |
Open |
Closed |
Open | |
|
IRQ15 |
Open |
Open |
Open |
Open |
Open |
Open |
Open |
Open |
Closed | |
|
PARALLEL PORT 2 INTERRUPT SELECTION | ||||||||||
|
IRQ |
JP1/A |
JP1/B |
JP1/C |
JP1/D |
JP1/E |
JP1/F |
JP1/G |
JP1/H |
JP1/I | |
|
IRQ3 |
Closed |
Open |
Open |
Open |
Open |
Open |
Open |
Open |
Open | |
|
IRQ4 |
Open |
Closed |
Open |
Open |
Open |
Open |
Open |
Open |
Open | |
| » |
IRQ5 |
Open |
Open |
Closed |
Open |
Open |
Open |
Open |
Open |
Open |
|
IRQ7 |
Open |
Open |
Open |
Closed |
Open |
Open |
Open |
Open |
Open | |
|
IRQ9 |
Open |
Open |
Open |
Open |
Closed |
Open |
Open |
Open |
Open | |
|
IRQ10 |
Open |
Open |
Open |
Open |
Open |
Closed |
Open |
Open |
Open | |
|
IRQ11 |
Open |
Open |
Open |
Open |
Open |
Open |
Closed |
Open |
Open | |
|
IRQ12 |
Open |
Open |
Open |
Open |
Open |
Open |
Open |
Closed |
Open | |
|
IRQ15 |
Open |
Open |
Open |
Open |
Open |
Open |
Open |
Open |
Closed | |
|
PARALLEL PORT 1 MODE SELECTION | |||
|
Setting |
J12 |
J13 | |
|
SPP |
Pins 2 & 3 closed |
Pins 2 & 3 closed | |
| » |
ECP |
Pins 1 & 2 closed |
Pins 1 & 2 closed |
|
EPP |
Pins 2 & 3 closed |
Pins 1 & 2 closed | |
|
PS/2 |
Pins 1 & 2 closed |
Pins 2 & 3 closed | |
|
PARALLEL PORT 2 MODE SELECTION | |||
|
Setting |
J5 |
J6 | |
|
SPP |
Pins 2 & 3 closed |
Pins 2 & 3 closed | |
| » |
ECP |
Pins 1 & 2 closed |
Pins 1 & 2 closed |
|
EPP |
Pins 2 & 3 closed |
Pins 1 & 2 closed | |
|
PS/2 |
Pins 1 & 2 closed |
Pins 2 & 3 closed | |
|
PARALLEL PORT 1 DMA CHANNEL SELECTION | |||
|
Channel |
J11 |
J14 | |
| » |
1 |
Pins 1 & 2 closed |
Pins 1 & 2 closed |
|
3 |
Pins 3 & 4 closed |
Pins 3 & 4 closed | |
|
PARALLEL PORT 2 DMA CHANNEL SELECTION | |||
|
Channel |
J4 |
J7 | |
|
1 |
Pins 1 & 2 closed |
Pins 1 & 2 closed | |
| » |
3 |
Pins 3 & 4 closed |
Pins 3 & 4 closed |