TOPTEK MULTIMEDIA, INC.
GOLDEN SOUND CD-ROM 4-IN-1
|
Card Type |
Sound card/CD-ROM |
|
Chipset Controller |
TMC 4720A |
|
I/O Options |
Line in, line out, CD-ROM interfaces (4), CD audio in (3) |
|
Maximum DRAM |
N/A |
|
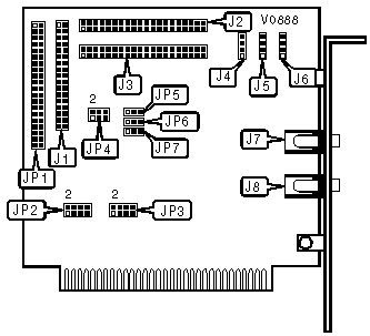
CONNECTIONS | |||
|
Purpose |
Location |
Purpose |
Location |
|
Sony/Wearnes CD-ROM interface |
J1 |
CD audio in |
J6 |
|
Mitsumi CD-ROM interface |
J2 |
Line in |
J7 |
|
Panasonic CD-ROM interface |
J3 |
Line out |
J8 |
|
CD audio in |
J4 |
Philips CD-ROM interface |
JP1 |
|
CD audio in |
J5 | ||
|
CD-ROM INTERFACE INTERRUPT SELECTION | |
|
IRQ |
JP2 |
|
3 |
Pins 1 & 2 closed |
|
4 |
Pins 3 & 4 closed |
|
5 |
Pins 5 & 6 closed |
|
9 |
Pins 7 & 8 closed |
|
CD-ROM INTERFACE 8-BIT DMA SELECTION | |
|
Channel |
JP3 |
|
1 |
Pins 1 & 3, 2 & 4 closed |
|
3 |
Pins 5 & 7, 6 & 8 closed |
|
CD-ROM INTERFACE ADDRESS SELECTION | |||
|
Address |
JP5 |
JP6 |
JP7 |
|
200h |
Pins 2 & 3 closed |
Pins 2 & 3 closed |
Pins 2 & 3 closed |
|
220h |
Pins 1 & 2 closed |
Pins 2 & 3 closed |
Pins 2 & 3 closed |
|
240h |
Pins 2 & 3 closed |
Pins 1 & 2 closed |
Pins 2 & 3 closed |
|
260h |
Pins 1 & 2 closed |
Pins 1 & 2 closed |
Pins 2 & 3 closed |
|
300h |
Pins 2 & 3 closed |
Pins 2 & 3 closed |
Pins 1 & 2 closed |
|
320h |
Pins 1 & 2 closed |
Pins 2 & 3 closed |
Pins 1 & 2 closed |
|
340h |
Pins 2 & 3 closed |
Pins 1 & 2 closed |
Pins 1 & 2 closed |
|
360h |
Pins 1 & 2 closed |
Pins 1 & 2 closed |
Pins 1 & 2 closed |
|
CD-ROM INTERFACE TYPE SELECTION | |
|
Type |
JP4 |
|
Mitsumi |
Pins 3 & 5, 4 & 6 closed |
|
Panasonic |
Pins 2 & 4, 3 & 5 closed |
|
Philips |
Pins 1 & 3, 4 & 6 closed |
|
Sony |
Pins 1 & 3, 4 & 6 closed |
|
Wearnes |
Pins 1 & 3, 4 & 6 closed |
|
CD-ROM AUDIO INTERFACE PIN-OUT TABLE | |
|
Connector |
Diagram |
|
J4 |
|
|
J5 |
|
|
J6 |
|