WESTERN DIGITAL CORPORATION
WD1002-FOX
|
| |
|
Data bus: |
8-bit, ISA |
|
Size: |
Half-length, half-height card |
|
Hard drive supported: |
N/A |
|
Floppy drives supported: |
Two 360KB, 1.2MB drives or floppy tape drives |
|
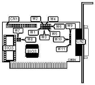
CONNECTIONS | |
|
Function |
Location |
|
34-pin connector - floppy drive internal |
CN1 |
|
37-pin floppy disk drive port - external |
CN2 |
|
USER CONFIGURABLE SETTINGS | ||
|
Function |
Location |
Setting |
|
Factory configured setting - do not alter |
W3 |
pins 1 & 2 closed |
|
Factory configured setting - do not alter |
W4 |
pins 2 & 3 closed |
|
Optional BIOS - enabled |
W5 |
pins 1 & 2 closed |
|
Optional BIOS - disabled |
W5 |
pins 2 & 3 closed |
|
Controller grounded to chassis |
W6 |
pins 1 & 2 closed |
|
Controller not grounded |
W6 |
pins 2 & 3 closed |
|
Dual speed spindle option - enabled |
W7 |
closed |
|
Dual speed spindle option - disabled |
W7 |
open |
|
Precompensation set to 187nsec |
W8 |
closed |
|
Precompensation set to 125nsec |
W8 |
open |
|
DRIVE POWER SELECT | |||
|
Setting |
W9 |
W10 |
W11 |
|
Power supplied by host |
closed |
closed |
closed |
|
Power supplied by drive |
open |
open |
open |
|
BIOS ADDRESS | ||
|
Address |
W1 |
W2 |
|
EF000 - EEFFF |
pins 2 & 3 closed |
pins 2 & 3 closed |
|
ED000 - ECFFF |
pins 2 & 3 closed |
pins 1 & 2 closed |
|
CF000 - CEFFF |
pins 1 & 2 closed |
pins 2 & 3 closed |
|
CD000 - CCFFF |
pins 1 & 2 closed |
pins 1 & 2 closed |
|
Note: If W1 & W2 are removed this will disable the BIOS regardless of the setting of W5. | ||