SCIENTIFIC MICRO SYSTEMS, INC.
OMTI 3120A, OMTI 3127A
|
| |
|
Data bus: |
50-pin SCSI interface |
|
Size: |
4" x 5.75" |
|
Hard drive supported: |
Up to two ST506/412 MFM drives in 3120A, and up to two ST506/412 RLL 2,7 drives in 3127A |
|
Floppy drives supported: |
None |
|
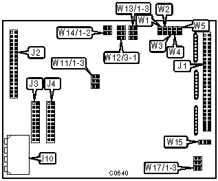
CONNECTIONS | |
|
Function |
Location |
|
50-pin SCSI interface |
J1 |
|
34-pin MFM disk control connector |
J2 |
|
20-pin data cable connector |
J3 |
|
20-pin data cable connector |
J4 |
|
DC power connector |
J10 |
|
SCSI ADDRESS | ||||
|
SCSI ID |
W1 |
W2 |
W3 | |
| » |
0 |
open |
open |
open |
| » |
1 |
closed |
open |
open |
| » |
2 |
open |
closed |
open |
| » |
3 |
closed |
closed |
open |
| » |
4 |
open |
open |
closed |
| » |
5 |
closed |
open |
closed |
| » |
6 |
open |
closed |
closed |
| » |
7 |
closed |
closed |
closed |
|
USER CONFIGURABLE SETTINGS | |||
|
Function |
Location |
Setting | |
| » |
SCSI parity enabled |
W4 |
closed |
| » |
SCSI parity disabled |
W4 |
open |
| » |
Factory configured - do not alter |
W12/1-3 |
N/A |
| » |
Factory configured - do not alter |
W13/1-3 |
N/A |
| » |
Factory configured - do not alter |
W14/1-2 |
N/A |
| » |
TRMPWR supplied by board (3127A) |
W15/pins 1 & 2 |
closed |
| » |
TRMPWR supplied by SCSI bus (3127A) |
W15/pins 2 & 3 |
closed |
| » |
Factory configured - do not alter |
W17/1-3 |
N/A |
|
Note: Location of W15 pin 1 is unidentified. | |||
|
SECTOR CONFIGURATION | ||||
|
Bytes/Sector |
Sector/Track |
W5 |
W6 | |
| » |
512 |
17 |
open |
closed |
| » |
256 |
32 |
closed |
open |
|
512 (3120A) |
18 |
open |
open | |
|
532 (3127A) |
17 |
open |
open | |
| » |
1024 |
9 |
closed |
closed |
|
Note: Location of W6 is unidentified. | ||||
|
TERMINATION POWER - 3120A | ||||
|
Function |
W11/1 |
W11/2 |
W11/3 | |
| » |
TRMPWR supplied by board |
open |
closed |
closed |
| » |
TRMPWR supplied by SCSI bus |
closed |
closed |
open |